Дипломная работа: Проектирование управляющей ИМС для импульсных источников питания по типу TDA16846
УТВЕРЖДАЮ
Зав. кафедрой
ПОЯСНИТЕЛЬНАЯ ЗАПИСКА К ДИПЛОМНОМУ ПРОЕКТУ
на тему: Проектирование управляющей ИМС для импульсных источников питания по типу TDA16846.
Задание на дипломный проект
Студент:
1 Тема: Проектирование управляющей ИМС для импульсных источников питания по типу TDA16846.
Утверждена приказом по
2 Срок представления проекта к защите:
3 Исходные данные для проектирования: схема электрическая принципиальная, фотография кристалла ИМС TDA16846, проектные нормы на разработку топологии.
4 Содержание пояснительной записки:
Введение.
4.1 Общие принципы построения импульсных источников питания
4.2 Анализ структурной схемы и алгоритма работы ИМС TDA16846.
4.3 Анализ схемы электрической принципиальной ИМС TDA16846.
4.4 Разработка физической структуры кристалла и технологического маршрута изготовления ИМС.
4.5 Разработка топологии ИМС.
4.5.1 Разработка библиотеки элементов
4.5.2 Компоновка элементов и блоков и трассировка
4.6 Организационно-экономический раздел: расчет сметы затрат на проектирование ИМС.
4.7 Экологичность и безопасность дипломного проекта: анализ опасных и вредных факторов при работе с ПК.
4.8 Заключение.
5 Перечень графического материала:
5.1 Схема структурная ИМС TDA16846.
5.2 Схема электрическая принципиальная ИМС TDA16846.
5.3 Схема включения ИМС в составе импульсного источника питания.
5.4 Топология ИМС.
5.5 Временные диаграммы работы ИМС.
6 Приложения:
6.1 Схема структурная ИМС TDA16846.
6.2 Схема электрическая принципиальная ИМС TDA16846.
6.3 Схема включения ИМС в составе импульсного источника питания.
6.4 Топология ИМС.
6.5 Временные диаграммы работы ИМС.
Руководитель проекта к.т.н., доцент _________________________
Консультанты по разделам:
Организационно-экономический ____________________________
Экологичность и безопасность _______________________________
Задание принял к исполнению ________________________________
Реферат
Пояснительная записка содержит листов, рисунка, таблиц, источников, приложений.
ИМПУЛЬСНЫЙ ИСТОЧНИК ПИТАНИЯ, МИКРОСХЕМА, АНАЛИЗ, ЭЛЕКТРИЧЕСКАЯ ПРИНЦИПИАЛЬНАЯ СХЕМА, СТРУКТУРНАЯ СХЕМА, СИЛОВОЙ ТРАНЗИСТОР, КОРРЕКЦИЯ КОЭФФИЦИЕНТА МОЩНОСТИ ИМПУЛЬСНЫЙ ТРАНСФОРМАТОР,TDA16846.
Объектом разработки является ИМС для управления импульсным источником питания.
Цель работы – проектирование ИМС для управления импульсным источником питания.
В процессе работы проводился анализ схемы электрической принципиальной, моделирование схемы и разработка топологии на ПК.
В результате проведенной работы выполнен анализ схемы электрической принципиальной, разработана физическая структура кристалла, технологический маршрут изготовления и топология ИМС для управления импульсным источником питания.
Основные конструктивные и технико-эксплутационные характеристики: число элементов электрической принципиальной схемы – 660 в том числе 350 транзисторов, 296 резисторов, 11 конденсаторов, 5 диодов, размеры кристалла ИМС - 2,3 x 2,3 мм.
Применение разработанной ИМС возможно в схемах блоков питания телевизоров, стационарных радиоприемников, мониторов персональных компьютеров.
Содержание
Введение
1 Общие принципы построения импульсных источников питания
1.1 Функции и особенности микросхемы TDA16846
1.1.1 Описание ИМС
1.1.2 Особенности и достоинства микросхемы
1.1.3 Назначение выводов микросхемы
1.1.4 Краткое описание функций выводов
1.1.5 Предельно допустимые характеристики ИМС
2 Анализ алгоритма работы ИМС TDA16846
2.1 Поведение устройства в момент запуска
2.2 Инициализация тока первичной обмотки, ограничение тока
2.3 Управление по цепи обратной связи
2.4 Схема управления временем выключения
2.5 Усилитель ошибки, мягкий запуск
2.6 Фиксирование частоты и схема синхронизации
3 Анализ принципиальной электрической схемы
3.1 Анализ схемы включения ИМС TDA16846
3.2 Электрические характеристики микросхемы TDA16846
3.2 Анализ электрической принципиальной схемы ИМС TDA16846
4 Разработка физической структуры кристалла и технологического
маршрута изготовления ИМС
5 Разработка топологии ИМС
5.1 Разработка библиотеки элементов
5.2 Компоновка элементов и блоков
6 Расчет сметы затрат на проектирование ИМС
6.1 Организационная часть
6.2 Экономическая часть
7 Анализ опасных и вредных факторов при работе с ПЭВМ
Заключение
Список использованных источников
Приложение А
Приложение Б
Приложение В
Введение
Целью дипломного проекта является проектирование управляющей ИМС для импульсных источников питания по типу TDA16846.
Существует класс блоков электропитания, в которых напряжение сети сначала преобразуется трансформатором, а затем поступает во вторичные цепи. В таких блоках питания трансформатор имеет значительные размеры, поэтому цепи питания составляют ощутимую долю массы радиоустройства в целом. Так, например, в мощных устройствах блоки питания могут составлять 25 — 30%. всей массы.
Решение проблемы снижения материалоемкости и энергопотребления бытовой радиоэлектронной аппаратуры связано с использованием импульсных источников вторичного электропитания. Их преимущества по сравнению с традиционными источниками электропитания обеспечиваются заменой силового трансформатора, работающего на частоте промышленной сети 50 Гц, малогабаритным импульсным трансформатором, работающим на частотах 20 — 100 кГц, а также использованием импульсных методов стабилизации вторичных напряжений взамен компенсационных. Это приводит к снижению материалоемкости в 3 - 4 раза и повышению КПД до 85 — 90%.
На сегодняшний день разработка импульсных источников питания в основном связана с разработкой микросхем контроллеров, которые управляют работой источника. Существует не мало микросхем подобного рода, но все они зарубежного производства, в том числе взятая за основу проектирования TDA16846, поэтому имеют высокую стоимость (для TDA16846 порядка 2-х долларов).
Изготовление подобной микросхемы на предприятии ОАО “Орбита” позволит получить конкурентоспособный аналог, имеющий меньшую цену, и позволит обеспечить предприятия отечественной радиоэлектронной промышленности данным прибором на взаимовыгодных условиях.
Исходя из вышеизложенного следует, что разработка и усовершенствование импульсных источников питания является на сегодняшний день актуальной проблемой.
1 Общие принципы построения импульсных источников питания
Для получения постоянных напряжений с помощью импульсных источников питания (ИИП) в них осуществляется тройное преобразование напряжения. Переменное напряжение сети выпрямляется и сглаживается. Полученное постоянное напряжение преобразуется в импульсное прямоугольное напряжение частотой несколько десятков килогерц, которое трансформируется с соответствующим коэффициентом на вторичную сторону, выпрямляется и сглаживается.
Функциональная схема импульсного источника питания приведена на рисунке 1.1 [1]. Его основными функциональными частями являются: входной помехоподавляющий фильтр (1), сетевой выпрямитель со сглаживающим емкостным фильтром (2), ключевой преобразователь напряжения с импульсным трансформатором (3), схема управления (4), цепи вторичных напряжений (5).

1 – помехоподавляющий фильтр;
2 – выпрямитель со сглаживающим фильтром;
3 – ключевой преобразователь напряжения с импульсным трансформатором;
4 – схема управления;
5 - цепи вторичных напряжений.
Рисунок 1.1 - Структурная схема импульсного источника питания
Напряжение первичной электросети поступает через помехоподавляющий фильтр (1) на выпрямитель (2), откуда после выпрямления и сглаживания пульсаций C-фильтром поступает на ключевой каскад (3) и схемы управления (4). Ключевой каскад преобразует постоянное напряжение в импульсное высокой частоты, которое через импульсный трансформатор поступает на выпрямители выходных цепей (5). Благодаря высокой рабочей частоте габариты и масса у импульсного трансформатора гораздо меньше, чем у трансформатора такой же мощности, работающего при частоте 50 Гц.
Выпрямительная секция ИИП, как правило, выполняется по мостовой схеме. На входе выпрямителя устанавливается LC-фильтр, назначение которого — ослабить уровень помех, поступающих от источника питания в сеть.
На выходе выпрямителя ставится C-фильтр служащий для сглаживания пульсаций.
Необходимо отметить, что через конденсатор фильтра протекает также импульсная составляющая тока транзисторов преобразователя, работающего на частоте 20 — 100 кГц. Как правило, конструкция высоковольтных электролитических конденсаторов не обеспечивает достаточно малого полного сопротивления на этих частотах, поэтому конденсаторы могут перегреваться из-за протекания высокочастотных импульсных токов. Для устранения перегрева электролитический конденсатор фильтра обычно шунтируется конденсатором пленочного или керамического типа.
В зависимости от назначения и заданных параметров, ИИП может содержать различные дополнительные блоки и цепи: стабилизаторы напряжений, устройства защиты от перегрузок и аварийных режимов, цепи первоначального запуска, подавления помех и др. Однако определяющим узлом любого ИИП является ключевой преобразователь напряжения и в первую очередь его силовая часть. Выходные каскады преобразователей напряжения можно разделить на два больших класса: однотактные и двухтактные.
Силовая часть однотактного преобразователя может быть выполнена двумя способами, по которым следует различать прямоходовые и обратноходовые преобразователи.
В прямоходовых преобразователях ток подзарядки накопительных емкостей во вторичной цепи протекает во время открытого состояния ключевого транзистора, а в обратноходовых - во время закрытого состояния этого транзистора.
Рассмотрим подробнее работу импульсного источника питания.
Более подробная функциональная схема ИИП приведена на рисунке 1.2 [2].

Рисунок 1.2 - Более подробная функциональная схема ИИП.
Итак, напряжение сети поступает на сетевой выпрямитель (рисунок 1.2) со сглаживающим емкостным фильтром С1-СФ. С конденсатора фильтра выпрямленное напряжение через обмотку W1 трансформатора Т1 поступает на коллектор транзистора VT1, выполняющего функцию ключевого преобразователя постоянного напряжения в импульсное с частотой повторения 20-100 кГц.
Ключевой преобразователь представляет собой импульсный генератор, работающий в режиме самовозбуждения. На рисунке 1.3 приведены временные диаграммы преобразователя [2].

Рисунок 1.3 - Временные диаграммы работы преобразователя
В течение времени ΔТ, когда транзистор открыт, через первичную обмотку W1 трансформатора протекает линейно нарастающий ток IИ. В сердечнике трансформатора запасается энергия магнитного поля.
Когда транзистор закрывается, на верхнем по схеме выводе вторичной обмотки трансформатора W2 появляется положительный потенциал и накопленная энергия передается в нагрузку через диод VD2.
Изменяя ΔТ, т. е. время, в течение которого открыт транзистор преобразователя, можно регулировать выходное напряжение. Размахи импульсов тока через транзистор и диод зависят от индуктивности первичной обмотки трансформатора. При оптимальном ее значении максимальный ток через первичную обмотку вдвое превышает средний ток через нее. При этом ток через диод прекращается в момент открывания транзистора.
Изменять ΔТ можно разными способами. Наиболее подходящий способ регулирования величины выходного напряжения – широтно-импульсная модуляция (ШИМ) [2]. Принцип ШИМ (см. рисунок 1.3) состоит в регулировании времени, в течение которого ключевой транзистор открыт, при этом происходит регулировка количества накопленной трансформатором энергии. Основные достоинства ШИМ – постоянство периода повторений Т и простота реализации.
Рассмотрим случай, когда в установившемся режиме ток нагрузки увеличился. Это означает, что энергия, запасенная трансформатором будет расходоваться быстрее, чем обычно, т.е. время закрытого состояния ключа уменьшится. А для увеличения накопленной энергии нужно увеличить время открытого состояния ключа, чтобы в трансформаторе накопилось больше энергии. В результате общее время Т = const. Аналогично при уменьшении тока нагрузки.
Из за видимых преимуществ ШИМ применяют практически во всех конструкциях ИИП. По этой причине другие способы регулировки рассматривать не будем.
Схема запуска. Необходимость схемы запуска вызвана тем, что при включении ИИП самовозбуждение автогенератора невозможно, так как разряженные конденсаторы фильтров импульсных выпрямителей представляют собой короткое замыкание для импульсов, снимаемых с вторичных обмоток трансформатора. Пусковые токи могут достигать 50...100А, что создает аварийный режим работы для автогенератора.
Устройство запуска обеспечивает принудительное включение и выключение автогенератора в течение нескольких циклов, за время действия которых происходит заряд конденсаторов фильтров импульсных выпрямителей. Одновременно это исключает возможность возникновения аварийной ситуации, так как автогенератор плавно выходит на номинальный режим работы.
В импортных схемах наибольшее распространение нашли схемы подачи начального открывающего смещения на ключ [2]. В момент подачи питания через резисторы от «+» сетевого выпрямителя на базу ключа подается начальное смещение, достаточное для создания начального тока через ключ. За счет обмотки обратной связи происходит нарастание тока через ключ до насыщения, при этом диоды вторичных выпрямителей заперты и не мешают процессу. Как только ключ входит в режим насыщения, нарастание тока прекращается, напряжение на базе ключа становится равным начальному, коллекторный ток ключа резко уменьшается, что приводит к изменению полярности на обмотках трансформатора, в том числе появляется минус на выводе обмотки обратной связи, подключенной к базе ключа, ключ закрывается, диоды импульсных выпрямителей открываются и энергия, накопленная трансформатором, через диоды переходит в разряженные конденсаторы фильтров импульсных выпрямителей. Так как конденсаторы представляют собой в этот момент короткое замыкание, то энергия трансформатора убывает очень быстро. После нескольких циклов заряда конденсаторов автогенератор переходит в нормальный режим и больше схема запуска не используется. Во многих импортных ИИП цепь запуска не отключается, что иногда приводит к выходу из строя ключа при неисправности одного из вторичных выпрямителей, если не применяется схема защиты от короткого замыкания.
Иногда в качестве схемы запуска ИИП применяется генератор на транзисторе [2]. В течение некоторого времени, задаваемого схемой и достаточного для надежного запуска автогенератора, генератор вырабатывает импульсы, которые подаются на базу ключа как начальное смещение и вызывают запуск цикла работы автогенератора. Если неисправность отсутствует, то конденсаторы фильтров заряжаются и автогенератор входит в нормальный режим работы. Иначе схема запуска отключится и ИИП не запустится.
Схема управления. На схемы управления возлагается функция отслеживания уровня выходного напряжения, выработка сигнала ошибки и, часто, непосредственного управления ключом. Обычно схема управления представляет собой схему сравнения реального выходного напряжения и образцового, выработанный сигнал ошибки подается на исполнительную схему, управляющую непосредственно ключевым транзистором (см. рисунок 1.4) [2].

Рисунок 1.4 - Функциональная схема устройства управления.
Схема управления питается от одной из обмоток трансформатора Т1, поэтому напряжение питания на ней всегда соответствует напряжению на других обмотках, т.е. реальному (см. рисунок 1.5) [2].

Рисунок 1.5 – Устройство управления.
Пока автогенератор не вошел в нормальный режим, напряжение питания мало и транзистор VT1 закрыт. По мере увеличения напряжения питания на стабилитроне VD1 появляется образцовое напряжение, и затем транзистор начинает открываться. В рабочем режиме на выходе присутствует положительное напряжение, которое подается на исполнительную схему. Таким образом, при изменении реального напряжения, напряжение, подаваемое на исполнительное устройство, также будет изменяться, изменяя условия работы исполнительного устройства. Исполнительное устройство представляет собой либо ключевую схему, срабатывающую при достижении импульсом тока коллектора силового ключа определенной величины, либо схему, шунтирующую переход база-эмиттер того же силового ключа при достижении определенного уровня напряжения на базе.
На рисунке 1.6 приведены эпюры, поясняющие работу устройства управления при ШИМ – модуляции [2].

Рисунок 1.6 - Диаграммы поясняющие работу устройства управления при ШИМ - модуляции
По диаграммам видно, как изменение реального напряжения и вместе с ним сигнала ошибки влияет на ширину импульса, вырабатываемого ключевым транзистором. Меандр Uзг – работа автогенератора без управления. При работе с управлением напряжение ошибки Uош воздействует на исполнительное устройство совместно с напряжением обратной связи Uп, меняя порог его срабатывания. В результате при изменении тока нагрузки изменяется ширина импульсов, вырабатываемых ключевым транзистором.
Схема защиты. Сложность того или иного ИИП зависит, в основном, от примененных схем защиты. Вообще защитные устройства можно разделить на следующие типы по функциям: защитные устройства всего ИИП, сетевого выпрямителя, от большого напряжения сети, от малого напряжения сети, от перегрузки, от холостого хода и так далее. По сложности исполнения их можно разделить на простые (предохранители, защитные резисторы), среднего уровня сложности и большой сложности. В ИИП может быть применено сразу несколько типов защит, различной степени сложности.
Иногда устройства защиты представляют собой схемы, состоящие из нескольких элементов и интегрированы со схемой ИИП. Такие устройства могут быть с внутренним управлением, отслеживающие состояние ИИП и управляющие им и с внешним управлением, следящими за состоянием цепей вторичных источников питания и даже исправность всего устройства в целом.
Корректор коэффициента мощности (на рисунке 1.2 не показан). Импульсные источники питания создают гармонические и нелинейные искажения тока в сети, которые отрицательно влияют на проводку электросети и электроприборы, подключаемые к ней [3]. Это влияние выражается не только в различного рода помехах, сказывающихся на работе чувствительных устройств, но и в перегреве нейтрального провода. При протекании в нагрузках токов со значительными гармоническими составляющими, не совпадающими по фазе с напряжением, ток в нейтральном проводе может увеличиться до критического значения.
Международная электротехническая комиссия (МЭК) и Европейская организация по стандартизации в электротехнике (CENELEC) приняли стандарты IEC555 и EN60555, устанавливающие ограничения на содержание гармоник во входном токе вторичных источников электропитания и других устройствах [3].
Один из эффективных способов решения этой задачи - применение корректоров коэффициента мощности (Power Factor Correction) [3]. На практике это означает, что во входную цепь любого импульсного преобразователя необходимо включать специальную PFC-схему, обеспечивающую снижение или полное подавление гармоник тока. Основной стандарт для разработки источников питания с коррекцией коэффициента мощности EN61000-3-2 устанавливает пределы интенсивности гармонических составляющих потребляемого тока со второй по сороковую гармоники. Это ограничение распространяется на все устройства свыше 75 Вт, питающиеся от общей электросети, и использующееся в бытовой аппаратуре.
Импульсный источник напряжения потребляет мощность только в те моменты, когда напряжение, подаваемое с выпрямителя на сглаживающий конденсатор, выше напряжения на нем (конденсаторе), что происходит в течение примерно четверти периода. В остальное время источник не потребляет мощности из сети, так как нагрузка питается от конденсатора. Это приводит к тому, что мощность отбирается нагрузкой только на пике напряжения, потребляемый ток имеет форму короткого импульса и содержит набор гармонических составляющих (рисунок 1.7.а).


а) б)
Рисунок 1.7 Ток и мощность, потребляемые источником питания без коррекции (а) и с коррекцией (б).
Импульсный источник питания, имеющий коррекцию коэффициента мощности, потребляет ток с малыми гармоническими искажениями, равномернее отбирает мощность от сети, имеет коэффициент амплитуды (отношение амплитудного значения тока к его среднеквадратичному значению) ниже, чем у некорректированного источника. Коррекция коэффициента мощности снижает среднеквадратическое значение потребляемого тока, что позволяет подключать к одному выводу электросети больше разных устройств, не создавая в ней перегрузок по току (см. рисунок 1.7.б) [3].
Недостатки. К недостаткам импульсных источников питания можно отнести: отсутствие гальванической развязки схемы ИИП от электросети, высокую сложность и низкую надежность, необходимость применения дорогостоящих высоковольтных высокочастотных компонентов, которые в случае малейшей неисправности легко выходят из строя.
1.1 Функции и особенности микросхемы TDA16846
1.1.1 Описание ИМС
Микросхема разработана для управления режимами работы импульсных источников питания работающих по обратноходовому принципу на фиксированной или зависящей от режима работы частоте с коррекцией или без коррекции коэффициента мощности в диапазоне мощностей от 1 Вт до более чем 300 Вт [4].
Для того чтобы обеспечить низкую потребляемую мощность источника питания при малых сопротивлениях нагрузки, эта микросхема уменьшает частоту переключений в соответствии с уменьшением сопротивления нагрузки в сторону настройки минимума (т.е. 20 кГц в дежурном режиме). Частотно - зависимая характеристика от нагрузки выгодна для новых режимов работы в телевизорах между рабочим режимом и режимом ожидания и для режимов экономии энергии в мониторах стандарта VESA-PC (стандарт локальной видеошины для персональных компьютеров). Микросхема обеспечивает отличную работу для всего диапазона нагрузок от предельной нагрузки до ее отсутствия. Дополнительно при этом ток запуска очень низкий. Для того чтобы избежать коммутационных перенапряжений в источнике питания, мощный транзистор всегда переключается при минимальном напряжении. С целью предотвращения пульсаций в схеме дополнительно введена специальная цепь.
Эта микросхема имеет несколько функций защиты:
а) от изменения (увеличения или уменьшения) напряжения источников вторичной цепи;
б) от колебаний сети переменного тока;
в) ограничение тока;
г) два независимо действующих компаратора ошибок.
Регулировки могут выполнятся используя внутренний усилитель ошибки или цепь обратной связи с оптроном (дополнительный вход). Выходной каскад разработан для управления мощным полевым транзистором, но также может быть использован биполярный транзистор. Также возможна работа в режиме фиксирование частоты и режиме синхронизации.
Микросхема разработана для использования в схемах телевизоров, видеомагнитофонов и стационарных радиоприемников. Также она может быть с успехом применена в мониторах персональных компьютеров.
1.1.2 Особенности и достоинства микросхемы
Микросхема проектируемая по типу TDA16846 имеет следующие особенности и преимущества по сравнению с имеющимися на сегодняшний день схемами подобного типа:
а) линейное изменение тока потребления при работе в схеме с коррекцией коэффициента мощности;
б) низкая потребляемая мощность;
в) возможность установки и настройки частоты дежурного режима;
г) очень низкий ток запуска;
д) мягкий старт для плавного запуска;
е) независимо - действующие компараторы ошибки;
ж) возможность синхронизации и фиксации частоты;
и) блокировка повышенного и пониженного напряжения;
к) защита от сетевого перенапряжения;
л) управление режимом обратной связи в зависимости от напряжения питания;
м) непрерывное уменьшение частоты с уменьшением сопротивления нагрузки;
н) подстройка и подавление пульсации напряжения питания в момент запуска.
1.1.3 Назначение выводов микросхемы
Обозначение выводов микросхемы и расшифровка их назначения приведены на рисунке 1.8 [4].

Рисунок 1.8 – Обозначение выводов микросхемы
OTC – вывод подключения цепи управления выключением ИМС (перехода в дежурный режим);
PCS – инициализация тока первичной обмотки трансформатора;
RZI – вход детектора перехода через “ноль”;
SRC – вход управления мягким запуском;
OCT – вывод подключения оптрона;
FC2 – вход второго компаратора ошибки;
SYN – вход внешней синхронизации;
NC – не используется;
REF – вывод опорного внутреннего напряжения;
FC1 – вход первого компаратора ошибки;
PVC – вход контроля напряжения первичной обмотки;
GND – общий «земля»;
OUT – выходной сигнал;
VCC – вход напряжения питания.
1.1.4 Краткое описание функций выводов микросхемы
Описание функций выводов приведено в таблице 1.1 [4].
Таблица 1.1 – Функции выводов.
| Номер вывода | Назначение |
| 1 | Параллельная RC- цепочка между этим выводом и «землей» определяет время закрытого состояния транзистора в рабочем режиме и частоту переключения в дежурном режиме. |
| 2 | Вывод 2 используется для формирования тока мощного транзистора, а конденсатор между этим выводом и «землей» и резистор между этим выводом и положительной шиной, определяют максимально допустимый ток. |
| 3 | Вывод 3 – детектор нуля, запрещает включение силового транзистора до окончания полной передачи энергии трансформатором в нагрузку. Это также вход сигнала усилителя ошибки. Выходное напряжение делителя между управляющей обмоткой и «землей» соединяется с этим входом. Если импульсы на выводе 3 превышают порог 5В то управляющее напряжение на 4-м выводе понижается. |
| 4 | Это вывод управляющего напряжения. Между этим выводом и «землей» включается конденсатор. Емкость этого конденсатора определяет продолжительность плавного запуска и скорость управления. |
| 5 | Если для контроля используется оптопара, то она соединяется между этим выводом и землей. Делитель напряжения на выводе 3 должен тогда быть изменен таким образом, чтобы импульсы на выводе 3 были не более 5 В. |
| 6 | Вход второго компаратора ошибки. В случае появления на этом выводе напряжение больше 1,2В, то импульсный источник питания выключается |
| 7 | Если требуется режим фиксированной частоты, то между этим выводом и землей должна быть соединена параллельная RC цепочка. Значение сопротивления и емкости определяют частоту. Если требуется режим синхронизации, то синхроимпульсы могут быть поданы на этот вывод. |
| 8 | Не используется |
| 9 |
Выход опорного напряжения (5В). Включение резистора между этим выводом и «землей» включает второй компаратор ошибки (вывод 6). |
| 10 | Вход первого компаратора ошибки. В случае появления на этом выводе напряжение больше 1В, то импульсный источник питания выключается. |
| 11 | Вход контроля напряжения в первичной обмотке. Напряжение от шины питания должно подаваться к этому выводу через делитель напряжения. Если напряжение на этом выводе падает ниже 1 В, импульсный источник питания выключается. Вторая функция данного вывода – коррекция максимального тока накачки силового транзистора по напряжению в сети. |
| 12 | Общий. |
| 13 | Выходной сигнал. Этот вывод соединяется через резистор с затвором мощного транзистора. |
| 14 | К этому выводу подключается напряжение питания и запускающий конденсатор. После запуска напряжение питания вырабатывается управляющей обмоткой трансформатора и выпрямляется внешним диодом |
1.1.5 Предельно допустимые характеристики ИМС
Предельно допустимые характеристики ИМС приведены в таблице 1.2 [4].
Таблица 1.2 – Предельно допустимые характеристики
| Параметр | Обозначение | Предельные значения | Единица измерения | Примечание | ||
| min | max | |||||
| Напряжение питания на выводе 14 | VCC | -0.3 | 17 | В | - | |
| Напряжение на выводах 1, 4, 5, 6, 7, 9, 10 | - | -0.3 | 6 | В | - | |
| Напряжение на выводах 2, 8, 11 | - | -0.3 | 17 | В | - | |
|
Напряжение на выводе 3 Ток на выводе 3 |
RZI |
- -10 |
6 - |
В мА |
V3<-0.3 В | |
| Ток на выводе 9 | REF | -1 | - | мА | - | |
| Ток на выводе 13 | OUT | -100 | 100 |
мА мА |
V13>VCC V13<0 В |
|
| Электростатическая защита | - | - | 2 | кВ |
MIL STD 883C метод 3015.6, 100
pF, 1500 |
|
| Температура хранения | Tstg | -65 | 125 |
|
- | |
| Действующая температура перехода | TJ | -25 | 125 |
|
- | |
| Тепловое сопротивление переход-окружающая среда | RthJA | - | 110 | К/Вт | P-DIP-14-3 | |
| Температура при пайке | - | - | 260 |
|
- | |
| Время пайки | - | - | 10 | с | - | |
2 Анализ алгоритма работы ИМС TDA16846
Структурная схема ИМС TDA 16846 приведена в приложение А [4].
2.1 Поведение устройства в момент запуска (вывод 14)
Когда к микросхеме подключается питание, и напряжение V14 на выводе 14 (VCC) - меньше чем верхний порог (VON) компаратора напряжения питания (SVC), ток I14 будет менее 100 мкА. Микросхема не активна, выходной сигнал (вывод 13) и сигнал управления (вывод 4) будут поддерживаться в состоянии низкого уровня. Когда V14 превышает верхний порог компаратора напряжения питания (VON), микросхема начинает работать и увеличивается ток I14. Когда напряжение V14 падает ниже нижнего порога компаратора напряжения питания (VOFF), микросхема переходит снова в её начальное состояние. На рисунке 2.1 показана схема запуска, а на рисунке 2.2 показано напряжение V14 в момент запуска [4].

Рисунок 2.1 - Упрощенная схема запуска.

Рисунок 2.2 - Диаграмма напряжения питания в момент запуска.
Зарядка C14 осуществляется резистором R2 “инициализация тока первичной обмотки” (см. позже) и внутренним диодом D1, таким образом, нет необходимости, чтобы в момент запуска ток ограничивался резистором. Конденсатор C14 является источником тока пока вспомогательная обмотка трансформатора не запитает микросхему током через внешний диод D14.
Рекомендуется подключить конденсатор небольшой емкости (например, 100 нФ) параллельно электролитическому конденсатору на выводе 14 как показано на схеме приложения Б.
2.2 Инициализация тока первичной обмотки (вывод 2-PCS). Ограничение тока
Напряжение, пропорциональное току мощного транзистора подводится к выводу 2 RC - комбинацией R2C2 (рисунок 2.1). Напряжение на выводе 2 поддерживается на уровне 1,5 В, тогда мощный транзистор выключен, и в течение этого времени C2 заряжается через R2. Связь V2 и тока в мощном транзисторе IP это [4]:
(2.1)
где Lp- индуктивность первичной обмотки трансформатора.
Напряжение V2 прикладывается к одному входу компаратора управления временем включения (ONTC) (см. приложение А). Другой вход это управляющее напряжение. Если V2 превышает управляющее напряжение, выходной каскад выключается (ограничение тока). Максимальное значение управляющего напряжения это внутреннее опорное напряжение 5В, так что максимальное значение тока мощного транзистора это [4]:
(2.2)
Управляющее напряжение может быть уменьшено либо усилителем ошибки EA (токовый режим регулирования) или оптопарой на выводе 5 (электрически развязанное управление при помощи оптопары) или напряжением V11 на выводе 11 (режим обратной связи).
2.3 Управление по цепи обратной связи (вывод 11- PVC)
Напряжение V11 поступает через делитель напряжения с диодного моста и уменьшает ограничение возможного максимального тока в мощном транзисторе, если напряжение сети увеличивается. То есть это ограничение независимо от напряжения сети (активизируется только в рабочем режиме). Максимальный ток зависит от напряжения V11 на выводе 11 следующим образом [4]:
(2.3)
2.4 Схема управления временем выключения (вывод 1-OTC)
Рисунок 2.4.1 показывает схему управления выключением, которая определяет зависимость изменения частоты от величины сопротивления нагрузки [4].

Рисунок 2.3 - Схема управления временем выключения.
Когда выходной каскад выключен (рисунок 2.4) конденсатор С1 заряжается током I1 (примерно 1 мА) пока напряжение на конденсаторе не достигнет 3,5 В.

Рисунок 2.4 - Диаграммы напряжений схемы управления временем выключения
Время заряда ТС1 это [4]:
(2.4)
Для надежного функционирования специальной внутренней схемы защиты от помех, время заряда ТС1 должно иметь то же самое значение что и резонансное время TR силовой цепи (рисунок 2.4). После заряда С1 вплоть до 3.5В источник тока отключается и С1 разряжается через резистор R1. Напряжение V1 на выводе 1 прикладывается к компаратору времени выключения (OFTC). Другой вход компаратора времени выключения это управляющее напряжение. Значение управляющего напряжения на входе компаратора времени выключения ограничено на уровне 2В (для устойчивости частоты при очень малой мощности нагрузки). Триггер управления временем включения ONTF действует, если выходной сигнал OFTC имеет высокий уровень (то есть V1 становится меньше чем ограниченное управляющее напряжение), и напряжение V3 на выводе 3 падает ниже 25 мВ (высокий сигнал, проходящий через ноль). Это гарантирует включение мощного транзистора при минимальном напряжении. Если никакой сигнал, пересекающий ноль не идет на вывод 3, то мощный транзистор включится после дополнительной задержки, когда V1 упадет ниже 1,5 В (смотри рисунок 2.3 OFTCD). Пока V1 выше, чем ограниченное управляющее напряжение, ONTF находится в выключенном состоянии, чтобы запретить ошибочные нулевые пересечения V3 из-за паразитных колебаний от трансформатора после включения. Время разрядки конденсатора C1 является функцией управляющего напряжения.
Если управляющее напряжение меньше 2В (низкая выходная мощность) время выключения максимальное и постоянное
Рисунок 2.5 показывает изменение частоты преобразователя в зависимости от выходной мощности [4].

Рисунок 2.5 - Изменение частоты выходного сигнала в зависимости от сопротивления нагрузки
2.5 Усилитель ошибки EA/мягкий запуск (вывод 3, вывод 4)
Рисунок 2.6 показывает упрощенную схему усилителя ошибки [4].

Рисунок 2.6 - Усилитель ошибки
На не инвертирующий вход усилителя ошибки подается опорное напряжение 5В. А на инвертирующий вход – импульсное выходное напряжение от вспомогательной обмотки трансформатора, которое подается через делитель R31 и R32. Конденсатор C3 служит только для задержки нулевых переходов и сглаживания первых скачков напряжения после выключения. Сглаживание регулирующего напряжения осуществлено с помощью конденсатора плавного включения С4 на выводе 4. В течение старта конденсатор С4 заряжается током примерно 2 мкА (мягкий старт). Рисунок 2.7 показывает графики напряжений схемы усилителя ошибки [4].

Рисунок 2.7 -Графики напряжений схемы усилителя ошибки.
2.6 Стабилизация частоты и схема синхронизации (вывод 7 -SYN)
Рисунок 2.8 показывает схему синхронизации и стабилизации частоты.

Рисунок 2.8 - Схема синхронизации и стабилизации частоты
Схема неработоспособна, когда вывод 7 не присоединен. С R7 и С7 на выводе 7 схема работает. Конденсатор С7 быстро заряжается током примерно 1мА и медленно разряжается через резистор R7 (рисунок 2.8). Мощный транзистор включается в начале фазы зарядки. Частота переключений (время заряда игнорируется) [4]:
(2.5)
Когда схема генератора работает, обратная связь блокирована (нет необходимости для установки режима). Включение микросхемы возможно только когда прохождение нуля будет иметь место на выводе 3, иначе включение будет задерживаться (рисунок 2.9) [4].

Рисунок 2.9 - Графики импульсов для схемы фиксирования частоты.
Также возможен режим синхронизации. Частота синхронизации должна быть выше, чем частота генератора.
На рисунке 2.10 представлена внешняя схема синхронизации [4].

Рисунок 2.10 - Внешняя схема синхронизации.
3 Анализ принципиальной электрической схемы
3.1 Анализ схемы включения ИМС TDA16846
Один из возможных вариантов схемы включения ИМС TDA16846 приведен в приложении Б [4].
Опишем принцип работы ИМС в составе импульсного источника питания.
Сетевое напряжение 220В через предохранитель F1 поступает на помехоподавляющий LС - фильтр предназначенный для подавления импульсных помех, которые могут проникать из схемы импульсного питания в сеть.
С фильтра сетевое напряжение поступает на мостовую схему выпрямителя (диоды D1-D4), выпрямляется и заряжает конденсатор С7.
Преобразователь напряжения выполнен на мощном полевом транзисторе T1 и трансформаторе ТR1 и работает по обратно – ходовому принципу, т.е. в фазе отпирания транзистора T1 (на прямом ходу) происходит накопление энергии в магнитном поле трансформатора ТR1, а в фазе запирания (на обратном ходу) – накопленная энергия передается в нагрузку.
Для ограничения скорости нарастания напряжения на стоке транзистора T1 параллельно первичной обмотке трансформатора ТR1 включен конденсатор С9, что необходимо для исключения помех оказываемых источником питания на приборы.
Нарастающее напряжение на обмотке трансформатора ТR1 после закрывания транзистора T1 трансформируется во вторичные цепи и через выпрямительные диоды подзаряжает сглаживающие конденсаторы фильтров вторичных источников питания – происходит передача накопленной в магнитном поле энергии. По окончанию накопленной энергии напряжение на обмотках трансформатора ТR1 уменьшается, и выпрямительные диоды закрываются. При последующем открывании транзистора T1 происходит накопление очередной порции энергии в магнитном поле трансформатора ТR1.
Регулируя время открытого состояния транзистора T1, можно изменять количество накопленной энергии, отдаваемой в нагрузку, и таким образом осуществлять групповую стабилизацию выходных напряжений.
Энергия, накапливаемая в магнитном поле трансформатора ТR1, поступает с конденсатора С7, который, в свою очередь, подзаряжается от схемы накачки заряда, состоящей из диодов D8, D9, дросселя L8 и конденсатора С8. Схема накачки зарядом позволяет повысить коэффициент мощности, т.е. приблизить форму потребляемого тока из сети переменного тока к форме сетевого напряжения, что благоприятно сказывается на снижении действующего значения тока в электрической сети и уменьшает потери электроэнергии (см. пункт 1 – коррекция коэффициента мощности).
Схема накачки заряда работает следующим образом: во время открытого состояния транзистора T1 происходит накопление магнитной энергии в дросселе L8. При этом количество накапливаемой энергии зависит от напряжения на конденсаторе С7 в каждое очередное отпирание транзистора T1, но так как емкость конденсатора С7 выбрана сравнительно небольшой, то напряжение на конденсаторе С7 оказывается модулированным формой напряжения питающей сети и потребляемый из питающей сети ток на подзарядку конденсатора С7 будет также модулирован сетевым напряжением.
Накопленная в фазе открытого состояния транзистора T1 энергия в индуктивности дросселя L8 передается конденсатору С8 при закрывании транзистора T1. При этом конденсатор С8 перезаряжается током от первичной обмотки трансформатора ТR1.
Заряженный в фазе запертого состояния транзистора T1 конденсатор С8 используется для накачки дросселя L8 при отпирании транзистора T1.
Наличие схемы накачки заряда позволяет также отказаться от ограничителя амплитуды, паразитного выброса напряжения на стоке силового транзистора, обусловленного индуктивностью рассеяния трансформатора ТR1, т.к. вся паразитная энергия этой индуктивности в чистом виде через диод D9 идет на заряд конденсатора С8, а затем, на накачу дросселя L8, следовательно, нет дополнительных потерь мощности.
Для управления транзистором T1 во всех режимах работы и осуществления групповой стабилизации на ИМС IC1 выполнено устройство управления преобразователем напряжения. Главной особенностью данной ИМС является возможность приведения рабочей частоты переключения транзистора в соответствии с величиной сопротивления нагрузки так, чтобы при минимальной нагрузке частота переключения была минимальной, а при возрастании величины нагрузки частота увеличивается. Включение транзистора T1 происходит при минимальном напряжении. Такое включение ИМС наилучшим образом подходит для ИИП с коррекцией коэффициента мощности.
Минимальная рабочая частота (дежурный режим) задается элементами, подключенными к выводу 1 ИМС IC1. Вывод 2 ИМС IC1 используется для имитации тока силового транзистора, а элементы, подключенные на данный вывод, определяют максимально разрешенный ток. Вывод 3 ИМС IC – детектор нуля, запрещает включение транзистора T1 до окончания полной передачи энергии трансформатором в нагрузку. Вывод 4 ИМС IC – выход усилителя ошибки, конденсатор С25 определяет скорость плавного запуска ИМС. Вывод 5 используется для управления напряжением через оптопару IC2. Вывод 6 – компаратор напряжения. Если напряжение на этом выводе превысит величину 1,2В, то работа ИМС IC1 блокируется. Вывод 7 используется для задания фиксированной частоты переключения или для синхронизации ИИП. Вывод 8 – не задействован. Вывод 9 ИМС IC1 – опорное напряжение +5 В. Вывод 10 – компаратор напряжения. Если напряжение на этом выводе превысит величину 1,0В, то работа ИМС IC1 блокируется. Вывод 11– контроль напряжения. Если напряжение на этом выводе ниже 1,0В, то силовой транзистор T1 выключен. Вторая функция данного вывода – коррекция максимального тока накачки силового транзистора T1 по напряжению в сети. Вывод 12 ИМС – общий. Вывод 13 – выход для управления силовым транзистором T1. Вывод 14 ИМС IC1 – питающее напряжение.
3.2 Электрические характеристики микросхемы TDA16846
Электрические характеристики ИМС приведены в таблицах 3.1-3.14.
Если
дополнительно не указано, то: -25
<Tj<125
, VCC=12
В.
Таблица 3.1 – Параметры цепи запуска ИМС (вывод 14 - VCC).
| Параметр | Обозначение | Значение | Единица измерения | Примечания | ||
| min | typ | max | ||||
| Ток потребления в выключенном состоянии |
I14 |
- | 40 | 100 | мкА |
0<VCC<V14ON |
| Ток потребления во включенном состоянии |
I14 |
- | 5 | 8 | мА | На выходе сигнал низкого уровня |
| Пороговое напряжение включения |
V14ON |
14,5 | 15 | 15,5 | В | - |
| Пороговое напряжение выключения |
V14OFF |
7,5 | 8 | 8,5 | В | - |
Таблица 3.2 – Параметры источника опорного тока (вывод 2 - PCS).
| Параметр | Обозначение | Значение | Единица измерения | Примечания | ||
| min | typ | max | ||||
| Основная величина | V2 | 1,45 | 1,5 | 1,55 | В | I2=100 мкА |
| Пиковое значение | V2 | 4,85 | 5 | 5,15 | В | V11=1,2 В |
| Время включения | - | 9 | 10,5 | 11,5 | мкс |
V11=1,2 В C2=220 пФ I2=75 мкА |
| Ток смещения | - | -1 | -0,3 | - | мкА | - |
Таблица 3.3 – Параметры цепи обратной связи (вывод 11 - PVC).
| Параметр | Обозначение | Значение | Единица измерения | Примечания | ||
| min | typ | max | ||||
| Пиковое значение | V2 | 3,8 | 4,1 | 4,3 | В | V11=4,5 В |
| Время включения | - | 6,2 | 7,5 | 8,5 | мкс |
V11=1,2 В C2=220 пФ I2=75 мкА |
|
Ток смещения по выводу 11 |
- | -1,0 | -0,3 | - | мкА | - |
Таблица 3.4 - Цепь управления временем выключения (вывод 1 - ОТС).
| Параметр | Обозначение | Значение | Единица измерения | Примечания | ||
| min | typ | max | ||||
| Ток заряда | I1 | 0,9 | 1,1 | 1,4 | мА | V3>3 В |
| Ток заряда | I1 | 0,35 | 0,5 | 0,65 | мА | V3<2 В |
| Пиковое значение | V1 | 3,38 | 3,5 | 3,62 | В | - |
| Основная величина | V1 | 1,92 | 2 | 2,08 | В | - |
| Время выключения | TD1MAX | 65 | 72 | 80 | мкс |
C1=680 пФ R1=100 кОм |
|
Ток смещения по выводу 1 |
- | -1,1 | -0,4 | - | мкА | - |
| Порог сигнала «перехода через нуль» (вывод 3) | - | 15 | 25 | 35 | мВ | - |
| Задержка включения | - | 280 | 350 | 480 | нс | - |
|
Ток смещения по выводу 3 |
- | -2 | -1,2 | - | мкА | V3<25 мВ |
Таблица 3.5 – Параметры усилителя сигнала ошибки (вывод 3, вывод 4 - ЕА).
| Параметр | Обозначение | Значение | Единица измерения | Примечания | ||
| min | typ | max | ||||
|
Порог включения (вывод 3) |
VEATH | 4,85 | 5 | 5,15 | В | - |
| Ток смещения | - | - | -0,9 | - | мкА | V3>3 В |
| Ток заряда для плавного запуска | - | -2,5 | -1,8 | -1,2 | мкА | - |
Таблица 3.6 - Вход оптопары (вывод 5).
| Параметр | Обозначение | Значение | Единица измерения | Примечания | ||
| min | typ | max | ||||
| Диапазон входного напряжения | V5 | 0,3 | - | 6 | В | - |
| Номинал резистора при подключении его к VREF | R1 | 15 | 20 | 25 | кОм | - |
Таблица 3.7 - Цепь синхронизации и стабилизации частоты (вывод 7 - SYN).
| Параметр | Обозначение | Значение | Единица измерения | Примечания | ||
| min | typ | max | ||||
| Частота | - | 78 | 88 | 98 | кГц |
C7=470 пФ R7=20 кОм |
| Ток заряда | I7 | 1 | 1,3 | 1,6 | мА | - |
| Верхний порог | V7 | 3,5 | 3,6 | 3,7 | В | - |
| Нижний порог | V7 | 1,43 | 1,5 | 1,57 | В | - |
| Время заряда | - | 0,4 | 0,55 | 0,75 | мкс | - |
|
Ток смещения по выводу 7 |
- | -2,4 | -1,8 | -1,1 | мкА | - |
| Диапазон входного напряжения | V7 | 0,3 | - | 6 | В | - |
Таблица 3.8 – Напряжение выключения ИМС (вывод 14 - SVC).
| Параметр | Обозначение | Значение | Единица измерения | Примечания | ||
| min | typ | max | ||||
| Порог | V14OFF | 7,5 | 8 | 8,5 | В | - |
Таблица 3.9 – Защита от превышения напряжения питания (вывод 14 - ОV).
| Параметр | Обозначение | Значение | Единица измерения | Примечания | ||
| min | typ | max | ||||
| Порог | V14ON | 15,7 | 16,5 | 17 | В | - |
Таблица 3.10 - Контроль опорного напряжения (вывод 11 - PVC).
| Параметр | Обозначение | Значение | Единица измерения | Примечания | ||
| min | typ | max | ||||
| Порог | V11 | 0,95 | 1 | 1,06 | В | - |
Таблица 3.11 - Уровень опорного напряжения на выводе 9.
| Параметр | Обозначение | Значение | Единица измерения | Примечания | ||
| min | typ | max | ||||
|
Напряжение на выводе 9 |
V9 | 4,8 | 5 | 5,15 | В | I9=100 мкА |
| Ток по выводу 9 | I9 | -200 | - | 0 | мкА |
VEATH(вывод3)- V9<100 мВ |
Таблица 3.12 - Компаратор ошибки (вывод 6 - FC2).
| Параметр | Обозначение | Значение | Единица измерения | Примечания | ||
| min | typ | max | ||||
| Порог срабатывания | V6 | 1,12 | 1,2 | 1,28 | В | - |
|
Ток смещения по выводу 6 |
- | -1,0 | -0,3 | 0,1 | мкА | - |
Таблица 3.13 - Компаратор ошибки (вывод 10 - FC1).
| Параметр | Обозначение | Значение | Единица измерения | Примечания | ||
| min | typ | max | ||||
| Порог срабатывания | V10 | 0,95 | 1 | 1,06 | В | - |
|
Ток смещения по выводу 10 |
- | 0,48 | 0,9 | 1,2 | мкА | - |
Таблица 3.14 – Параметры выходного каскада (вывод 13 - OD).
| Параметр |
Обозначе ние |
Значение | Единица измерения | Примечания | ||
| min | typ | max | ||||
| Выходное напряжение низкого уровня | V13low | 1,1 | 1,8 | 2,4 | В | I13=100 мА |
| Выходное напряжение высокого уровня | V13high | 9,2 | 10 | 11 | В | I13=-100 мА |
| Напряжение на выходе при пониженном напряжении питания | V13aclow | 0,8 | 1,8 | 2,5 | В |
I13=-10 мА V14 повышается 0<V14<V14ON V14 уменьшается 0<V14<V14OFF |
| Время нарастания выходного сигнала | - | 70 | 110 | 180 | нс |
C13=10 нФ V13=2...8 В |
| Время спада выходного сигнала | - | 30 | 50 | 80 | нс |
C13=10 нФ V13=2…8 В |
3.3 Анализ электрической принципиальной схемы ИМС TDA16846
Анализ принципиальной электрической схемы проводим на ПК с помощью системы проектирования электронных устройств OrCAD 9.2.
Первоначально проведем анализ блоков схемы для проверки функционирования каждого из них.
Проанализируем сначала цепи питания ИМС. Как видно из структурной схемы (приложение А) Основными блоками цепи питания являются: источник опорного напряжения - REF, компаратор напряжения питания – SVC и компаратор перенапряжения - OVC. На рисунке 3.1 приведена электрическая принципиальная схема трех этих каскадов.
Источник опорного напряжения (REF) должен вырабатывать напряжение 5±0.15В (см таблицу 3.11), независимо от напряжения питания микросхемы.
Компаратор напряжения питания – компаратор с гистерезисом. Согласно таблицы 3.1, верхний порог переключения этого компаратора составляет 15±0.5В, Нижний порог переключения 8±0,5В. Компаратор включен таким образом, что управляет опорным напряжением. При срабатывании компаратора, он разрешает либо блокирует подачу опорного напряжения на всю схему, таким образом он включает или выключает ИМС.
Компаратор перенапряжения – защита от перенапряжения по цепи питания, порог срабатывания которого согласно 16,5±0.5В (таблица 3.9).
Результаты компьютерного моделирования описанных блоков приведены на рисунке 3.2. Как видно из диаграмм все блоки выполняют свои функции, причем значения потенциалов полученные при моделирования совпадают с указанными в технической документации на ИМС TDA16846.
Рис.3.2

Рисунок 3.2 – Диаграммы работы блоков ИМС по цепи питания.
1 – Напряжение источника питания;
2 – Напряжение стабилизатора;
3 – Диаграмма срабатывания компаратора защиты от превышения напряжения питания
Промоделируем работу выходного каскада ИМС совместно с логическим элементом G3 на его входе. Сигналы управления будем подавать на входы логического элемента. Логический элемент представляет из себя 3-х входовой элемент “И”- G3 (Приложение А). Как видно из структурной схемы, на верхний и нижний входы элемента подаются сигналы защиты, то есть в отсутствии “аварийных ситуаций” на этих входах присутствуют уровни напряжения соответствующие логической единице. На средний же вход подается управляющие импульсы прямоугольной формы с частотой порядка 20-100 кГц.
Согласно таблицы 3.14 верхний уровень выходных импульсов должен составлять 10±0.5 В, нижний уровень 1,5 – 2,4 В [4].
Для моделирования на два входа G3 подаем постоянные потенциалы 1 В посредством источников V2, V3. На оставшийся вход подаем импульсное напряжение посредством источника V4. Уровни импульсов нижнего и верхнего примем 0 и 1В соответственно, а частоту 20кГц.
В качестве нагрузки вместо МОП-транзистора включаем эквивалентную нагрузку – резистор RH1.
Схема электрическая принципиальная выходного каскада (Output Driver) и логического элемента G3 приведена на рисунке 3.3.
Диаграмма работы данных блоков приведена на рисунке 3.4.
Как видно из диаграмм полученные результаты удовлетворяют необходимым в соответствии с техническим описанием на ИМС TDA16846.
| Рисунок 3.3 - Схема электрическая принципиальная выходного каскада с логическим элементом на входе. |


1 – Входной сигнал;
2 – Выходной сигнал;
3 – Ток через нагрузку.
Рисунок 3.4 – Диаграммы работы выходного каскада и логического элемента G3.
Компараторы, такие как PVA, PVC, FC1, FC2 построены по одному принципу. Их основой является дифференциальный каскад на p-n-p транзисторах. В качестве нагрузки дифференциального каскада используется токовое зеркало на n-p-n транзисторах. Принцип работы компаратора в том, что он выставляет на своем выходе напряжение высокого или низкого уровня в зависимости от потенциалов на его входах.
Промоделируем работу компараторов на примере компаратора ошибок FC1.
На один вход компаратора подается опорное напряжение 1,2В с источника REF. На другой вход подается управляющее напряжение сигнала ошибки. При превышении сигнала ошибки уровня 1,2В происходит переключение компаратора.
На рисунке 3.5 приведена схема электрическая принципиальная компаратора ошибок FC1.

Рисунок 3.5 – Схема электрическая принципиальная компаратора ошибки FC1.
Результат моделирования данной схемы показан на рисунке 3.6.

1 – Опорное напряжение;
2 – Управляющий сигнал;
3 – Выходное напряжение.
Рисунок 3.6 – Диаграммы работы компаратора ошибки FC1.
Промоделируем работу блока ED1 – детектор перехода через “ноль” (условное название, на самом деле 25мВ) по выводу 3 микросхемы TDA16846. Принцип работы данной схема основан на том, что на один ее вход подается опорное напряжение 25мВ, а на другой управляющий сигнал. При пересечении опорного сигнала управляющим на выходе устройства происходит смена логического состояния на противоположное.
Схема данного блока приведена на рисунке 3.7 а диаграмма работы в на рисунке 3.8..

Рисунок 3.7 – Схема электрическая принципиальная блока детектора “нулевых” пересечений по выводу 3.

1 – Опорное напряжение;
2 – Входной сигнал;
3 – Выходной сигнал.
Рисунок 3.8 - Диаграмма работы детектора “нулевых” пересечений.
Проанализируем работу триггеров схемы ИМС. Построены все они одинаково, поэтому проведем анализ только одного триггера, например VOLF. VOLF – это RS триггер. На его выходе устанавливается напряжение, соответствующее уровню логической единицы или нуля в зависимости от напряжений на его входах. По выводу S (рисунок 3.9) происходит переключение триггера в единичное состояние, а по входу R сброс в нулевое.
Диаграммы работы RS триггера приведены на рисунке 3.10.

Рисунок 3.9 – Схема электрическая принципиальная триггера VOLF.

1 – Сигнал на S входе триггера;
2 – Сигнал на R входе триггера;
3 – Выходной сигнал.
Рисунок 3.10 – Диаграмма работы RS - триггера.
Рассмотрим функционирование блока управляющего напряжения BCV. Он предназначен для автоматического выбора того или иного управляющего напряжения. Посредством этого блока напряжение управления на схему ИМС поступает либо с вывода 4 либо с вывода 5 ИМС (см. структурную схему приложение А). Когда оптопара к выводу 5 не подключена, на один из входов рассматриваемого блока через резистор подается опорное напряжение с источника REF. На другой вход BCV подается управляющее напряжение, не превышающее порога 5В. Таким образом, на выходе блока имеется напряжение управления, поступающее с вывода 4 ИМС. Когда же оптопара подключена, напряжение на том выводе блока, где было 5В падает ниже минимального уровня управляющего напряжения с вывода 4, и BCV выдает на выходе управляющее напряжение с вывода 5 ИМС. Подводя итог можно сказать что блок BCV поставляет на схему то управляющее напряжение которое имеет в данный момент более низкий потенциал.
Схема электрическая принципиальная блока управляющего напряжения приведена на рисунке 3.11.
Для моделирования подаем сигналы не совсем реальные, но при которых можно убедиться в надлежащем функционировании данного блока. Диаграммы работы блока BCV приведены на рисунке 3.12.

Рисунок 3.11 - Схема электрическая принципиальная буфера управляющего напряжения (BCV).

1 – управляющее напряжение 1;
2 – управляющее напряжение 2;
3 – выходной сигнал.
Рисунок 3.12 – Диаграммы работы буфера управляющего напряжения.
Промоделируем динамику работы всей схемы электрической принципиальной (приложение В). Реальный анализ схемы в составе импульсного источника питания в программе проектирования электронных схем не возможен ввиду использования с схеме импульсного трансформатора, модель которого в данной программе отсутствует. Ввиду этого будем оценивать не реальные сигналы а лишь их поведение при различных условиях.
Как уже отмечалось выше одна из основных функций ИМС TDA16846 – зависимость частоты выходного сигнала от мощности нагрузки. Для наглядности покажем диаграммы выходного сигнала в зависимости от мощности нагрузки ИМС в составе ИИП приведенные в технической информации на микросхему (рисунок 3.13) [4].
|
|
|
|


Рисунок 3.13 – Диаграммы сигналов на входе 3 (а, в) и на выходе ИМС (б, г), для режимов большой и малой мощности нагрузки соответственно.
Как видно из рисунка 3.13 при уменьшении мощности нагрузки увеличивается число нулевых пересечений по выводу 3 ИМС из ва чего и происходит изменение частоты выходного импульса.
Для моделирования данной функции на вход детектора перехода через ноль подаем сначала синусоидальный сигнал, с какой то частотой и получаем сигнал на выходе ИМС (рисунок Д1), потом подаем тот же сигнал с большей частотой и получаем сигнал на выходе ИМС (рисунок Д2).
Сравнивая диаграммы на рисунках Д1 и Д2 можно сделать вывод, что сигналы по своему поведению сопоставимы с приведенными на рисунке 3.13, следовательно ИМС выполняет данную функцию.
4 Разработка физической структуры кристалла и технологического маршлута изготовления ИМС
Схема электрическая принципиальная разработана на основе биполярных транзисторов. Поэтому примем структуру кристалла изготовляемую по стандартной эпитаксиально – плонарной биполярной техпологии.
Для уменьшения площади кристалла ИМС в структуре предусмотреим двустороннюю разделительную диффузию. Для создания конденсаторов на основе МДП структуры необходимо предусмотреть наличие слоя Si3N4 под металической обкладкой.
В исходном кристалле TDA16846 имеется слой поликремния на котором выполнены большинство резисторов схемы, Так как ИМС проектируется для изготовления ее на предприятии ОАО Орбита, где отсутствует отработанная технология изготовления резисторов на поликремнии, то в структуру кристалла включим специальный резистивный слой,который представляет из себя слой p- типа проводимомти с поверхностным сопротивлением 700 Ом/ڤ.
При разработке физической структуры также необходимо учитывать что изготавливаться данная ИМС будет на предприятии ОАО “Орбита”. Поэтому будем придерживаться тех параметров структуры которые наиболее отработана на предприятии и хорошо конролируются.
Изобразим структуру кристалла разработанную с учетом вышеперечисленных особенностей. Так как самый сложный элемент структуры транзистор, то приведем структуру n-p-n и p-n-p– транзисторов Чтобы отобразить все слои структуры ИМС покажем также МДП конденсатор и резистор на резистивном слое. (рисунок 4.1).
|
|
1,2 – выводы резистора;
3,4,5 – выводы конденсатора.
Рисунок 4.1 – Физическая структура ИМС, а) n-p-n транзистор и резистор на резисторном слое, б) p-n-p транзистор и МДП конденсатор.
В состав ИМС входят следующие элементы:
а) NPN - транзисторы;
б) PNP - транзисторы горизонтальные;
в) резисторы на базовом слое;
г) резисторы на резисторном слое;
д) МДП- конденсаторы.
Используя данные о всех элементах используемых в схеме ИМС и слоях необходимых для создания данных элементов разработаем технологический маршрут изготовления ИМС.
Технологический маршрут изготовления ИМС
Исходный материал КДБ 10 (111)
Окисление
ФЛ “N+скр. слой”
ЖХТ +снятие Ф/Р.
Травление микрорельефа.
Диффузия сурьмы, 2 стадии.
Окисление 0,3 мкм.
ФЛ “Р+скр. слой”
И.Л. бора+отжиг.
Эпитаксия 10 мкм.
Окисление 0,3 мкм.
Травление SiO2.
Окисление 0,3 мкм.
Диффузия n+ - вертикального слоя.
Окисление 0,35 мкм.
ФЛ резисторный слой.
И.Л. резисторный слой.
Отжиг резисторного слоя.
ФЛ Базовый слой.
ИЛ Базовый слой
Отжиг базы.
ФЛ Эмиттерный слой.
Осаждение фосфора (1-я стадия).
Диффузия эмиттера (2-я стадия).
Осаждение Si3N4.
ФЛ Контактные окна.
ПХТ Контактные окна.
Подгонка Вст., контроль Вст.
Напыление Al-Si; 0,5 мкм.
ФЛ. “Ме-1” + ЖХТ
Осаждение ИД
ФЛ. ИД + ПХТ. ИД
Напыление “Ме-2” - Al-Si 1,2 мкм.
ФЛ “Ме-2” + ЖХТ. “Ме-2”.
Осаждение пассивирующего диэлектрика
ФЛ пассивации + ЖХТ.
Вплавление + контроль ВАХ.
Параметры разработанной физической структуры ИМС приведены в таблице 4.1.
Таблица 4.1 - Параметры физической структуры
| Слой | № лито-графии | Область структуры | Параметр | Единица измерения | Значение | ||
| Mин. | Тип. | Мaк. | |||||
| Н1 | p- подложка <111> |
rv |
Ом´см | – | 10 | – | |
| Н2 | 1 | n+ СС |
Rs |
Ом/кв. | 15 | 20 | 25 |
|
Xj |
мкм | 6.0 | 7.0 | 8.0 | |||
| Н3 | 6 | Р+ СС |
Rs * |
Ом/кв. | 90 | – | 120 |
|
Xj |
мкм | 3 | – | 6 | |||
| H4 | Эпитаксия | Толщина Hэ | мкм | 9,0 | 10.0 | 11.0 | |
|
repi |
Ом´см | 2,1 | 2,3 | 2,5 | |||
| H5 | 2 | n+ вертикальный коллектор |
Rs |
Ом/кв. | 4 | – | – |
|
Xj |
мкм | 6.0 | 7.0 | 8.0 | |||
| Резисторный слой |
RsR |
Ом´см | 700 | 1000 | 1300 | ||
|
Xj |
мкм | – | 0,5 | – | |||
| Н6 | 6 | База |
Rs * |
Ом/кв. | 180 | 200 | 220 |
|
Xj |
мкм | 2.2 | 2.3 | 2.4 | |||
| H8 | 11 | Эмиттер |
Rs |
Ом/кв | 5 | 7 | 9 |
|
Xj |
мкм | – | – | – | |||
| Н9 |
SiO2 : |
||||||
| N пленкой |
D SiO2 |
мкм | – | 0.3 | – | ||
| Глубоким кол. |
D SiO2 |
мкм | – | 0.3 | – | ||
| Разделением |
D SiO2 |
мкм | – | 0.3 | – | ||
| Базовыми обл. |
D SiO2 |
мкм | – | 0.3 | – | ||
| Эмиттерными обл. |
D SiO2 |
мкм | – | 0.3 | – | ||
| Н10 | Конд. диэл. Si3N4 | D Si3N4 | мкм | 0,09 | 0,1 | 1,1 | |
| H11 | 12 | Металл 1 AL+Si | D Me1 | мкм | 0,5 | 0,6 | 0,7 |
| H12 | 13 | Изолирующий диэлектрик |
D SiO2 |
мкм | – | 0.3 | – |
| H13 | 14 | Металл 2 Al+Si | D Me2 | мкм | – | 1.2 | – |
| H14 | 15 | Пассивация |
D SiO2 |
мкм | – | 1 | – |
Основные электрические пареметры элементов разработанной ИМС приведены в таблице 4.2.
Таблица 4.2 - Электрические параметры элементов
| Элементы | Параметры | Нижний предел | Типовое | Верхний предел |
|
NPN транзистор Sэм= 9´9 мкм2 |
Коэффициент усиления Iк=10мкA | 100 | 150 | 200 |
| Напряжение пробоя К-Э Iк=100 мкA | 20 В | – | 30 | |
| Напряжение пробоя Э-Б Iэ=10мкA | 6,2* В | 6.5* В | 6.8*В | |
| Прямое напряжение Э-Б Iэ=50мкA | 0,7 В | 0.75 В | 0.8 В | |
| Напряжение пробоя К-Б Iк=10 мкA | 40 В | – | 60 | |
| Напряжение пробоя К-П I=10 мкA | 30 В | – | – | |
| PNP транзистор латеральный | Коэффициент усиления Iк=100мкA Uкэ=5В | 30 | – | – |
| Напряжение пробоя К-Э Iк=10мкA | 40 В* | – | – | |
| Резисторы на базовом слое | Поверхностное сопротивление | 180Ом/кв | 200 Ом/кв | 220 Ом/кв |
| Резисторы на резисторном слое | Поверхностное сопротивление |
700* Ом/кв |
1000* Ом/кв | 1300* Ом/кв |
5 Разработка топологии ИМС
5.1 Разработка библиотеки элементов
Разработку топологии проектируемой ИМС проведем с помощью программы проектирования топологии ПАРОМ. В качестве исходной информации при проектировании используем фотографию кристалла ИМС TDA16846 и проектные нормы на разработку топологии.
На первом этапе проектирования на исходном кристалле TDA16846 произведем замеры геометрических размеров всех областей образующих те или иные элементы. Используя полученные сведения о размерах и конфигурации элементов приступаем к разработке библиотеки элементов. Библиотека представляет собой набор файлов формата программы ПАРОМ. Каждый файл содержит топологию отдельного элемента. В файл топологии ИМС элементы вызываются из соответствующих файлов библиотеки.
Приведем разработаннкю библиотеку элементов. На примере n-p-n транзистора (рисунок 5.1) покажем обозначение слоев всех транзисторов данного типа имеющихся в библиотеке (на специфичных элементах внесены соответствующие дополнения). Также на примере этого трранзистора покажем обозначение размеров элементов.

К - коллектор;
Б – база;
Э – эмиттер.
Рисунок 5.1 – Обозначение слоев и размеров у n-p-n транзисторов библиотеки
В разработанную библиотеку не включены во первых конденсаторы так как их количество мало, все они имеют различную емкость а следовательно различную конфигурацию. Во вторых не включены резисторы, так как конфигурация каждого из них индивидуальна. Необходимо также отметить что конфигурация конденсаторов и резисторов неизбежно не однозначна и меняется в процессе разработки топологии.
Итак, разработана библиотека элементов, теперь используя разработанную библиотеку приступим к следующему этапу – компоновке элементов и блоков.
5.2 Компоновка элементов и блоков
Перед тем как приступать к компоновке элементов рассмотрим основные правила проектирования топологии ИМС.
Главное требование при разработке топологии - максимальная плотность упаковки элементов при минимальном количестве пересечений межэлементных соединений. При этом обеспечивается оптимальное использование площади кристалла при выполнении всех конструктивных и технологических требований и ограничений.
При разработке топологии ИМС необходимо придерживаться следующих основных правил проектирования топологии полупроводниковых ИМС с изоляцией p-n-переходом [5]:
1) Для учета влияния диффузии примеси под маскирующий окисел, растравливания окисла, ошибок фотолитографии при составлении топологической схемы все элементы схем, кроме контактных площадок, рекомендуется размещать на расстоянии от щели под разделительную диффузию, равном удвоенной толщине эпитаксиального слоя.
2) К изолирующим p-n-переходам всегда должно быть приложено напряжение обратного смещения, что практически осуществляется подсоединением подложки p-типа, или области разделительной диффузии p-типа, к точке схемы с наиболее отрицательным потенциалом.
3) При размещении элементов микросхем и выполнении зазоров между ними необходимо строго выполнять ограничения, соответствующие типовому технологическому процессу.
4) Резисторы, формируемые на основе базового диффузионного слоя, можно располагать в одной изолированной области, которая подключается к самому положительному потенциалу схемы.
5) Резисторы на основе эмиттерного и резисторного слоев следует располагать в отдельных изолированных областях.
6) Реальная форма резисторов, кроме ширины полоски, не является критичной. Резисторы могут быть прямыми, изогнутыми или иметь любую другую форму, однако во всех случаях отношение длины резистора к его ширине должно быть согласовано с удельным сопротивлением исходного диффузионного слоя и обеспечено получением заданного номинала. Высокоомные резисторы следует выполнять в виде параллельных полосок с перемычками между ними. Номинальное сопротивление резистора в этом случае будет выдержано более точно, чем при изогнутом резисторе.
7) Для уменьшения мест локального нагрева резисторы с большой рассеиваемой мощностью не следует располагать вблизи активных элементов, а рекомендуется выносить их на край кристалла.
8) Резисторы, у которых нужно точно выдержать отношение номиналов, должны иметь одинаковую ширину и конфигурацию и располагаться рядом друг с другом. Это правило относится и к другим элементам микросхем, для которых требуется обеспечить согласование характеристик, т.е. их топологии должны быть одинаковы, а взаимное расположение - как можно более близким.
9) Любой диффузионный резистор может пересекаться проводящей дорожкой, так как проведение металлического проводника по слою двуокиси кремния, покрывающего резистор, не оказывает существенного вредного влияния.
10) Форма и место расположения конденсаторов не является критичными.
11) Для диффузионных конденсаторов требуются отдельные изолированные области. Исключение составляют случаи, когда один из выводов конденсатора является общим с другой изолированной областью.
12) Транзисторы n-p-n-типа, работающие в режиме эмиттерного повторителя, можно размещать в одной изолированной области вместе с резисторами.
13) Все коллекторные области n-типа, имеющие различные потенциалы, должны быть изолированы.
14) Для каждого диода, формируемого на основе перехода коллектор-база, должна быть предусмотрена отдельная изолированная область. Диоды, формируемые на основе перехода эмиттер-база, можно размещать в одной изолированной области.
15) Для улучшения развязки между коллекторными изолированными областями контакт к подложке рекомендуется выполнять в непосредственной близости от мощного транзистора.
16) Для диффузионных областей требуются отдельные изолированные области.
17) Для уменьшения паразитной емкости между контактными площадками и подложкой под каждой из них рекомендуется создавать изолированную область. В этом случае емкость между контактной площадкой и подложкой оказывается включенной последовательно с емкостью изолирующего перехода и, следовательно, результирующая паразитная емкость уменьшается.
18) Соединения, используемые для ввода питания и заземления, следует выполнять в виде коротких широких полосок, что обеспечивает уменьшение паразитных сопротивлений.
19) Число внешних выводов в схеме, а также порядок расположения и обозначения контактных площадок выводов микросхем на кристалле должны соответствовать выводам корпуса.
20) Коммутация элементов микросхем должна иметь минимальное количество пересечений. Если полностью избежать пересечений не удается, их можно осуществить, используя обкладки конденсаторов, формируя дополнительные контакты к коллекторным областям транзисторов, применяя диффузионные перемычки и создавая дополнительные слои изоляции между пересекающимися проводниками. При разработке топологической схемы необходимо стремиться к получению минимально возможной длины межэлектродных соединений.
21) Расстояние между диффузионной базовой областью и контактом коллектора может быть увеличено, чтобы провести одну или две металлические дорожки между контактами коллектора и базы. Это можно сделать, так как коллекторный ток главным образом протекает от базы через скрытый слой к коллекторному контакту. Металлический проводник не может быть размещен между контактами базы и эмиттера за счет удлинения базового слоя.
22) Наиболее важным правилом при разработке топологии является минимизация площади, занимаемой микросхемой. Это позволяет увеличить число микросхем, изготовляемых на пластине. Кроме того, необходимо учесть, что вероятность случайных дефектов в полупроводниковом кристалле возрастает с увеличением площади. Размеры микросхем зависят от числа изолирующих областей и их площади, а также от суммарной площади соединительной металлизации, включая площадь, занимаемую контактными площадками.
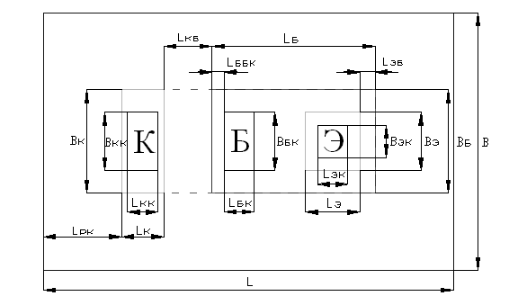
Осуществим первоначальную компоновку блоков ИМС, для чего разметим площадь кристалла. Разметку проведем в соответствии с правилами проектирования топологии (рисунок 5.8).

Рисунок 5.8 – Компоновка блоков ИМС на площади кристалла (обозначение блоков соответствует обозначениям на структурной схеме – приложение А).
Однако разметка является весьма условной и будет уточнена при компоновке элементов ИМС. Компоновку элементов также проводим в соответствии с правилами проектирования топологии.
Трассировку межэлементных соединений в разрабатываемой ИМС проводим посредством двухслойной металлизации. Толщины металла и изолирующего диэлектрика приведены в таблице 4.1
Разработанная топология ИМС приведена в приложение Г.
6 Расчет сметы затрат на проектирование ИМС
Целью данного дипломного проекта является проектирование ИМС для управления импульсным источником питания.
Так как дипломный проект носит характер научной разработки, то в организационно - экономической части проведем анализ организации выполнения дипломного проекта и рассчитаем затраты на проектирование.
6.1 Организационная часть
В процессе выполнения дипломного проекта определим рациональность организации своего труда. Для этого необходимо сопоставить запланированное время на проектирование ИМС и оформление дипломного проекта с фактически затраченным. На первом этапе составим план работы, определим исполнителей и рассчитаем плановую трудоемкость выполнения отдельных этапов работы, рассчитаем удельный вес каждого этапа в общем времени, отведенном на дипломное проектирование. А затем проведем аналогичные расчеты по фактическим данным. Результаты расчетов приведены в таблице 6.1 [5].
Таблица 6.1 – Трудоемкость работы
| Этап | Содержание работы | Исполнитель | Трудоемкость | |||
| плановая | фактическая | |||||
| Чел.ч | % | Чел.ч | % | |||
| 1 | Составление задания на дипломный проект |
Руководитель Дипломник |
0,5 0,5 |
0,09 0,09 |
0,5 0,5 |
0,09 0,09 |
| 2 | Обзор литературы по тематике проекта | Дипломник | 41,5 | 7,68 | 18,0 | 3,35 |
| 3 | Проектирование | Дипломник | 320,0 | 59,25 | 360,0 | 67,10 |
| 4 | Консультации по экологичности и безопасности |
Консультант Дипломник |
1,0 1,0 |
0,19 0,19 |
1,0 1,0 |
0,19 0,19 |
| 5 | Консультации по организационно-экономической части |
Консультант Дипломник |
1,0 1,0 |
0,19 0,19 |
1,0 1,0 |
0,19 0,19 |
| 6 | Консультации по написанию дипломного проекта | Руководитель | 23,5 | 4,35 | 23,5 | 4,38 |
| 7 | Оформление дипломного проекта (на компьютере) | Дипломник | 150,0 | 27,78 | 130,0 | 24,23 |
| ИТОГО: | 540,0 | 100,00 | 536,5 | 100,00 |
Из данной таблицы видно, что фактическая трудоемкость составила 536,5 человекочасов, что на 3,5 часа меньше запланированной.
Отклонения произошли на 2-м, 3-м и 7-м этапах. На обзор литературы по тематике проекта было потрачено времени значительно меньше, чем было запланировано, что объясняется малым количеством источников информации по настоящей теме дипломного проекта и возможностью получения информации из источников ИНТЕРНЕТ.
Больше времени потребовалось для проектирования ИМС ввиду отсутствия практики моделирования больших схем. Оформление дипломного проекта заняло немного меньше времени ввиду совершенствующихся навыков при работе с персональным компьютером.
6.2 Экономическая часть
Затраты, связанные с выполнением дипломного проекта, рассчитываются по смете, которая включает следующие статьи:
а) материалы (в том числе затраты на электроэнергию);
б) расходы на оплату труда;
в) единый социальный налог;
г) амортизационные отчисления;
д) прочие расходы.
Поочередно проведем расчет затрат по каждой статье.
Расчет затрат на материалы. В данном дипломном проекте производилось только проектирование ИМС, которое не предусматривает затрат каких - либо материалов. Поэтому в этом пункте рассчитаем только затраты на электроэнергию.
Стоимость расходов на электроэнергию вычисляется по формуле:
, (6.1)
где W – потребляемая мощность оборудования, кВт;
CЭН – стоимость 1 кВт ·ч энергии (с учетом НДС), руб;
t – время работы оборудования, ч.
Расчет затрат на электроэнергию определяется исходя из мощности оборудования, времени его работы и стоимости 1 кВт·ч энергии. Для проведения моделирования ИМС и оформления дипломного проекта был использован компьютер Intel Celeron 1300 MHz.
Стоимость 1 кВт·ч энергии для данного дипломного проекта составляет
(6.2)
Результаты расчета затрат на электроэнергию приведены в таблице 6.2.
Таблица 6.2 – Расчет затрат на электроэнергию
| Оборудование | Мощность W,кВт | Время эксплуатации оборудования t, ч | Сумма, руб. |
| Компьютер | 0,4 | 400 | 172,8 |
| ИТОГО: | 172,8 |
Затраты на электроэнергию составили 172,8 руб.
Итак затраты на материалы включают только затраты на электроэнергию и составляют 172,8 руб.
Расчет расходов на оплату труда. Непосредственное отношение к написанию дипломного проекта имеют студент-дипломник, руководитель на кафедре (к.т.н., доцент), консультант по экологичности и безопасности и консультант по организационно - экономической части.
Рассчитаем для каждого из них среднечасовую ставку по формуле:
, (6.3)
где ЗП – заработная плата исполнителя за месяц (складывается из суммы оклада, должностных начислений и премий);
t – количество рабочих часов в месяц (примем t = 90 ч в месяц) [5].
Данные для расчета суммы расходов на оплату труда приведены в таблице 6.3.
Таблица 6.3 – Расходы на оплату труда
| Должность | Заработная плата, руб. | Трудоемкость, t, чел.ч | Средняя часовая ставка (СЧС), руб. | Сумма, руб. |
| Студент-дипломник | 400,0 | 510,5 | 5,33 | 2720,96 |
| Доцент (руководитель) | 3300,0 | 24,0 | 44,00 | 1056,00 |
| Доцент (консультант по экологичности и безопасности) | 3080,0 | 1,0 | 41,07 | 41,07 |
| Преподаватель (консультант по организационно - экономической части) | 1610,0 | 1,0 | 21,47 | 21,47 |
| ИТОГО: | 3839,50 |
Расходы на оплату труда составили 3839,50 руб., из них наибольшие расходы на оплату труда составили: 2720,96 руб. – дипломнику.
Расчет единого социального налога. Сумма отчислений на социальные нужды рассчитывается как процент от расходов на оплату труда людей, занятых в работе над дипломным проектом. Результаты расчетов по единому социальному налогу приведены в таблице 6.4.
Таблица 6.4 – Отчисления на единый социальный налог
| Вид отчислений | Сумма расходов на оплату труда, руб. | Ставка налога, % | Сумма отчислений, руб. |
| В Фонд социального страхования РФ | 3839,50 | 4,0 | 153,58 |
| В Пенсионный фонд РФ | 3839,50 | 28,0 | 1075,06 |
| В Фонд обязательного медицинского страхования РФ | 3839,50 | 3,6 | 138,22 |
| ИТОГО: | 35,6 | 1366,86 |
Отчисления на единый социальный налог составили 1366,86 руб., из них наибольшую часть составляют отчисления в Пенсионный фонд 1075,06 руб.
Расчет амортизационных отчислений. Сумма амортизационных отчислений рассчитывается по формуле:
ААМ = CМ.Ч · t, (6.4)
где CМ.Ч – стоимость одного машино-часа работы оборудования, руб.;
t – время работы машин, установок и другого оборудования в процессе дипломного проектирования, ч.
Стоимость одного часа работы машин и оборудования рассчитывается по формуле:
, (6.5)
где Ц – стоимость оборудования;
Тч.дн – количество рабочих часов в день;
Тдн.г – количество рабочих дней в году (для расчетов примем 280 дней);
Тсл – срок службы оборудования.
Результаты расчета сумм амортизационных отчислений для всего оборудования приведены в таблице 6.5.
Таблица 6.5 – Расчет сумм амортизационных отчислений
|
Оборудова- ние |
Стоимость оборудова- ния, руб. |
Срок службы оборудова- ния, лет |
Количество рабочих часов в день, ч | Стоимость 1 машино-часа, руб. | Время работы оборудования для выполнения дипломного проекта, ч | Сумма амортизации, руб. |
| Компьютер | 20000 | 7 | 6 | 1,7 | 400 | 680 |
| ИТОГО: | 680 |
Сумма амортизационных отчислений составила 680 рублей.
Прочие расходы. В эту статью включаются расходы на канцелярские принадлежности, необходимые для оформления дипломного проекта (таблица 6.6).
Таблица 6.6– Расчет прочих расходов
| Материал | Цена за единицу, руб. | Количество | Сумма, руб. |
| Дискета, шт. | 10,0 | 3 | 30,0 |
| Бумага, кол-во листов | 0,2 | 100 | 20,0 |
| Стоимость печати пояснительной записки | 1,0 | 100 | 100,0 |
| Стоимость печати на плоттере | 50,0 | 4 | 200,0 |
| Ручка, шт. | 3,0 | 2 | 6,0 |
| Карандаш, шт. | 5,0 | 3 | 15,0 |
| Ластик, шт. | 1,0 | 1 | 1,0 |
| Ватман формата А1 | 6,0 | 4 | 24,0 |
| Папка для диплома, шт. | 100,0 | 1 | 100,0 |
| ИТОГО: | 496,0 |
Сумма прочих расходов составила 496,0 рублей.
Составим смету затрат на выполнение дипломного проекта, используя данные расчетов затрат по каждой статье. Результаты представлены в таблице 6.7.
Таблица 6.7 – Смета затрат
| Статья затрат | Сумма, руб. | Удельный вес, % |
| Материалы | 172,80 | 2,64 |
| Расходы на оплату труда | 3839,50 | 58,57 |
| Единый социальный налог | 1366,86 | 20,85 |
| Амортизационные отчисления | 680,00 | 10,37 |
| Прочие расходы | 496,00 | 7,57 |
| ИТОГО: | 6555,16 | 100,00 |
Общая сумма затрат на выполнение дипломного проекта составила 6555,16 руб. Наибольший удельный вес (58,57 %) в смете затрат занимают расходы на оплату труда, затем – расходы на единый социальный налог (20,85 %). Сумма затрат по данным статьям не может являться слишком высокой. Затраты на выполнение дипломного проекта можно считать обоснованными, так как затраты относительно низки, а разработанная микросхема отвечает требованиям современной бытовой техники, следовательно будет востребована потребителями.
7 Анализ опасных и вредных факторов при работе с ПЭВМ
Электронно-вычислительная техника стала неотъемлемым элементом любого научного процесса. Компьютер стал привычным не только в производственных цехах и научных лабораториях, но и в студенческих аудиториях и школьных классах, так как является не только сложной машиной, позволяющей производить сложные математические расчеты и инженерное моделирование, но и универсальным обучающим устройством значительно облегчающим учебный процесс [6].
Непрерывно растет число специалистов, работающих с персональным компьютером, который становится их основным рабочим инструментом. Ни экономические, ни научные достижения невозможны теперь без быстрой и четкой информационной связи и без специально обученного персонала. Однако, несмотря на все удобства и достоинства работы с персональным компьютером имеется также и негативная сторона – вредные факторы, влияющие на человека при работе на ПЭВМ.
Длительная, систематическая работа за компьютером считается вредной для здоровья. Она оказывает неблагоприятное воздействие на эмоциональное, психическое и, как результат, физическое состояние человека, наиболее известное и распространенное из которого – потеря зрения. Но существуют и другие, менее известные, но от этого не менее опасные, факторы, влияющие на здоровье человека. Рассмотрим влияние этих факторов.
Опасные и вредные факторы при работе на ПЭВМ сводятся к следующему:
а) наличие электромагнитных излучений. Воздействие слабых электромагнитных излучений в низкочастотном, сверхнизко частотном и высокочастотном диапазонах, вызывает обратимые и необратимые изменения в организме. Таких как: торможение рефлексов, понижение кровяного давления, замедление сокращений сердечной мышцы, изменение состава крови в сторону увеличения числа лейкоцитов и уменьшения эритроцитов, помутнение хрусталика глаза. Функциональные нарушения, вызванные биологическим воздействием электромагнитных полей, способны аккумулироваться в организме. Также следует отметить тепловое воздействие электромагнитных полей, в результате которого может произойти перегрев отдельных тканей и органов, ведущее к их необратимым изменениям. Дозы облучения нормированы и согласно им напряженность электрического поля не должна превышать:
- 20 В/м для частот от 60 КГц до 30 МГц,
- 5 В/м для частот от 30 МГц до 300 МГц.
Напряженность магнитного поля не должна превышать:
5 А/м для частот от 5 КГц до 1,5 МГц.
б) неподвижная напряженная поза оператора, в течение длительного времени прикованного к экрану дисплея, приводит к усталости и возникновению болей в позвоночнике, шее, плечевых суставах.
в) интенсивная работа с клавиатурой вызывает болевые ощущения в локтевых суставах, предплечьях, запястьях, в кистях и пальцах рук.
г) Работа компьютера сопровождается акустическими шумами, включая ультразвук.
д) Деятельность оператора предполагает, прежде всего, визуальное восприятие отображенной на экране монитора информации, поэтому значительной нагрузке подвергается зрительный аппарат работающего с персональным компьютером. Факторами, наиболее сильно влияющими на зрение, являются несовершенные способы создания изображения на экране монитора.
Многочисленными исследованиями российских и зарубежных специалистов доказано, что важнейшим условием безопасности человека перед экраном является правильный выбор визуальных параметров дисплея и светотехнических условий рабочего места.
Работа с дисплеями – и это доказано однозначно – при неправильном выборе яркости и освещенности экрана, контрастности знаков, цветов знака и фона, при наличии бликов на экране, дрожании и мелькании изображения – приводит к зрительному утомлению, головным болям, к значительной физиологической и психической нагрузкам, к ухудшению зрения [7].
Визуальные параметры и световой климат определяют зрительный дискомфорт, который может проявляться при использовании любых типов экранов дисплеев – на электроннолучевых трубках, жидкокристаллических, газоразрядных, электролюминесцентных панелях или на других физических принципах.
Общие требования к параметрам мониторов. В новых Государственных стандартах России (ГОСТ Р 50948-96. «Средства отображения информации индивидуального пользования. Общие эргономические требования и требования безопасности» и ГОСТ Р50949-96. «Средства отображения информации индивидуального пользования. Методы измерений и оценки эргономических параметров и параметров безопасности») и в утвержденных и введенных в действие санитарных правилах и нормах СанПиН 2.2.2.542-96. «Гигиенические требования к видеодисплейным терминалам, персональным электронно-вычислительным машинам и организация работы», гармонизированных с международным и европейским стандартами, установлены требования к двум группам визуальных параметров:
Первая группа: яркость, контраст, освещенность, угловой размер знака и угол наблюдения;
Вторая группа: неравномерность яркости, блики, мелькание, расстояние между знаками, словами, строками, геометрические, и нелинейные искажения, дрожание изображения и т. д. (всего более 20 параметров) [7].
Однако не только конкретное значение каждого из перечисленных параметров определяет эргономическую безопасность. Главное, совокупность определенных сочетаний значений основных визуальных параметров, отнесенных к первой группе. Можно утверждать, что каждому значению рабочей яркости соответствуют определенные значения освещенности, углового размера знака (расстояния наблюдения), угла наблюдения, обеспечивающие оптимальные условия работы. И так для каждого из этих визуальных параметров.
Существенно влияет на зрительный дискомфорт выбор сочетаний цветов знака и фона, причем некоторые пары цветов не только утомляют зрение, но и могут привести к стрессу (например, зеленые буквы на красном фоне).
Визуальные параметры дисплеев могут быть также улучшены путем установки специальных антибликовых контрастирующих фильтров.
От значения коэффициента пропускания фильтра и коэффициента зеркального отражения зависит контрастность изображения, интенсивность бликов от внешних источников света и заметность мельканий, т. е., в конечном счете, зрительное утомление. В электронно-лучевых трубках передовые фирмы мира начали использовать с теми же целями темные стекла, чернение зазоров между ячейками люминофоров, антибликовые покрытия.
е) электронно-лучевая трубка монитора является потенциальным источником рентгеновского излучения.
Рентгеновское излучение относится к ионизирующим излучениям. Следствием его воздействия может быть головная боль, повышенная утомляемость, раздражительность, изменение состава клеток, и как следствие, высокая вероятность онкологических заболеваний. Основным способом защиты является нанесение на экран дисплея специальных поглощающих пленок. К организационным мерам защиты следует отнести ограничение времени работы за дисплеем, правильное размещение компьютера.
Все мониторы, соответствующие требованиям безопасности, снабжаются специальной схемой защиты пользователя в случае неисправности. Если напряжение на аноде становится слишком высоким, уровень рентгеновского излучения может повыситься. Поэтому мониторы снабжаются разрядниками, которые обеспечивают стекание энергии на землю в том случае, если напряжение становится избыточным. Иногда, особенно в условиях влажности, эта схема самопроизвольно срабатывает и вызывает помехи. Это проявляется как мгновенное «сворачивание» и последующее восстановление изображения.
До сих пор не обнаружено никакого влияния рентгеновского излучения экрана на здоровье. [7]
ж) воздействие электростатического поля – статического электричества – на человека связано с протеканием через него слабого тока (несколько микроампер). При этом электротравм никогда не наблюдается. Однако вследствие рефлекторной реакции на ток возможна механическая травма при ударе о рядом расположенные элементы конструкций, падении с высоты и т.д.
Люди, работающие в зоне воздействия электростатических полей, жалуются на раздражительность, головную боль, нарушение сна и прочее. Характерны склонность к психосоматическим расстройствам с повышенной эмоциональной возбудимостью и быстрой истощаемостью, неустойчивость показателей пульса и артериального давления.
Образующиеся заряды статического электричества устраняют чаще всего путем заземления электропроводных частей производственного оборудования. Сопротивление такого заземления должно быть не более 100 Ом. При невозможности устройства заземления практикуется повышение относительной влажности воздуха в помещении.
з) при работе с компьютером не следует исключать и такой фактор как электробезопасность.
Электробезопасность предусматривает исключение возможности поражения человека электрическим током. При поражении человека электрическим током основным поражающим фактором является ток, проходящий через его тело. При этом степень отрицательного воздействия тока на органы человека увеличивается с ростом тока. Вместе с тем исход поражения определяется и длительностью воздействия тока, его частотой, а также некоторыми другими факторами. Сопротивление тела человека и приложенное к нему напряжение также влияют на исход поражения, но лишь постольку, поскольку они определяют значение тока, проходящего через человека.
Электрический ток, вызывающий при прохождении через организм ощутимые раздражения, называется ощутимым током, а его минимальное значение пороговым ощутимым током [8].
Увеличение тока сверх порогового ощутимого вызывает у человека судороги мышц и неприятные болезненные ощущения, которые с ростом тока усиливаются и распространяются на все большие участки тела.
Электрический ток, вызывающий при прохождении через человека непреодолимые судорожные сокращения мышц руки, в которой зажат проводник, называется не отпускающим током, а наименьшее его значение - пороговым не отпускающим током. Средние значения пороговых не отпускающих токов составляют: для мужчин 16 мА при 50 Гц и 80 мА при постоянном токе, для женщин (соответственно) 11 мА, 50 мА, для детей 8 мА, 40 мА.
Для обеспечения электробезопасности при работе с электрооборудованием, питающимся от трехфазной четырехпроводной сети применяется защитное зануление.
Опасность поражения током при прикосновении к корпусу и другим нетоковедущим металлическим частям электрооборудования, оказавшимся под напряжением вследствие замыкания на корпус или по другим причинам, может быть устранена быстрым отключением поврежденной электроустановки от питающей сети и вместе с тем снижением напряжения корпуса относительно земли. Этой цели служит зануление.
Зануление – преднамеренное электрическое соединение с нулевым защитным проводником металлических нетоковедущих частей, которые могут оказаться под напряжением.
Нулевым защитным проводником, называется проводник, соединяющий зануляемые части с глухо заземленной нейтральной точкой источника тока или ее эквивалентом. Эквивалентом нейтральной точки источника тока могут быть: средняя точка источника постоянного тока, заземленный вывод источника однофазного тока и т.п.
Принцип действия зануления – превращения замыкания на корпус в однофазное короткое замыкание (т.е. между фазным и нулевым защитным проводниками) с целью вызвать большой ток, способный обеспечить срабатывание защиты и тем самым автоматически отключить поврежденную электроустановку от питающей сети. Такой защитой являются: плавкие предохранители или максимальные автоматы, устанавливаемые для защиты от токов короткого замыкания.
Заключение
В ходе выполнения дипломного проекта в соответствии с заданием произведен обзор литературы по вопросу принципов построения импульсных источников питания, что полезно для понимания алгоритма работы схемы ИИП.
При выполнения дипломного проекта была изучена микросхема-контроллер для импульсных источников питания TDA16846. Были установлены преимущества, которые можно достичь при использовании данной микросхемы в схеме импульсных источников питания, на основании чего можно сказать, что разработанная ИМС-аналог будет востребована у производителей радиоэлектронной аппаратуры, поскольку современным образцам электронной техники предъявляются все более жесткие требования, к тому же при производстве на предприятии ОАО “Орбита” будет иметь меньшую цену.
Для микросхемы TDA16846 произведен анализ принципиальной электрической схемы на ПК с помощью системы автоматического проектирования электронных схем Orcad 9.2. Промоделированы все блоки ИМС и идентифицирована их работа, а также динамика работы ИМС в целом, что позволяет снизить вероятность ошибки при проектировании.
Для ИМС разработана физическая структура кристалла и технологический маршрут изготовления. Так же разработана библиотека элементов, а на основе ее топология при помощи пакета программ сквозного проектирования топологии ПАРОМ. При разработке физической структуры и топологии все технологические параметры ориентированы на производство данной ИМС на предприятии ОАО “Орбита”.
Размеры полученного кристалла ИМС 2,3х2,3 мкм.
Проектируемая микросхема разработана для использования в схемах источников питания телевизоров.
Список использованных источников
1 Митрофанов А.В., Щеголев А. И. Импульсные источники вторичного электропитания в бытовой радиоаппаратуре. — М.: Радио и связь, 1985. — 72 с., ил.
2 Найвельт Г.С. Источники электропитания радиоэлектронной аппаратуры. – М.: Радио и связь, 1986. – 185с.
3 Коррекция коэффициента мощности во вторичных источниках электропитания / В. Григорьев, Е. Дуплякин // Электронные компоненты. – 2000. - №2.- с. 66-68.
4 Controller for Switch Mode Power Supplies Supporting Low Power Standby and Power Factor Correction TDA 16846 / Infinion technologies // ICs for Consumer Electronics. – 2000. – 24 c.
5 Матсон Э.А., Крыжановский Д.В. Справочное пособие по конструированию микросхем Мн.: Высш. шк., 1982. – 215 с.
6 Мелькина Н.Н. Методические указания к технико-экономическому обоснованию дипломных проектов. – Саранск: Изд-во Мордов. ун-та, 2003.– 28 с.
7 Белов С.В., Ильницкая А.В., Козьяков А.Ф. Безопасность жизнедеятельности: Учебник для вузов / Под общ. ред. С.В. Белова. 2-е изд., испр. и доп. – М.: Высш. шк., 1999. – 448 с.
8 Пермогоров А. / О мониторах // Компьютеры от СПТК. – www.sptc.ru. – 2000
9 Долин П.А. Основы техники безопасности в электроустановках: Учеб. пособие для вузов. – М.: Энергия, 1979. – 408 с.
Приложение А

Приложение Б

Приложение В

Рисунок Д1

Рисунок Д2
| Устройство управления вентиляторами компьютера через порт LPT | |
|
Содержание Введение 1 Общая часть 1.1 Анализ технического задания 1.2 Описание схемы электрической принципиальной 2 Исследовательская часть 2.1 ... ИС не имеет защитных диодов, подключенных анодами к шине питания, что позволяет подавать на вход микросхемы напряжение, превышающее напряжение питания. Для резисторов и транзисторов это допустимая мощность рассеивания, для конденсаторов допустимое напряжение, для диодов - прямой ток. |
Раздел: Рефераты по информатике, программированию Тип: дипломная работа |
| Электронные схемы для дом быта | |
|
Простой логический пробник Простой логический пробник состоит из двух независимых пороговых устройств, одно из которых срабатывает при напряжении на ... Для питания устройств с током потребления до 30 мА можно применять простые сетевые блоки питания, в которых вместо понижающих трансформаторов применяются два конденсатора на ... Максимальный ток нагрузки (до 120 мА) можно увеличить, если вместо транзистора МП16 (V5) установить П213, резисторы R1, R2 и R3 заменить соответственно на резисторы сопротивлением ... |
Раздел: Рефераты по коммуникации и связи Тип: сочинение |
| Блок питания мониторов | |
|
Министерство Образования и науки Республики Казахстан Южно-Казахстанский политехнический колледж Специальность: 3703 "Вычислительные машины, комплексы ... Одновременно это же напряжение с делителя R604, R605, DOM подается на вывод 7 микросхемы для питания микросхемы IC602 широтно-импульсного регулятора KA3842N, структурная схема ... При разряде конденсатора наступает момент, когда напряжение на нем становится равным нулю (в процессе разряда конденсатор стремится перезарядиться до напряжения равному напряжению ... |
Раздел: Рефераты по коммуникации и связи Тип: курсовая работа |
| Конструирование | |
|
Содержание Введение.. 1. Общая часть.. 1.1. Анализ технического задания.. 1.2 .Описание схемы электрической принципиальной.. 2. Расчетная часть.. Для резисторов и транзисторов это допустимая мощность рассеяния, для конденсаторов допустимое напряжение, для диодов прямой ток. Так для конденсаторов номинальное напряжение рекомендуется брать в 1,5-2 раза выше напряжения источника питания. |
Раздел: Рефераты по коммуникации и связи Тип: курсовая работа |
| Физиотерапевтическое устройство на основе применения упругих волн | |
|
СОДЕРЖАНИЕ Введение 1. Анализ современных способов и устройств для лечебного и терапевтического воздействия акустическими колебаниями 2. Анализ ... После счетчика сигнал меньшей частоты (рисунок 3.2,б) поступает на формирователь импульсов, который из меандра формирует треугольные импульсы такой же частоты (рисунок 3.2, в ... При разработке электрической принципиальной схемы использовались следующие виды радиоэлементов: микросхемы, транзисторы, диоды, резисторы, конденсаторы, трансформаторы. |
Раздел: Рефераты по медицине Тип: дипломная работа |