Курсовая работа: Антенный усилитель с подъёмом АЧХ
Министерство общего и профессионального образования
Российской Федерации
ТОМСКИЙ ГОСУДАРСТВЕННЫЙ УНИВЕРСИТЕТ СИСТЕМ УПРАВЛЕНИЯ И РАДИОЭЛЕКТРОНИКИ
(ТУСУР)
Кафедра радиоэлектроники и защиты информации (РЗИ)
Антенный усилитель с подъёмом АЧХ.
Пояснительная записка к курсовому проекту по дисциплине “Схемотехника аналоговых электронных устройств”
Выполнил
студент гр.148-3
Размолодин Д.Б.
Проверил
преподаватель каф. РЗИ
Титов А.А.
2001
1.Введение
В данной курсовой работе требуется рассчитать антенный усилитель с подъёмом амплитудно-частотной характеристики. Необходимость усиливать сигнал, принимаемый антенной, возникает из-за того, что достаточно велики потери в кабеле, связывающем антенну и приёмное устройство. К тому же потери значительно возрастают с ростом частоты.
Для того, чтобы компенсировать эти потери сигнал после приёма предварительно усиливают, а затем направляют в приёмный тракт. При этом усилитель должен иметь подъём АЧХ в области высоких частот. В данной работе требовалось обеспечить подъём равный 6дБ на октаву.
При проектировании любого усилителя основной трудностью является обеспечение заданного усиления в рабочей полосе частот. В данном случае полоса частот составляет 400-800 МГц. С учётом того, что усилительные свойства транзисторов значительно ухудшаются с ростом частоты, то разработка устройства с подъёмом АЧХ на таких частотах является непростой задачей.
Наиболее эффективным
представляется использование в данном случае межкаскадных корректирующих цепей
4-го порядка. Такая цепь позволяет делать коэффициент усиления с подъёмом до 6
дБ в полосе частот от 0 до fв, что очень важно для данного устройства.
Использование этих корректирующих цепей даёт возможность брать транзисторы с
граничной частотой
, т.е. менее дорогостоящие,
без ухудшения параметров всего усилителя.
2. Техническое задание
Усилитель должен отвечать следующим требованиям:
Рабочая полоса частот: 400-800 МГц
Линейные искажения
в области нижних частот не более 3 дБ
в области верхних частот не более 3 дБ
Коэффициент усиления 25 дБ с подъёмом области верхних частот 6 дБ
Амплитуда выходного напряжения Uвых=2.5 В
Диапазон рабочих температур: от +10 до +60 градусов Цельсия
Сопротивление источника сигнала и нагрузки Rг=Rн=50 Ом
3. Расчётная часть
3.1 Структурная схема усилителя.
Учитывая то, что каскад с общим эмиттером позволяет получать усиление до 20 дБ, оптимальное число каскадов данного усилителя равно двум. Предварительно распределим на каждый каскад по 15 дБ. Таким образом, коэффициент передачи устройства составит 30 дБ, из которых 25 дБ требуемые по заданию, а 5 дБ будут являться запасом усиления.
Структурная схема, представленная на рисунке 3.1, содержит кроме усилительных каскадов корректирующие цепи, источник сигнала и нагрузку.

Рисунок 3.1
3.2 Распределение линейных искажений в области ВЧ
Расчёт усилителя будем проводить исходя из того, что искажения распределены следующим образом: выходная КЦ–1 дБ, выходной каскад с межкаскадной КЦ–1.5 дБ, входной каскад со входной КЦ–0.5 дБ. Таким образом, максимальная неравномерность АЧХ усилителя не превысит 3 дБ.
Расчёт выходного каскада
3.3.1 Выбор рабочей точки
Координаты рабочей точки можно приближённо рассчитать по следующим формулам [1]:
, (3.3.1)
где
(3.3.2)
, (3.3.3)
где
– начальное напряжение
нелинейного участка выходных
характеристик транзистора,
.
Так как в выбранной мной
схеме выходного каскада сопротивление коллектора отсутствует, то
. Рассчитывая по формулам
3.3.1 и 3.3.3, получаем следующие координаты рабочей точки:
мА,
В.
Найдём мощность, рассеиваемую
на коллекторе
мВт.
3.3.2 Выбор транзистора
Выбор транзистора осуществляется с учётом следующих предельных параметров:
граничной частоты усиления транзистора по току в схеме с ОЭ
;
предельно допустимого напряжения коллектор-эмиттер
;
предельно допустимого тока коллектора
;
предельной мощности, рассеиваемой на коллекторе
.
Этим требованиям полностью соответствует транзистор КТ996Б-2. Его основные технические характеристики приведены ниже.
Электрические параметры:
Граничная частота
коэффициента передачи тока в схеме с ОЭ
МГц;
Постоянная времени цепи
обратной связи
пс;
Статический коэффициент
передачи тока в схеме с ОЭ
;
Ёмкость коллекторного
перехода при
В
пФ;
Индуктивность вывода базы
нГн;
Индуктивность вывода эмиттера
нГн.
Предельные эксплуатационные данные:
Постоянное напряжение коллектор-эмиттер
В;
Постоянный ток коллектора
мА;
Постоянная рассеиваемая
мощность коллектора
Вт;
Температура перехода
К.
Нагрузочные прямые по переменному и постоянному току для выходного каскада представлены на рисунке 3.2. Напряжение питания выбрано равным 10В.

Рисунок 3.2
3.3.3 Расчёт эквивалентной схемы транзистора
Поскольку рабочие частоты
усилителя заметно больше частоты
, то из
эквивалентной схемы можно исключить входную ёмкость, так как она не влияет на
характер входного сопротивления транзистора. Индуктивность же выводов
транзистора напротив оказывает существенное влияние и потому должна быть
включена в модель. Эквивалентная высокочастотная модель представлена на рисунке
3.3. Описание такой модели можно найти в [2].

Рисунок 3.3
Параметры эквивалентной схемы рассчитываются по приведённым ниже формулам.
Входная индуктивность:
, (3.3.3)
где
–индуктивности выводов базы
и эмиттера.
Входное сопротивление:
, (3.3.4)
где
, причём
,
и
– справочные данные.
Крутизна транзистора:
, (3.3.5)
где
,
,
.
Выходное сопротивление:
. (3.3.6)
Выходная ёмкость:
. (3.3.7)
В соответствие с этими формулами получаем следующие значения элементов эквивалентной схемы:
нГн;
пФ;
Ом
Ом;
А/В;
Ом;
пФ.
3.3.4 Расчёт цепей термостабилизации
Существует несколько вариантов схем термостабилизации. Их использование зависит от мощности каскада и от того, насколько жёсткие требования к термостабильности. В данной работе рассмотрены три схемы термостабилизации: пассивная коллекторная, активная коллекторная и эмиттерная.
3.3.4.1 Пассивная коллекторная термостабилизация
Данный вид термостабилизации (схема представлена на рисунке 3.4) используется на малых мощностях и менее эффективен, чем две другие, потому что напряжение отрицательной обратной связи, регулирующее ток через транзистор подаётся на базу через базовый делитель.

Рисунок 3.4
Расчёт, подробно описанный в
[3], заключается в следующем: выбираем напряжение
(в
данном случае
В) и ток делителя
(в данном случае
, где
– ток базы), затем находим
элементы схемы по формулам:
; (3.3.8)
, (3.3.9)
где
– напряжение на переходе
база-эмиттер равное 0.7 В;
. (3.3.10)
Получим следующие значения:
Ом;
Ом;
Ом.
3.3.4.2 Активная коллекторная термостабилизация
Активная коллекторная термостабилизация используется в мощных каскадах и является очень эффективной, её схема представлена на рисунке 3.5. Её описание и расчёт можно найти в [2].

Рисунок 3.5
В качестве VT1
возьмём КТ315А. Выбираем падение напряжения на резисторе
из условия
(пусть
В), затем производим
следующий расчёт:
; (3.3.11)
; (3.3.12)
; (3.3.13)
; (3.3.14)
, (3.3.15)
где
– статический коэффициент
передачи тока в схеме с ОБ транзистора КТ315А;
; (3.3.16)
; (3.3.17)
. (3.3.18)
Получаем следующие значения:
Ом;
мА;
В;
кОм;
А;
А;
кОм;
кОм.
Величина индуктивности дросселя выбирается таким образом, чтобы переменная составляющая тока не заземлялась через источник питания, а величина блокировочной ёмкости – таким образом, чтобы коллектор транзистора VT1 по переменному току был заземлён.
3.3.4.3 Эмиттерная термостабилизация
Для выходного каскада выбрана эмиттерная термостабилизация, схема которой приведена на рисунке 3.6. Метод расчёта и анализа эмиттерной термостабилизации подробно описан в [3].

Рисунок 3.6
Расчёт производится по следующей схеме:
1.Выбираются напряжение
эмиттера
и ток делителя
(см. рис. 3.4), а также
напряжение питания
;
2. Затем рассчитываются
.
3. Производится поверка –
будет ли схема термостабильна при выбранных значениях
и
. Если нет, то вновь
осуществляется подбор
и
.
В данной работе схема
является термостабильной при
В и
мА. Учитывая то, что в
коллекторной цепи отсутствует резистор, то напряжение питания рассчитывается по
формуле
В. Расчёт величин резисторов
производится по следующим формулам:
; (3.3.19)
; (3.3.20)
. (3.3.21)
Для того, чтобы выяснить будет ли схема термостабильной производится расчёт приведённых ниже величин.
Тепловое сопротивление переход – окружающая среда:
, (3.3.22)
где
,
–
справочные данные;
К – нормальная температура.
Температура перехода:
, (3.3.23)
где
К – температура окружающей
среды (в данном случае взята максимальная рабочая температура усилителя);
– мощность, рассеиваемая на коллекторе.
Неуправляемый ток коллекторного перехода:
, (3.3.24)
где
– отклонение температуры
транзистора от нормальной;
лежит в пределах
А;
– коэффициент, равный 0.063–0.091 для германия и
0.083–0.120 для кремния.
Параметры транзистора с учётом изменения температуры:
, (3.3.25)
где
равно 2.2(мВ/градус
Цельсия) для германия и
3(мВ/градус Цельсия) для кремния.
, (3.3.26)
где
(1/ градус Цельсия).
Определим полный постоянный ток коллектора при изменении температуры:
, (3.3.27)
где
. (3.3.28)
Для того чтобы схема была термостабильна необходимо выполнение условия:
,
где
. (3.3.29)
Рассчитывая по приведённым выше формулам, получим следующие значения:
Ом;
Ом;
Ом;
Ом;
К;
К;
А;
Ом;
;
Ом;
А;
А.
Как видно из расчётов условие термостабильности выполняется.
3.4 Расчёт входного каскада по постоянному току
3.4.1 Выбор рабочей точки
При расчёте требуемого режима
транзистора промежуточных и входного каскадов по постоянному току следует
ориентироваться на соотношения, приведённые в пункте 3.3.1 с учётом того, что
заменяется на входное
сопротивление последующего каскада. Но, при малосигнальном режиме, за основу
можно брать типовой режим транзистора (обычно для маломощных ВЧ и СВЧ
транзисторов
мА и
В). Поэтому координаты
рабочей точки выберем следующие
мА,
В. Мощность, рассеиваемая на
коллекторе
мВт.
3.4.2 Выбор транзистора
Выбор транзистора осуществляется в соответствии с требованиями, приведенными в пункте 3.3.2. Этим требованиям отвечает транзистор КТ371А. Его основные технические характеристики приведены ниже.
Электрические параметры:
граничная частота
коэффициента передачи тока в схеме с ОЭ
ГГц;
Постоянная времени цепи
обратной связи
нс;
Статический коэффициент передачи
тока в схеме с ОЭ
;
Ёмкость коллекторного
перехода при
В
пФ;
Индуктивность вывода базы
нГн;
Индуктивность вывода эмиттера
нГн.
Предельные эксплуатационные данные:
Постоянное напряжение
коллектор-эмиттер
В;
Постоянный ток коллектора
мА;
Постоянная рассеиваемая
мощность коллектора
Вт;
Температура перехода
К.
3.4.3 Расчёт эквивалентной схемы транзистора
Эквивалентная схема имеет тот же вид, что и схема представленная на рисунке 3.3. Расчёт её элементов производится по формулам, приведённым в пункте 3.3.3.
нГн;
пФ;
Ом
Ом;
А/В;
Ом;
пФ.
3.4.4 Расчёт цепи термостабилизации
Для входного каскада также выбрана эмиттерная термостабилизация, схема которой приведена на рисунке 3.7.

Рисунок 3.7
Метод расчёта схемы идентичен
приведённому в пункте 3.3.4.3 с той лишь особенностью что присутствует, как
видно из рисунка, сопротивление в цепи коллектора
.
Это сопротивление является частью корректирующей цепи и расчёт описан в пункте
3.5.2.
Эта схема термостабильна при
В и
мА. Напряжение питания
рассчитывается по формуле
В.
Рассчитывая по формулам 3.3.19–3.3.29 получим:
кОм;
кОм;
кОм;
кОм;
К;
К;
А;
кОм;
;
Ом;
мА;
мА.
Условие термостабильности выполняется.
3.4 Расчёт корректирующих цепей
3.4.1 Выходная корректирующая цепь
Расчёт всех КЦ производится в
соответствии с методикой описанной в [4]. Схема выходной корректирующей цепи
представлена на рисунке 3.8. Найдём
–
выходное сопротивление транзистора нормированное относительно
и
.
(3.5.1)
.

Рисунок 3.8
Теперь по таблице приведённой
в [4] найдём ближайшее к рассчитанному значение
и
выберем соответствующие ему нормированные величины элементов КЦ
и
, а также
–коэффициент, определяющий
величину ощущаемого сопротивления нагрузки
и
модуль коэффициента отражения
.

Найдём истинные значения элементов по формулам:
; (3.5.2)
; (3.5.3)
. (3.5.4)
нГн;
пФ;
Ом.
Рассчитаем частотные искажения в области ВЧ, вносимые выходной цепью:
, (3.5.5)
,
или
дБ.
3.5.2 Расчёт межкаскадной КЦ
Схема МКЦ представлена на
рисунке 3.9. Это корректирующая цепь четвёртого порядка, нормированные значения
её элементов выбираются из таблицы, которую можно найти в [4], исходя из
требуемой формы и неравномерности АЧХ. Нужно учесть, что элементы, приведённые
в таблице, формируют АЧХ в диапазоне частот от 0 до
,
а в данной работе каждая КЦ должна давать подъём 3дБ на октаву. Следовательно,
чтобы обеспечить такой подъём нужно выбирать элементы, которые дают подъём 6дБ
в диапазоне от 0 до
.

Рисунок 3.9
Нормированные значения элементов КЦ, приведённые ниже, выбраны для случая, когда неравномерность АЧХ цепи не превышает ±0.5дБ.

Эти значения рассчитаны для случая, когда ёмкость слева от КЦ равна 0, а справа – ¥. Произведём пересчёт значений по приведённым ниже формулам [4] с учётом того, что ёмкость слева равна выходной ёмкости транзистора VT1.
, (3.5.6)
, (3.5.7)
, (3.5.8)
, (3.5.9)
. (3.5.10)
В формулах 3.5.6-3.5.10
– это нормированная
выходная ёмкость транзистора VT1. Нормировка произведена относительно выходного
сопротивления VT1 и циклической частоты
:
.
Получаем следующие пересчитанные значения:
![]()
![]()
![]()


Все величины нормированы
относительно верхней циклической частоты
и
выходного сопротивления транзистораVT1. После денормирования получим
следующие значения элементов КЦ:
мкГн;
Ом;
пФ;
пФ;
нГн.
При подборе номиналов
индуктивность
следует уменьшить
на величину входной индуктивности транзистора. Нужно также отметить, что
и
стоят в коллекторной цепи
входного каскада.
Найдём суммарный коэффициент передачи корректирующей цепи и транзистора VT2 в области средних частот по формуле [2]:
, (3.5.7)
где
– коэффициент усиления
транзистора по мощности в режиме двухстороннего согласования;
– нормированное относительно выходного сопротивления
транзистора VT1 входное сопротивление каскада на транзисторе VT2,
равное параллельному включению входного сопротивления транзистора
и сопротивления базового
делителя
.
;
Ом;
.
Коэффициент усиления равен:

или
дБ.
Неравномерность коэффициента усиления не превышает 1дБ.
3.5.3 Расчёт входной КЦ
Схема входной КЦ представлена
на рисунке 3.10. Её расчёт, а также табличные значения аналогичны описанным в
пункте 3.5.1. Отличие в том, что табличные значения не требуют пересчёта, так
как ёмкость слева от КЦ равна 0, а справа – ¥. Поэтому
денормировав эти значения мы сразу получим элементы КЦ. Денормируем величины
относительно сопротивления генератора сигнала
и
. Расчёт такой цепи также
можно найти в [4].

Рисунок 3.10
Табличные значения (искажения в области ВЧ не более ±0.5 дБ):

После денормирования получаем следующие величины:
нГн;
Ом;
пФ;
пФ;
нГн.
Индуктивность
практически равна входной
индуктивности транзистора VT1, поэтому её роль будут выполнять выводы транзистора.
Расчёт суммарного
коэффициента передачи корректирующей цепи и транзистора VT1 в
области средних частот произведём по формуле 3.5.7, заменив
на
, которое находится по
аналогичным формулам, и, взяв коэффициент усиления по мощности:
.
Нужно не забывать, что все
нормированные величины в этом пункте нормированы относительно
.
Ом;

Получим коэффициент усиления:

или
дБ.
Неравномерность коэффициента усиления не превышает 1дБ. Таким образом, суммарные искажения в области ВЧ не превысят 2.5дБ.
Коэффициент передачи всего усилителя:
дБ.
3.6 Расчёт разделительных и блокировочных ёмкостей
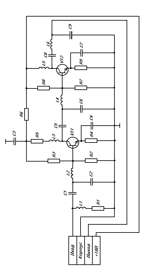
На рисунке 3.11 приведена принципиальная схема усилителя. Рассчитаем номиналы элементов обозначенных на схеме. Расчёт производится в соответствии с методикой описанной в [1]

Рисунок 3.11
Рассчитаем сопротивление и ёмкость фильтра по формулам:
, (3.6.1)
где
– напряжение питания
усилителя равное напряжению питания выходного каскада;
– напряжение питания входного каскада;
– соответственно коллекторный, базовый токи и ток
делителя входного каскада;
, (3.6.2)
где
– нижняя граничная частота
усилителя.
кОм;
пФ.
Дроссель в коллекторной цепи выходного каскада ставится для того, чтобы выход транзистора по переменному току не был заземлен. Его величина выбирается исходя из условия:
. (3.6.3)
мкГн.
Так как ёмкости, стоящие в эмиттерных цепях, а также разделительные ёмкости вносят искажения в области нижних частот, то их расчёт следует производить, руководствуясь допустимым коэффициентом частотных искажений. В данной работе этот коэффициент составляет 3дБ. Всего ёмкостей три, поэтому можно распределить на каждую из них по 1дБ.
Найдём постоянную времени, соответствующую неравномерности 1дБ по формуле:
, (3.6.4)
где
– допустимые искажения в
разах.
нс.
Блокировочные ёмкости
и
можно рассчитать по общей
формуле, взяв для каждой соответствующую крутизну.
. (3.6.5)
пФ;
пФ.
Величину разделительного конденсатора найдём по формуле:
, (3.6.6)
где
– выходное сопротивление
транзистора VT2.
пФ.
4. Заключение
Рассчитанный усилитель имеет следующие технические характеристики:
1. Рабочая полоса частот: 400-800 МГц
2. Линейные искажения
в области нижних частот не более 3 дБ
в области верхних частот не более 2.5 дБ
3. Коэффициент усиления 30дБ с подъёмом области верхних частот 6 дБ
4. Амплитуда выходного напряжения Uвых=2.5 В
5. Питание однополярное, Eп=10 В
6. Диапазон рабочих температур: от +10 до +60 градусов Цельсия
Усилитель рассчитан на нагрузку Rн=50 Ом
Усилитель имеет запас по усилению 5дБ, это нужно для того, чтобы в случае ухудшения, в силу каких либо причин, параметров отдельных элементов коэффициент передачи усилителя не опускался ниже заданного уровня, определённого техническим заданием.
|
|
|||||||||||
|
|
|||||||||||
|
|
РТФ КП 468730.001.ПЗ |
||||||||||
|
|
|||||||||||
|
|
Лит |
Масса |
Масштаб | ||||||||
|
Изм |
Лист |
Nдокум. |
Подп. |
Дата |
АНТЕННЫЙ | ||||||
|
Выполнил |
Размолодин |
|
УCИЛИТЕЛЬ | ||||||||
|
Проверил |
Титов |
|
|
||||||||
|
|
|
Лист |
Листов |
||||||||
|
|
ТУСУР РТФ | ||||||||||
|
|
Принципиальная | Кафедра РЗИ | |||||||||
|
|
схема |
гр. 148-3 |
|||||||||
|
Позиция Обозн. |
Наименование |
Кол |
Примечание |
|
||||||||||||||||||||||||
|
|
Конденсаторы ОЖ0.460.203 ТУ |
|
|
|
||||||||||||||||||||||||
|
С1 |
КД-2-22пФ±5% |
1 |
|
|
||||||||||||||||||||||||
|
С2 |
КД-2-27пФ±5% |
1 |
|
|
||||||||||||||||||||||||
|
С3 |
КД-2-7,5пФ±5 |
1 |
|
|
||||||||||||||||||||||||
|
С4 |
КД-2-91пФ±5% |
1 |
|
|
||||||||||||||||||||||||
|
C5 |
КД-2-1,2пФ±5% |
1 |
|
|
||||||||||||||||||||||||
|
С6 |
КД-2-0,5пФ±5% |
1 |
|
|
||||||||||||||||||||||||
|
С7 |
КД-2-510пФ±5% |
1 |
|
|
||||||||||||||||||||||||
|
С8 |
КД-2-5,1пФ±5% |
1 |
|
|
||||||||||||||||||||||||
|
С9 |
КД-2-2,7пФ±5% |
1 |
|
|
||||||||||||||||||||||||
|
|
|
|
|
|
||||||||||||||||||||||||
|
|
Катушки индуктивности |
1 |
|
|
||||||||||||||||||||||||
|
L1 |
Индуктивность 11нГн±10% |
1 |
|
|
||||||||||||||||||||||||
|
L2 |
Индуктивность 1,75нГн±10% |
1 |
Роль этой индуктивности выполняют выводы транзистора |
|
||||||||||||||||||||||||
|
L3 |
Индуктивность 0,11мкГн±10% |
1 |
|
|
||||||||||||||||||||||||
|
L4 |
Индуктивность 51,5нГн±10% |
1 |
|
|
||||||||||||||||||||||||
|
L5 |
Индуктивность 20мкГн±10% |
1 |
|
|
||||||||||||||||||||||||
|
L6 |
Индуктивность 9,1нГн ±10% |
1 |
|
|
||||||||||||||||||||||||
|
|
|
|
|
|
||||||||||||||||||||||||
|
|
Резисторы ГОСТ 7113-77 |
|
|
|
||||||||||||||||||||||||
|
R1 |
МЛТ–0,125-27Ом±10% |
|
|
|
||||||||||||||||||||||||
|
R2 |
МЛТ–0,125-2,4кОм±10% |
1 |
|
|
||||||||||||||||||||||||
|
R3 |
МЛТ–0,125-1,5кОм±10% |
1 |
|
|
||||||||||||||||||||||||
|
R4 |
МЛТ–0,125-1,3кОм±10% |
1 |
|
|
||||||||||||||||||||||||
|
R5 |
МЛТ–0,125-270Ом±10% |
1 |
|
|
||||||||||||||||||||||||
|
R6 |
МЛТ–0,125-1кОм±10% |
1 |
|
|
||||||||||||||||||||||||
|
R7 |
МЛТ–0,125-820Ом±10% |
1 |
|
|
||||||||||||||||||||||||
| R8 |
МЛТ–0,125-560Ом±10% |
1 |
|
|
||||||||||||||||||||||||
| R9 |
МЛТ–0,125-91Ом±10% |
1 |
|
|
||||||||||||||||||||||||
|
Транзисторы |
|
|
|
|||||||||||||||||||||||||
| VT1 |
КТ371А |
1 |
|
|
||||||||||||||||||||||||
|
VT2 |
КТ996Б-2 |
1 |
|
|
||||||||||||||||||||||||
|
|
||||||||||||||||||||||||||||
|
|
РТФ КП 468730.001 ПЗ |
|||||||||||||||||||||||||||
|
|
||||||||||||||||||||||||||||
|
|
Лит |
Масса |
Масштаб |
|
||||||||||||||||||||||||
|
Изм |
Лист |
Nдокум. |
Подп. |
Дата |
АНТЕННЫЙ |
|
||||||||||||||||||||||
|
Выполнил |
Размолодин |
|
УСИЛИТЕЛЬ | У |
|
|||||||||||||||||||||||
|
Провер. |
Титов |
|
|
|
||||||||||||||||||||||||
|
|
|
Лист |
Листов |
|
||||||||||||||||||||||||
|
|
ТУСУР РТФ | |||||||||||||||||||||||||||
|
|
Перечень элементов | Кафедра РЗИ | ||||||||||||||||||||||||||
|
|
гр. 148-3 |
|||||||||||||||||||||||||||
Литература
Красько А.С., Проектирование усилительных устройств, методические указания
Титов А.А. Расчет корректирующих цепей широкополосных усилительных каскадов на биполярных транзисторах – http://referat.ru/download/ref-2764.zip
Болтовский Ю.Г., Расчёт цепей термостабилизации электрического режима транзисторов, методические указания
Титов А.А., Григорьев Д.А., Расчёт элементов высокочастотной коррекции усилительных каскадов на полевых транзисторах, учебно-методическое пособие
