Реферат: Коммутатор цифровых каналов системы передачи

Рис. 4.16 Функциональная схема блока формирования исходящих каналов.
ОЗУ1
ОЗУ2
Рз/сч
Dстр
Dст
Dстр
Dст
Q3 Q2 Q1
Сч2
Т
R
У «0»

ГЛАВА 10
ПАТЕНТНЫЕ ИССЛЕДОВАНИЯ
Патентные исследования проводились при помощи онлайновой службы поиска американского национального патентного бюро. Поиск производился по ключевым словам: «communications AND E1», искались патенты 1997 и 1998 годов, результаты поиска отображены ниже.
Результаты Перебора в PATBIB-97-98 db для:
(communication AND E1): 13 патентов.
Отображено: с 1 по 13 из 13
Номер
Заглавие
5,727,160 Блок радиоуправления портом в беспроводной персональной системе связи
5,724,610 Селекторные подсистемы CDMA системы, использующие пару первых процессоров для выбора каналов CDMA, связывающие подсистему и центр обслуживания подвижных абонентов
5,708,660 Соглашения для принятия и отправления пакетов сообщения с оборудованием связи АТМ
5,705,178 Методы и композиции, основанные на запрещении вторжения клетки и фиброза анионичными полимерами
5,705,177 Методы и композиции, основанные на запрещении вторжения клетки и фиброза анионичными полимерами
5,701,465 Методы и прибор для сохранения ресурсов системы, гарантирующие качество обслуживания
5,692,038 Методы для идентификации источника телефонной связи
5,674,844 Лечение, для предотвращения потери массы кости и увеличения в метаболических процессов в кости
5,671,251 Приборы и метод работы устройства передачи данных, для избирательно функционирующего как аналоговый модем, как цифровой модем, и как терминальный адаптер
5,654,815 Методы синхронизации и единицы синхронизации, для терминального обмена
5,605,938 Методы и композиции для запрещения вторжения клетки и фиброза, использующего сульфат декстрана
5,598,401 Приборы и метод для цифрового устройства передачи данных, функционирующего в аналоговом режиме
5,592,607 Интерактивный метод и система для создания адресной информации, использующей указанные пользователем зоны адреса
Резюме Перебора
communication: 12683 слова в 6493 патентах.
E1: 193 слова в 127 патентах.
(communication AND E1): 13 патентов.
Время Перебора: 0.36 секунд.
На основе результатов перебора для рассмотрения были выбраны следующие патенты: 5,724,610 5,708,660 5,701,465 5,692,038 5,671,251 5,654,815 5,598,401 5,592,607. Ни один из них не является патентом на подобную коммутационную БИС, более подробно каждый из выбранных патентов рассмотрен далее. Следовательно проектируемая БИС обладает патентной чистотой и является потенциально перспективной для производства.
Патент, Соединенные штаты
№ 5,724,610
Март 3, 1998
Селекторные подсистемы CDMA системы, использующей пару первых процессоров для выбора каналов CDMA, связывающие подсистему и центр обслуживания подвижных абонентов
Изобретатели: Han; Jin Soo (Daejeon, KR); Cheong; Yoon Chae (Kyoungki-do, KR).
Представитель: Hyundai Electronics Industries Co., Ltd. (Kyoungki-do, KR).
Приложение №: 478,030
Зарегистрировано: 7.06.1995
Основной Ревизор: Lee; Thomas C.
Помощник Ревизора: Luu; Le Hien
Поверенный, Агент или Фирма: Merchant, Gould, Smith, Edell, Welter & Schmidt
Краткое содержание
Селекторная подсистема банка коллективного доступа с кодовым разделением. В систему включены два блока: блок SBSC и блок S/V. Блок ONE SBSC разработан, чтобы управлять двенадцатью S/V направлениями, чтобы обеспечить 96 каналов движения за SBS, и таким образом, одно S/V правление обеспечивает восемь каналов связи. Селекторная подсистема банка (SBS) коллективного доступа с кодовым разделением (CDMA) система, включает: блок SBS, блок SBS, состоящий из пары первых процессоров для управления движением фрейма CDMA и связывает подсистему (CIS), выбирая канал между CIS и центром обслуживания (MSC); двухпортовая оперативная память (DRAM) служит для хранения фрейма и управления первым процессором, а также управлением прямого доступа в память (DMAC); второй процессор служит для управления DMAC; E1 сопрягают блок данных фрейма с MSC, получая синхронизм из TFU CPS приемника; и блок S/V, связываемый между DRAM и E1 сопрягает как множество продолжений форм карты, и для получения фрейма движения к блоку интерфейса E1 после DSP. Следовательно, массовое производство модуля, имеющего конкурентоспособность, избегает сложного строения оборудования и уменьшает возможность конфликта между сигналами управлениями.
Патент, Соединенные штаты
№ 5,708,660
Январь 13, 1998
Соглашения для принятия и отправления пакетов сообщения с оборудованием связи ATM
Изобретатели: Riedel; Michael (Dresden, DE).
Представитель: Siemens Aktiengesellschaft (Munich, DE).
Приложение №: 610,366
Зарегистрировано: 4.03.1996
Основной Ревизор: Safourek; Benedict V.
Поверенный, Агент или Фирма: Hill, Steadman & Simpson
Краткое содержание
Оборудование связи ATM обслуживает отправляемые пакеты сообщений, поставленных через, по крайней мере одну магистраль (E1,...,En) в течение процесса виртуальных связей с подчиненными магистралями (A1,...,An) входящими в соответствующую виртуальную связь. Характерные параметры также, как, по крайней мере, два различных приоритета, определены для соответственной виртуальной связи в течение установленного запроса. Соответствующее расположение магистрали обслуживания имеет управляющее устройство (BHE) распределением, имеющим центральную память (СМ), в которой связанные запросом списки очередности заказов пакетов установленные для хранения пакетов сообщения. Контрольное устройство (STE), в котором сохраняется таблица распределения (LUT), соединенная с пакетом. Эта таблица распределения распределяет идентификатор списка очередности заказов также как идентификатор приоритета запроса информации (VPA/VCI) содержащийся в пакетах сообщения. Базирующиеся на критерии индивидуальных идентификаторов приоритета, идентификаторы списка очередности заказов принадлежности вставляются в список очередности заказов рассылки (Q1, Q2) распределенный соответственно приоритету. Эти списки очередности заказов рассылки обрабатываются с различными приоритетами, посредством идентификаторов списка очередности заказов, вследствие этого предлагаемые, добавления к пакету (СМ) для создания пакета сообщения.
Патент, Соединенные штаты
№ 5,701,465
Декабрь 23, 1997
Методы и прибор для сохранения ресурсов системы, гарантирующие качество обслуживания
Изобретатели: Baugher; Mark John (Austin, TX); Chang; Philip Yen-Tang (Austin, TX); Morris; Gregory Lynn (Round Rock, TX); Stephens; Alan Palmer (Austin, TX).
Представитель: International Business Machines Corporation (Armonk, NY).
Приложение №: 674,074
Зарегистрировано: 1.07.1996
Основной Ревизор: Black; Thomas G.
Помощник Ревизора: Lewis; C.
Поверенный, Агент или Фирма: Emile; Volel
Краткое содержание
Метод для обеспечения доступа к узлу, включая шаги определения, является ли ширина полосы частот доступной для передачи по линии связи, запрошенная удаленным узлом, сохранение ширины полосы частот для запрошенного доступа, если ширина полосы частот определена, как доступная, и открытие запрошенного доступа для пропускания только, если ширина полосы частот, сохранена. Кроме того, прибор для обеспечения доступа к удаленному узлу, включая прибор для определения, является ли ширина полосы частот доступной для передачи по линии связи, запрошенная удаленным узлом, прибор для сохранения ширины полосы частот для запрошенного доступа, если ширина полосы частот определена, как доступная, и прибор для открытия запрошенного доступа для пропускания, только если ширина полосы частот, сохранена.
Патент, Соединенные штаты
№ 5,692,038
Ноябрь 25, 1997
Метод для идентификации источника телефонной связи
Изобретатели: Kraus; Evan (Atlanta, GA); Yue; Drina C. (Atlanta, GA); Smets; Raymond J. (Atlanta, GA); Moquin; Thomas Joseph (Roswell, GA).
Представитель: BellSouth Corporation (Atlanta, GA).
Приложение №: 743,751
Зарегистрировано: 7.11.1996
Основной Ревизор: Matar; Ahmad F.
Поверенный, Агент или Фирма: Jones & Askew
Краткое содержание
Метод для идентификации источника связи, включая шаги: получение связи на линии запроса; идентификация строки вызывающего номера, связанного с линией запроса; доступ к базе данных, для обеспечения идентичность источника, находя вход базы данных, соответствующий строке вызывающему номеру; объявление этой идентичности источнику; и запрос подтверждения. Приоритет вызывающего оператора может использоваться, для идентификации источника. Факсимильные сообщения также могут быть идентифицированы прежде, чем сообщение поступило.
Патент, Соединенные штаты
№ 5,671,251
Сентябрь 23, 1997
Приборы и метод устройства передачи данных, для избирательно функционирующего как аналоговый модем, как цифровой модем, и как терминальный адаптер
Изобретатели: Blackwell; Steven R. (Huntsville, AL); Pearson; John Timothy (Huntsville, AL); Fridlin; C. C. (Boca Raton, FL).
Представитель:Motorola, Inc. (Schaumburg, IL).
Приложение №: 395,332
Зарегистрировано: 28.02.1995
Основной Ревизор: Chin; Wellington
Помощник Ревизора: Luther; William
Поверенный, Агент или Фирма: Gamburd; Nancy R.
Краткое содержание
Прибор и метод для устройства передачи данных, для избирательного функционирования в множестве аналоговых и цифровых способов, таких как аналоговый модем, как цифровой модем, и как терминальный адаптер. Конструктивные исполнения обеспечивают единственное устройство связи сгруппированных данных, которое будет конфигурировано и впоследствии реконфигурирован, чтобы обеспечить передачу данных в ряд сетей, включая общественные телефонные сети и цифровые сети, включая T1, E1 и ISDN. Различные конструктивные исполнения также обеспечивают сигнальное моделирование различных сетей, так, что фактическая сеть является прозрачной для терминала и пересылки информации через устройство связи в сеть.
Патент, Соединенные штаты
№ 5,654,815
Август 5, 1997
Методы синхронизации и единицы синхронизации, для терминального обмена
Изобретатели: Bunse; Stephan (Stuttgart, DE).
Представитель: Alcatel N.V. (NL).
Приложение №: 440,822
Зарегистрировано:15.05.1995
Краткое содержание
Синхронизация между двумя местами в оптической системе связи, соотнося полученный сигнал синхронизации с сигналом синхронизации с станции и управляя тактами собственно станции соответственно, корреляция происходит в одном месте, но изделие корреляции работает в другом месте (E1-E3), и сигнал такта последних управляется соответственно. Это может быть выполнено, посылая первую последовательность битов синхронизаций от терминала (E1-E3), и делая петлю, это поддерживают в обмене скорости передачи информации в битах второй последовательности битов синхронизации, генератор синхронизма терминала (E1-E3) управляется согласно полученной последовательности битов корреляций. Это имеет преимущество при обмене, так как синхронизация требует только оптических переключателей и никаких оптико-электронных преобразователей. Это разрешает все оптические обмены и устраняет один оптико-электронный преобразователь соединенного абонента. Единственный недостаток - то, что для передатчика без приемника, дополнительный обратный канал является необходимым.
Патент, Соединенные штаты
№ 5,598,401
Январь 28, 1997
Приборы и метод для цифрового устройства передачи данных, функционирующего в аналоговом режиме
Изобретатели: Blackwell; Steven R. (Huntsville, AL); Pearson; John T. (Huntsville, AL); Fridlin, IV; Charles C. (Boca Raton, FL).
Представитель: Motorola, Inc. (Schaumburg, IL).
Приложение №: 407,749
Зарегистрировано: 21.03.1995
Основной Ревизор: Marcelo; Melvin
Поверенный, Агент или Фирма: Gamburd; Nancy R
Краткое содержание
Прибор и метод для устройства передачи данных, для избирательного функционирования в множестве аналоговых и цифровых способов, таких как аналоговый модем, как цифровой модем, и как терминальный адаптер. Конструктивные исполнения обеспечивают единственное устройство связи и группирование данных, которое будет конфигурировано и также впоследствии реконфигурировано, чтобы обеспечить передачу данных в ряд сетей, включая общественные телефонные сети, выделенный канал, и цифровые сети, включая T1, E1 и ISDN. Различные конструктивные исполнения далее обеспечивают выбор основного цифрового рабочего режима при одновременном обеспечении автоматической реконфигурации для вспомогательного или запасного аналогового рабочего режима. Различные конструктивные исполнения также обеспечивают сигнальное моделирование различных сетей, такой, что фактическая соединенная сеть является прозрачной для терминала и пересылки данных через устройство связи в сеть.
Патент, Соединенные штаты
№ 5,592,607
Январь 7, 1997
Интерактивный метод и система для создания адресной информации, использующей указанные пользователем зоны адреса
Изобретатели: Weber; Karon A. (San Francisco, CA); Poon; Alex D. (Mountain View, CA); Moran; Thomas P. (Palo Alto, CA).
Представитель: Xerox Corporation (Stamford, CT).
Приложение №: 138,545
Зарегистрировано: 15.10.1993
Основной Ревизор: Powell; Mark R.
Помощник Ревизора: Ho; Ruay Lian
Поверенный, Агент или Фирма: Bares; Judith C.
Краткое содержание
Интерактивный метод и система, для поддержания и облегчения задачи в урегулирования, прежде всего, в реальном времени. В одном конструктивном исполнении, пользователь системы использует пишущее устройство, чтобы войти в форму рукописных штрихов, которые сохранены и соотнесены с адресом, типа времени, обеспеченного синхронизацией системы. Счета собраны в структуре данных, представляемой пространственной областью на показе названном адресом, или временем, зона, которая создана, когда пользователь входит в нее, запрашивающее адрес из системы. Все счета, введенные в специфическую область часового пояса в экспозиционной площади сохранены в блоке структуры данных, соотнесенной со временем, связанным с областью зоны того времени, и, в то время как часовые пояса созданы в последовательном приказе, ограниченном по времени, счет - может быть введен в зоны времени в любой последовательности и все еще может быть соотнесен с зоной того времени. Дополнительная возможность обеспечивает обозначение блока пользовательских счетов как ключевое слово, которое может затем быть связано с другими часовыми поясами, чтобы соединить ключевые слова со временами и счетами. Штрихи вошли и обозначили, поскольку ключевое слово назначено уникальный, распознаваемый системой идентификатор. Структура данных хранит штрихи ключевого слова, расположение в экспозиционной площади и зонах времен, с которыми это связано. Хорошо-разработанный интерфейс пользователя обеспечивает рабочие области окна для создания и использования часовых поясов и для легко отображения и использования ключевых слов.
ГЛАВА 3
РАЗРАБОТКА ФУНКЦИОНАЛЬНО-ЛОГИЧЕСКОЙ СХЕМЫ БЛОКОВ ПРОЕКТИРУЕМОГО УСТРОЙСТВА
ФУНКЦИОНАЛЬНАЯ СХЕМА БЛОКА ВЫДЕЛЕНИЯ ЦИКЛОВОЙ И СВЕРХЦИКЛОВОЙ СИНХРОНИЗАЦИИ
Синхронизация БИС коммутации по циклам и сверхциклам обеспечивает правильное распределение коммутируемого сигнала по каналам, а также правильное декодирование кодовых групп. Работа приемников цикловой и сверхцикловой синхронизации основана на передаче в групповом канале кодовых групп цикловой и сверхцикловой синхронизаций. Причем работа приемника сверхцикловой синхронизации практически не отличается от работы приемника цикловой синхронизации, только установка сверхцикловой синхронизации начинается после установки цикловой.
К аппаратуре систем синхронизации предъявляются следующие требования:
Время вхождения в синхронизм при первоначальном включении аппаратуры в работу и время восстановления в синхронизм при его нарушении должно быть минимальным;
Приемник синхросигнала должен быть помехоустойчив, что обеспечивает большее среднее время между сбоями синхронизма.
На БЛОК ВЫДЕЛЕНИЯ ЦИКЛОВОГО И СВЕРХЦИКЛОВОГО СИНХРОНИЗМА поступают входящие групповые каналы и тактовые импульсы, выделенные линейным оборудованием станции (ВТи), функция этого блока состоит в выделении из групповых каналов синхроимпульсов цикловой и сверхцикловой синхронизации. Структурно такой блок должен состоять из 8ми приемников цикловой и сверхцикловой синхронизации (см. рис. 4.1).
БЛОК ВЫДЕЛЕНИЯ ЦИКЛОВОГО И СВЕРХЦИКЛОВОГО СИНХРОНИЗМА






























Приемник цикловой и сверхцикловой синхронизации
Приемник цикловой и сверхцикловой синхронизации
Приемник цикловой и сверхцикловой синхронизации
Приемник цикловой и сверхцикловой синхронизации





Приемник цикловой и сверхцикловой синхронизации
Приемник цикловой и сверхцикловой синхронизации
Приемник цикловой и сверхцикловой синхронизации
Приемник цикловой и сверхцикловой синхронизации




- канал ИКМ - 30/32;
- ВТи ;
- данные на УУ.



Рис. 4.1 Структура блока.
Приемник цикловой и сверхцикловой синхронизации обеспечивает установление синхронизма после включения аппаратуры в работу, контроль за состоянием синхронизма в рабочем режиме, обнаружение сбоя синхронизма и его восстановление.
Структурно приемник цикловой и сверхцикловой синхронизации состоит из (см. рис. 4.2):
Опознаватель синхросигнала - предназначен для выделения из группового ИКМ сигнала кодовых последовательностей по структуре совпадающих с синхросигналом. Блок содержит два выхода, на одном из которых появляется импульс в момент прихода кодовой комбинации циклового синхросигнала (КЦС), а на другом - в момент прихода кодовой комбинации сверхциклового синхросигнала (КСЦС).
Анализатор циклового и анализатор сверхциклового синхронизма определяют наличие соответствующего синхронизма (НС) или его отсутствие (ОС).
Решающее устройство определяет пропадание синхронизма, но поддерживает нормальную работу коммутатора даже при пропадании двух синхрогрупп подряд.
Генератор импульсной последовательности вырабатывает определенный набор импульсных последовательностей, используемых для управления работой функциональных узлов коммутатора, их синхронизации. На его выходе вырабатываются три группы импульсов: разрядные, канальные и цикловые.
Входящий групповой канал


Выделенный тактовый импульс



ОПОЗНОВАТЕЛЬ




НС

КЦС





ОС





НС


КСЦС

ОС










Рис. 4.2 Структурная схема приемника цикловой и сверхцикловой синхронизации.
Рассмотрим функциональные схемы каждого из блоков приемника цикловой и сверхцикловой синхронизации.
Функциональная схема (см. рис. 4.3) опознавателя синхронизма содержит регистр сдвига и дешифратор, представляющие собой две схемы совпадения, на выходе одной из которых появляются импульс в момент прихода КЦС, а на выходе другой - в момент прихода КСЦС. Схема регистра сдвига построена на 8ми тактируемых D – триггерах, а схемы совпадения кодовых комбинаций представляют собой схемы И.

Рис. 4.3 Функциональная схема опознавателя кодовых комбинаций циклового и сверхциклового синхросигналов.
Функциональная схема анализатора циклового (сверхциклового) синхронизма (рис. 4.4) содержит схему совпадения, определяющую наличие синхронизма и схему выдающую логическую «1» на выходе в момент прихода кодовой комбинации синхросигнала при отсутствии синхронизма.

Рис. 4.4 Функциональная схема анализатора циклового (сверхциклового) синхронизма.
Решающее устройство содержит двоичный счетчик - накопитель по выходу из синхронизма, двоичный счетчик - накопитель по входу в синхронизм и схему совпадения (см. рис. 4.5).

Рис. 4.5 Функциональная схема решающего устройства.
Функциональная схема генератора импульсной последовательности содержит три распределителя импульсов: распределитель разрядных импульсов (РР), распределитель канальных импульсов (РК) и распределитель цикловых импульсов (РЦ), каждый из которых реализован в виде двоичного счетчика и дешифратора, и двух схем совпадения, на выходе одной из них формируется сигнал цикловой синхронизации, а на выходе другой сигнал сверхцикловой синхронизации (см. рис. 4.6).
Функциональная схема всего блока представлена на рисунке 4.7. Рассмотрим работу схемы приемника цикловой и сверхцикловой синхронизации. Накопитель по входу в синхронизм обеспечивает защиту приемника от ложного синхронизма в режиме поиска, когда на вход поступают случайные комбинации группового сигнала, совпадающие с синхросигналом. Обычно накопитель по входу в синхронизм содержит два - три разряда. Накопитель по выходу из синхронизма необходим для исключения ложного нарушения синхронизма. Обычно накопитель по выходу из синхронизма содержит четыре - шесть разрядов.
В режиме синхронизма накопитель по входу в синхронизм заполнен, а накопитель по выходу - пуст. Сигнал наличие синхронизма (НС) на выходе держит накопитель по входу в синхронизм. Случайные кодовые комбинации, совпадающие с кодовой комбинацией синхросигнала, не будут влиять на работу приемника.
При отсутствии кодовой комбинации синхросигнала (КЦС или КСЦС) из-за воздействия помехи или других причин цикловый или сверхцикловый сигнал генератора импульсной последовательности сформирует на выходе анализатора циклового (сверхциклового) синхронизма сигнал отсутствия синхронизма (ОС), который поступит на вход накопителя по выходу из синхронизма. Если нарушения синхронизма кратковременны (1-3 цикла), то следующий сигнал КЦС (КСЦС) совпадет по времени с цикловым или сверхцикловым сигналом от генератора импульсной последовательности и запишет «1» в накопитель по входу в синхронизм, а так как накопитель заполнен, то его выходной сигнал сбросит три младших разряда накопителя по выходу из синхронизма в нулевое состояние и синхронная работа устройства не нарушится.
При длительном нарушении синхронизма накопитель по выходу будет заполнен, на его выходе появится логическая единица и начнется поиск синхронизма. Теперь первый же импульс от опознавателя установит в начальное нулевое состояние разрядный и канальный распределители, а также старший разряд накопителя по выходу из синхронизма.
Следующее опознавание будет произведено ровно через цикл (сверхцикл). Если синхросигнал выделен верно, то в накопитель по входу будет записана «1». При трехкратном совпадении сигналов КЦС (КСЦС) и циклового (сверхциклового) сигналов от генератора импульсной последовательности накопитель по входу в синхронизм заполнится и установит «0» в трех младших разрядах накопителя по выходу из синхронизма (в четвертом разряде накопителя по выходу «0» был установлен ранее). Синхронная работа устройства установлена.


Рис. 4.6. Функциональная схема генератора импульсной последовательности.
ФУНКЦИОНАЛЬНАЯ СХЕМА БЛОКА ЦИКЛОВОГО ВЫРАВНИВАНИЯ И КОММУТАЦИИ
На БЛОК ЦИКЛОВОГО ВЫВРАВНИВАНИЯ И КОММУТАЦИИ поступают входящие групповые каналы, и его функция заключается в выравнивании каналов в соответствии с сигналом синхронизации УСТРОИСТВА УПРАВЛЕНИЯ и коммутировании каналов в соответствии с адресом, поступающим с УСТРОЙСТВА УПРАВЛЕНИЯ.
Рассмотрим принцип циклового выравнивания входящих групповых каналов, он заключается в записи в запоминающее устройство информации входящих групповых каналов синхронно с выделенными тактовыми импульсами и считывании их синхронно со станционными импульсами тактовой и цикловой синхронизации.
Для осуществления коммутации необходимо сформировать общий, уплотненный во времени канал, и переставить импульсы из одной временной позиции в другую. Как отмечалось выше технически такую перестановку легко выполнить в запоминающем устройстве, если записывать информацию общего канала последовательно, а считывать в соответствии с картой коммутации.
Объединение процессов циклового выравнивания и коммутации позволяет сократить необходимый объем запоминающего устройства и уменьшить время задержки прохождения информационных сигналов. Для обеспечения данных функций блок ЦИКЛОВОГО ВЫРАВНИВАНИЯ И КОММУТАЦИИ должен содержать утроенное количество запоминающих устройств. Это необходимо для запоминания информации входящих групповых каналов в случае потери синхронизации одного из них (восстановление синхронизма происходит максимум в течение трех циклов). Структурная схема такого устройства представлена на рисунке 4.8.
СТи
В/в КУ
Рис20 Структурная схема блока ЦВПКиК
БЛОК ЦИКЛОВОГО ВЫРАВНИВАЕИЯ И КОММУТАЦИИ

ВГК

ВТи


От УУ


СТи
Рис. 4.8. Структура блока.
Рассмотрим структурную схему БЛОКА ЦИКЛОВОГО ВЫРАВНИВАНИЯ И КОММУТАЦИИ:
Запоминающее устройство коммутации, предназначено для коммутации входных каналов (запись информации ведется последовательно, а считывание происходит в соответствии с картой коммутации), одновременно с коммутацией происходит временное уплотнение входящих групповых каналов. Для выравнивания предусмотрено наличие трех запоминающих устройств коммутации, при заполнении одного из них информацией нескольких (не всех) каналов автоматически начинается заполнение следующего и т.д.
Запоминающее устройство адреса, предназначено для хранения номеров (адресов) коммутируемых каналов.
ФУНКЦИОНАЛЬНАЯ СХЕМА ЗАПОМИНАЮЩЕГО УСТРОЙСТВА КОММУТАЦИИ.
Для обеспечения указанных выше функций запоминающее устройство коммутации должно записать информацию всех 256ти каналов за один цикл, т.е. должно обладать емкостью:
256 * 8 [бит] = 2048 [бит]. (4.1)
Организация запоминающего устройства коммутации зависит от режима работы:
При записи данное запоминающее устройство представляет собой восемь ОЗУ с разрядной организацией, в каждое из которых записывается информация соответствующая входящему групповому каналу синхронно со своей выделенной тактовой частотой и цикловым синхросигналом. Емкость каждого из ОЗУ:
32 * 8 [бит] = 256 [бит]. (4.2)
При считывании запоминающее устройство коммутации представляет собой одно ОЗУ со словарной организацией (емкостью 256*8 [бит]). В каждой ячейке ОЗУ содержится информация одного информационного канала. Следовательно, все восемь разрядов каждого из информационных каналов можно считывать одновременно по параллельному каналу. Таким образом, одновременно с коммутацией осуществляется уплотнение восьми групповых каналов в один общий групповой канал, передаваемый по параллельной шине, что позволяет снизить внутреннюю скорость передачи данных до 2,048 Мбит/с.
Структурно схему запоминающего устройства коммутации можно представить в виде восьми ОЗУ емкостью 256 бит каждая, выходы которых объединены общей параллельной шиной, а на входы каждого из ОЗУ поступают соответствующие групповые каналы и выделенные тактовые импульсы. Такая схема представлена на рисунке 4.9.
ЗАПОМИНАЮЩЕЕ УСТРОЙСТВО КОММУТАЦИИ




чтение/запись
Адрес чтения
ВГК
ВТи
Параллельная шина



Рис. 4.9. Структурная схема запоминающего устройства коммутации.
Рассмотрим функциональную схему одного из восьми ОЗУ (см. рис. 4.10), она включает в себя:
Счетчик тактовых импульсов, предназначенный для формирования адреса в режиме записи (Сч2).
Дешифраторы строк и столбцов, предназначенные для правильного функционирования матрицы памяти (D).
Мультиплексор, предназначенный для переключения считывания адреса столбца от счетчика в режиме записи или от запоминающего устройства адреса (ЗУА) в режиме считывания (М).
Н
ВГК
У «О»
Выбор ЗУ
Рз/сч
8*32
Dст
А2
А3
Сч2
Q1
Q2
Q3
Т
R
M
D1D2 D3 D4 D5
А
От ЗУА
Q1Q2Q3Q4Q5
Cч2
Т
R
Р8
D1D2 D3 D4 D5
ВТи
Параллельная шина
епосредственно матрица памяти, состоящая из 256ти элементов (8*32).
Рис. 4.10. Функциональная схема ОЗУ запоминающего устройства коммутации.
Принцип работы данной схемы состоит в следующем:
В режиме записи (Рз/сч=1) мультиплексор подключает к дешифратору столбцов старшие 5 разрядов счетчика адреса, 3 младшие разряда счетчика подключены к дешифратору строк. ЗУ в этом режиме имеет разрядную организацию.
В режиме считывания (Рз/сч =0) мультиплексор подключает к дешифратору столбцов ЗУА, а дешифратор строк при этом отключается и ОЗУ приобретает словарную организацию каждые из восьми элементов памяти входящих в состав столбцов матрицы памяти образуют ячейку памяти и считываются параллельно.
ФУНКЦИОНАЛЬНАЯ СХЕМА ЗАПОМИНАЮЩЕГО УСТРОЙСТВА АДРЕСА.
Запоминающее устройство адреса предназначено для хранения адреса входящего канала, который поступает на выход в момент поступления станционного тактового импульса, соответствующего номеру исходящего канала. Каждому из восьми ОЗУ, рассмотренных выше соответствует отдельное запоминающее устройство адреса, т.е. каждому входящему групповому каналу соответствует свое запоминающее устройство адреса (см. рис. 4.11).
ЗАПОМИНАЮЩЕЕ УСТРОЙСТВО АДРЕСА








чтение/запись

Рис. 4.11. Структурная схема запоминающего устройства адреса.
Для обеспечения правильного функционирования схемы необходимо запомнить адрес входящего канала, который состоит из 5ти разрядов:
25 = 32. (4.3)
Но для функционирования УСТРОЙСТВА УПРАВЛЕНИЯ нужно знать о состоянии канала в любой момент времени, для этого разрядность запоминающего устройства адреса необходимо увеличить на 1 бит, который отображает состояние канала («1» – канал занят; «0» – канал свободен). Этот разряд так же может управлять состоянием выходной ячейки ОЗУ, при появлении в данном разряде «0» выходная ячейка ОЗУ переходит в третье состояние (для этого выходные ячейки ОЗУ должны быть построены по соответствующей схеме). Следовательно, данное запоминающее устройство должно обладать емкостью:
32 * 6 [бит] = 192 [бит]. (4.4)
Запоминающее устройство адреса имеет словарную организацию, как при записи информации, так и при считывании (одно слово обладает разрядностью 6 бит). Функциональная схема данного устройства представлена на рисунке 4.12.
Выбор ЗУ
Ти
Рз/сч
на ОЗУ
ОЗУ
6*32
Рз/сч
&
У «О»
На УСТРОЙСТВО УПРАВЛЕНИЯ
Рис. 4.12. Функциональная схема запоминающего устройства адреса.
Функциональная схема запоминающего устройства адреса состоит из:
Матрица памяти 6*32, предназначенная для хранения адреса коммутируемого канала.
Дешифратора столбцов (D), предназначенного для правильного функционирования матрицы памяти.
Счетчика тактовых импульсов (Сч2), предназначенного для формирования адреса считываемой или записываемой информации.
Схемы совпадения, предназначенной для формирования сигнала считывания из ОЗУ коммутации.
Работает устройство следующим образом:
В режиме записи (запись ведется, как в адресное ЗУ, так и в ЗУ коммутации), в соответствии с тактовыми импульсами записывается информация об адресе коммутируемого канала и его состоянии на данный момент. Информация поступает от УСТРОЙСТВА УПРАВЛЕНИЯ в виде 6ти разрядных слов.
В
Сигнал считывания на ЗУК
Сигнал считывания на ЗУА
t
t
Ти
Ти
Ти
- Считывание разрешено
режиме считывания информации адрес коммутируемого канала должен поступить немного раньше начала считывания информации из запоминающего устройства коммутации, для этого необходима схема совпадения, формирующая сигнал разрешения чтения на запоминающее устройство коммутации. Так как сигнал разрешения чтения для запоминающего устройства адреса является постоянным, а информация на выходе обновляется благодаря счетчику тактовых импульсов, постоянно меняющему адрес считывания; то при включении схемы совпадения тактового импульса и сигнала разрешения чтения, на выходе этой схемы будет формироваться сигнал, соответствующий моменту поступления адреса на запоминающее устройство коммутации. Следовательно, при подаче этого сигнала на запоминающее устройство коммутации, в качестве сигнала разрешения чтения, чтение из этого устройства будет производиться в нужный момент времени. Временные диаграммы, поясняющие работу схемы совпадения представлены на рисунке 4.13.
Рис. 4.13. Временные диаграммы, поясняющие принцип работы, устройства совпадения.
КОММУТАЦИОННЫЙ ЭЛЕМЕНТ.
Введем понятие коммутационного элемента. Коммутационный элемент - это совокупность запоминающего устройства адреса и ОЗУ запоминающего устройства коммутации, функциональная схема коммутационного элемента представлена на рисунке 4.14. Схема БЛОКА ЦИКЛОВОГО ВЫРАВНИВАНИЯ И КОММУТАЦИИ содержит двадцать четыре коммутационных элемента, т.е. по три на каждый из входящих групповых каналов.
- ФУНКЦИОНАЛЬНАЯ СХЕМА БЛОКА ФОРМИРОВАНИЯ ИСХОДЯЩИХ КАНАЛОВ
Б
БЛОК ФОРМИРОВАНИЯ ИСХОДЯЩИХ КАНАЛОВ
ЗУ1
ЗУ2
Рз/сч
параллельная шина
исходящие групповые каналы
Рис. 4.15. Структура блока.
Для расчета емкости каждого из двух элементов памяти необходимо выяснить принцип работы блока. В момент записи по параллельной шине передается восемь разрядов одного из каналов, следовательно, ОЗУ должно содержать восемь элементов в столбце. В момент считывания формируются восемь исходящих групповых каналов, в каждый момент времени на выход поступают восемь бит, по одному на каждый канал; следовательно, ОЗУ должно содержать восемь столбцов. Таким образом, общая емкость ОЗУ составляет:
8 * 8 [бит] = 64 [бит]. (4.4)
Организация ОЗУ словарная, но при записи информации каждая ячейка памяти состоит из элементов памяти, входящих в соответствующий столбец матрицы, а при считывании - из элементов, входящих в соответствующую строку. Функциональная схема данного устройства представлена на рисунке 4.16, она состоит из:
Собственно матрицы памяти, они предназначены для хранения информации.
Дешифраторы строк и столбцов, предназначены для правильной работы матриц памяти.
Счетчик предназначен для формирования адресов записи и считывания.
Инвертор предназначен для переключения записи/чтения.
Принцип работы этой схемы заключается в следующем, при записи со счетчика адреса трехразрядный код поступает на дешифратор столбцов (Dст), а дешифратор строк (Dстр) отключается и восемь разрядов одного информационного канала поступает на элементы памяти выбранного столбца. При считывании отключается дешифратор столбцов (Dст), а трехразрядный код счетчика адресов поступает на дешифратор строк (Dстр) и восемь одноименных разрядов разных информационных каналов выбранной строки матрицы поступают на соответствующие восемь выходов исходящих групповых каналов. В результате на выходе коммутационной БИС формируются групповые каналы в стандарте ИКМ -30/32.
ГЛАВА 2
РАЗРАБОТКА СТРУКТУРНОЙ СХЕМЫ УСТРОЙСТВА
СРАВНЕНИЕ ПРОЕКТИРУЕМОЙ СИСТЕМЫ С ЦИФРОВОЙ ТРАНСПОРТНОЙ СЕТЬЮ КОМПАНИИ “МТУ-ИНФОРМ”
Прежде всего необходимо отметить, что обе системы имеют в своей основе кольцевой принцип построения сети, что обеспечивает преимущества по сравнению с радиальной схемой построения сети (см. Введение). Основным отличием проектируемой системы от сети, построенной по принципу Синхронной Цифровой Иерархии, является снижение минимальной пропускной способности канала до 2,048 Мбит/с, это накладывает определенные условия на построение устройств обеспечивающих работу сети. Вторым важным отличием проектируемой системы является децентрализация управления, которая позволяет использовать устройства системы независимо от центрального узла управления, что в конечном итоге позволяет продолжить работу сети при выходе из строя центрального управляющего элемента, и тем самым повысить надежность системы вцелом.
3.2 РАССМОТРЕНИЕ РАЗЛИЧНЫХ ВАРИАНТОВ ПОСТРОЕНИЯ СТРУКТУРНОЙ СХЕМЫ
Исходя из назначения устройства, можно представить устройство в виде некоего блока, который обеспечивает пространственно-временную коммутацию 256ти входящих цифровых каналов, в соответствии с сигналами УСТРОЙСТВА УПРАВЛЕНИЯ, и выравнивает входящие групповые каналы по циклам. Структурная схема такого устройства показана на рисунке 3.1.

БЛОК
КОММУТАЦИИ






УСТРОЙСТВО УПРАВЛЕНИЯ

Шина обмена с внешним контроллером управления
- 2,048 Мбит/с
- Шины обмена

Рис. 3.1 Общее строение устройства коммутации.
Для обеспечения циклового выравнивания входящих групповых каналов в БЛОКЕ КОММУТАЦИИ необходим специальный блок, отвечающий за выравнивание (назовем этот блок БЛОКОМ КОММУТАЦИИ И ЦИКЛОВОГО ВЫРАВНИВАНИЯ), а для синхронизации необходимо выделить синхроимпульсы цикловой и сверхцикловой синхронизации. Тогда структурная схема примет вид, показанный на рис. 3.2. Этот вариант укрупненной структурной схемы включает в себя дополнительно БЛОК ВЫДЕЛЕНИЯ ЦИКЛОВОГО И СВЕРХЦИКЛОВОГО СИНХРОНИЗМА.
БЛОК
КОММУТАЦИИ И ЦИКЛОВОГО ВЫРАВНИВАНИЯ
БЛОК ВЫДЕЛЕНИЯ ЦИКЛОВОГО И СВЕРХЦИКЛОВОГО СИНХРОНИЗМА





УСТРОЙСТВО УПРАВЛЕНИЯ

Шина обмена с внешним контроллером управления
- 2,048 Мбит/с
- Шины обмена


Рис. 3.2 Укрупненная структурная схема проектируемого устройства.
Далее необходимо рассмотреть принцип коммутации разноименных временных каналов, как отмечалось во Введении, коммутация сводится к перестановке импульсов из одной временной позиции в другую. Но в данном случае такая перестановка возможна только в одном групповом канале, а нам необходимо скоммутировать 8 групповых каналов, т.е. помимо временной коммутации необходима еще и пространственная. Такие требования существенно усложняют проектируемое устройство и поэтому необходимо рассмотреть возможность исключения пространственной коммутации, этого можно добиться объединением входящих групповых каналов в один общий канал с пропускной способностью 16,384 Мбит/c.
2,048 [Мбит/с] * 8 = 16,384 [Мбит/с]. (3.1)
Такое преобразование канала должен выполнять специальный БЛОК ФОРМИРОВАНИЯ ОБЩЕГО КАНАЛА, тогда вся коммутация будет осуществляться только во временной области и это упростит решение задачи построения коммутационного блока. До этого блока необходимо выровнять входящие каналы по циклам, поэтому цикловое выравнивание следует выполнять в отдельном БЛОКЕ ЦИКЛОВОГО ВЫРАВНИВАНИЯ. При таком построении схемы на выходе БЛОКА КОММУТАЦИИ будет сформирован общий канал со скоростью передачи 16,384 Мбит/с, его необходимо разделить на 8 исходящих групповых каналов, для этого требуется БЛОК ОБРАТНОГО ПРЕОБРАЗОВАНИЯ. Структурная схема, отвечающая вышеперечисленным требованиям, изображена на рис. 3.3.












УСТРОЙСТВО УПРАВЛЕНИЯ

2,048 Мбит/с
16,384 Мбит/с
Шины обмена
Шина обмена с внешним контроллером управления



Рис. 3.3 Первичный вариант структурной схемы.
При всех достоинствах данного построения, у этой структурной схемы существует недостаток, который заключается во внутреннем умножении тактовой частоты в 8 раз, что накладывает свой отпечаток на построение устройства в целом. В качестве прототипа мне была предложена следующая схема построения устройства (см. рис. 3.4), здесь предложено распараллелить общий канал на 2 канала, по которым поступают четные и нечетные импульсы, это позволяет снизить умножение частоты в два раза, другими словами пропускная способность каждого из внутренних каналов составляет 8,192 Мбит/с.
( 2,048 [Мбит/с] * 8 ) / 2 = 8,192 [Мбит/с]. (3.2)
Такое построение схемы позволяет частично компенсировать недостатки предыдущей схемы и в конечном итоге снизить требования к быстродействию отдельных элементов схемы. В структурной схеме прототипа была реализована возможность объединения нескольких блоков со сходными функциями в один. В результате преобразования блоки ЦИКЛОВОГО ВЫРАВНИВАНИЯ, ВЫДЕЛЕНИЯ ЦИКЛОВОГО И СВЕРХЦИКЛОВОГО СИНХРОНИЗМА и БЛОК ФОРМИРОВАНИЯ ОБЩЕГО КАНАЛА были объединены в БЛОК ЦИКЛОВОГО ВЫРАВНИВАНИЯИ ПРЕОБРАЗОВАНИЯ КОДА ИКМ-30/32. А БЛОКОБРАТНОГО ПРЕОБРАЗОВАНИЯ был переименован в БЛОК ОБРАТНОГО ПРЕОБРАЗОВАНИЯ КОДА. Преобразованная структурная схема устройства коммутации представлена на рис. 3.4.
















УСТРОЙСТВО УПРАВЛЕНИЯ
Шина обмена с внешним контроллером управления
2,048 Мбит/с
8,192 Мбит/с
Шины обмена



Рис. 3.4 Структурная схема прототипа.
Логичным продолжением рассмотренных вариантов структурных схем, на мой взгляд, является вариант схемы, где общий канал распараллеливается на 8 каналов, что позволяет снизить внутреннюю пропускную способность каналов до 2,048 Мбит/с и, соответственно, не производить внутреннего умножения частоты. Это позволяет существенно снизить требования к быстродействию внутренних элементов и упростить схемотехнику устройства. При детальном рассмотрении структуры можно заметить, что для обеспечения циклового выравнивания входящих групповых каналов необходимо запомнить информацию из этих каналов, приходящую в разное время, а затем начать считывание информации по сигналу синхронизации из УСТРОЙСТВА УПРАВЛЕНИЯ. Как показано во Введении, для выполнения временной коммутации также необходимо запомнить приходящую информацию, а затем считывать эту информацию в порядке соответствующим карте коммутации. Отсюда несложно сделать вывод о целесообразности объединения блоков ЦИКЛОВОГО ВЫРАВНИВАНИЯ и КОММУТАЦИИ, а БЛОК ВЫДЕЛЕНИЯ ЦИКЛОВОГО И СВЕРХЦИКЛОВОГО СИНХРОНИЗМА можно оставить в виде отдельного блока. Такая структурная схема представлена на рис. 3.5.
Рассмотрим подробнее назначение блоков и их отличия от прототипа:
БЛОК ЦИКЛОВОГО ВЫРАВНИВАНИЯ И КОММУТАЦИИ предназначен для приема 8ми входящих групповых каналов формата ИКМ – 30/32 их последующего выравнивания, временного уплотнения и коммутации. По сравнению с прототипом такое объединение функций позволило снизить внутреннюю частоту с 8192 кГц до 2048 кГц, т.е. в четыре раза, а задержку передачи информации с 2 – 3 циклов в прототипе, до 1 - 2 за счет объединения функций коммутации и выравнивания в одном блоке. Снизить внутреннюю частоту до тактовой частоты входного сигнала стало возможным из-за пространственного распараллеливания разрядов уплотненного общего канала и передачи этих разрядов по параллельной шине. А так как все восемь разрядов информационного канала всегда коммутируются по одному адресу, то пространственной коммутации не требуется, а весь процесс коммутации сводится, как показано выше лишь к перестановке канала из одной временной позиции в другую.
БЛОК ВЫДЕЛЕНИЯ ЦИКЛОВОГО И СВЕРХЦИКЛОВОГО СИНХРОНИЗМА предназначен для выделения из информационных каналов потока ИКМ – 30/32 сигналов цикловой и сверхцикловой синхронизации, которые позволяют синхронизировать работу устройства в целом и выровнять входящие групповые каналы. Этот блок принципиально не отличается от аналогичного блока в прототипе.
БЛОК ФОРМИРОВАНИЯ ИСХОДЯЩИХ КАНАЛОВ предназначен для преобразования скоммутированного уплотненного временного канала в 8 выходных групповых каналов и вставки в них служебных каналов, пришедших из УСТРОЙСТВА УПРАВЛЕНИЯ. Принципиальным отличием от аналогичного блока в прототипе является отсутствие повышенной тактовой частоты входящего уплотненного канала и наличие 8ми разрядной шины на входе блока.
ГЛАВА 4
ВЫБОР СХЕМО-ТЕХНОЛОГИИ ПРОЕКТИРУЕМОЙ БИС
КРАТКИЙ ОБЗОР СУЩЕСТВУЮЩИХ СХЕМО-ТЕХНОЛОГИЙ ПРИМЕНЯЕМЫХ В ИНТЕГРАЛЬНЫХ СХЕМАХ
Рассмотрим наиболее распространенные схемотехнологии применяемые в интегральных схемах:
Транзисторно-транзисторная логика (ТТЛ).
Эмиттерно-связанная логика (ЭСЛ).
Логика, построенная на основе структуры метал-диэлетрик-полупроводник с п-каналом (пМДП).
Логика, построенная на основе структуры метал-диэлетрик-полупроводник с транзисторами разной проводимости (КМДП).
ТЕХНОЛОГИЯ ТТЛ.
Технология ТТЛ основана на биполярных структурах. Базовый элемент ТТЛ представляет собой схему, содержащую один многоэмиттерный транзистор и один обычный (см. рис. 5.1), это логическая схема И-НЕ (функцию И выполняет транзистор VT1, а функцию инверсии выполняет транзистор VT2).

Рис. 5.1. Базовый элемент ТТЛ.
Подобная схема обладает низкой помехоустойчивостью и низким быстродействием, быстродействие можно увеличить, используя сложный инвертор, который позволяет сократить время включения (переход из логического «0» в логическую «1»); но время выключения (переход из логической «1» в логический «0») сократить, не удается.
Более высокое быстродействие позволяют получить схемы субсемейства ТТЛШ (транзисторно-транзисторная логика с использованием транзисторов с барьером Шотки; см. рисунок 5.2). В таких схемах барьер Шотки создает нелинейную обратную связь в транзисторе, в результате транзисторы не входят в режим насыщения, хотя и близки к этому режиму. Следовательно, практически исключается время рассасывания, что позволяет существенно увеличить быстродействие.
Р
ис.
5.2. Транзистор
Шотки.
ТЕХНОЛОГИЯ ЭСЛ.
Т
ехнология
ЭСЛ
является так
же, как и технология
ТТЛ,
биполярной,
т.е. элементы
строятся с
использованием
биполярных
структур. Основой
элементов ЭСЛ
является так
называемый
«переключатель
тока», на основе
которого строится
базовый элемент
этой технологии
- ИЛИ- -НЕ (см. рис.
5.3); по выходу1
данной схемы
реализуется
логическая
функция ИЛИ-НЕ,
а по выходу2
- ИЛИ.
Рис. 5.3. Базовый элемент ЭСЛ.
Из-за низкого входного сопротивления схемы ЭСЛ обладают высоким быстродействием и работают преимущественно в активном режиме, следовательно, помеха попавшая на вход усиливается. Для повышения помехоустойчивости шину коллекторного питания делают очень толстой и соединяют с общей шиной.
По сравнению со схемами ТТЛ схемы ЭСЛ обладают более высоким быстродействием, но помехоустойчивость у них гораздо ниже. Схемы ЭСЛ занимают большую площадь на кристалле, потребляют большую мощность в статическом состоянии, так как выходные транзисторы открыты и через них протекает большой ток. Схемы, построенные по данной технологии не совместимы со схемами, построенными по другим технологиям, использующим источники положительного напряжения.
ТЕХНОЛОГИЯ пМДП.
В отличие от технологий, рассмотренных выше, технология пМДП основана на МДП - структурах, которые обеспечивают следующие преимущества по сравнению с биполярными:
Входная цепь (цепь затвора) в статическом режиме практически не потребляет тока (высокое входное сопротивление);
Простая технология производства и меньшая занимаемая площадь на кристалле.
О
сновными
логическими
схемами изготовлеваемыми
на основе пМДП
являются схема
ИЛИ-НЕ и И-НЕ
(см. рис. 5.4 и рис.
5.5).
Р
ис.
5.4. Схема ИЛИ-НЕ.
Рис. 5.5. Схема И-НЕ.
К недостаткам этих схем можно отнести невысокое быстродействие, по сравнению со схемами ТТЛШ и ЭСЛ. Но в настоящее время благодаря применению новых технологий (окисная изоляция, использование поликремневых затворов, технология «кремний на сапфире») создаются быстродействующие МДП структуры.
5.1.4. ТЕХНОЛОГИЯ КМДП.
Следующим шагом развития МДП технологии стало использование комплиментарных МДП транзисторов, т.е. транзисторов с разным типом проводимости, причем основными являются транзисторы п-типа; а транзисторы р-типа используются в качестве динамической нагрузки.
Использование КМДП-схем по сравнению со схемами пМДП позволяет снизить потребляемую мощность, повысить быстродействие и помехоустойчивость, однако это достигается за счет увеличения площади занимаемой на кристалле и усложнения технологии производства.
Б
азовыми
элементами
КМДП-схем
являются, как
и для пМДП,
логические
элементы ИЛИ-НЕ
и И-НЕ (см рис.
5.6 и 5.7).
Р
ис.
5.6. Схема ИЛИ-НЕ.
Рис. 5.7. Схема И-НЕ.
К особенностям интегральных схем, построенных по технологии КМДП можно отнести следующее:
Чувствительность к статическому электричеству (для защиты в буферные каскады ставятся диоды);
Тиристорный эффект (в КМДП структурах образуются паразитные биполярные, подобные тиристору, структуры между шинами питания). При включении питания тиристор включается и замыкает шину «+» на общую шину (для защиты используется окисная изоляция).
ВЫБОР СХЕМОТЕХНОЛОГИИ ПОСТРОЕНИЯ БИС
При сравнении рассмотренных выше схемотехнологий не трудно придти к следующим выводам:
В биполярных технологиях базовым является элемент реализующий лишь одну логическую функцию (И-НЕ в ТТЛ(Ш) и ИЛИ-НЕ в ЭСЛ), в то время как базовыми в МДП технологиях являются и те и другие логические элементы. Конечно, можно любую логическую функцию перевести в базисы И-НЕ или ИЛИ-НЕ, но это усложняет и процесс создания схемы, и саму схему. Следовательно с этой позиции схемы предпочтительней строить на основе МДП структур.
Так как внутреннее умножение частоты в проектируемой БИС было устранено, то быстродействие не играет значительной роли, следовательно, технология ЭСЛ отпадает; так как интегральные схемы, построенные по данной технологии, потребляют значительную мощность и менее помехоустойчивы, чем все остальные; а для обеспечения питания таких схем необходимы специальные каскады.
У схем МДП более простая технология изготовления, что сказывается на себестоимости всего устройства в целом, следовательно, с этих позиций технология МДП предпочтительней биполярной.
В результате анализа различных технологий (см. ГЛАВА 9) было отдано предпочтение технологии КМДП, как наиболее оптимальной для решения данной задачи.
СХЕМЫ КМДП С ТРЕЬИМ СОСТОЯНИЕМ
Для решения некоторых задач, например, таких как подключение нескольких устройств к одной шине, используются схемы с третьим состоянием. Помимо двух логических уровней у такой схемы есть еще одно - третье состояние, в котором выход (иногда вход) схемы отключен, и сигналы проходящие по шине в этот момент не влияют на элементы данной схемы, и в тоже время на шину не поступают сигналы от отключенных таким способом элементов. В результате схемы с третьим состоянием позволяют избежать наложения сигналов от разных устройств, подключенных к одной шине и, следовательно, избежать помех в общих для нескольких устройств проводниках. Так как для построения схемы была выбрана технология КМДП, то рассмотрим схему с тремя состояниями на примере инвертора построенного по технологии КМДП, схема этого устройства изображена на рисунке 5.8.
Транзисторы VT1 и VT2 представляют собой обычный КМДП инвертор, подключенный к источнику питания и общей шине через транзисторные ключи, построенные на транзисторах VT3 и VT4.
Р
ис.
5.8. Схема КМДП
с тремя состояниями.
Р
ассмотрим
принцип работы
данной схемы.
Управление
ей осуществляется
двумя входами
Z и Z.
Если на вход
Z подать
напряжение
логической
единицы, то
транзисторы
VT3 и VT4
откроются
и схема работает
как обычный
инвертор, а
при подаче на
управляющий
вход напряжения
логического
нуля транзисторы
VT3 и VT4
закроются и
на выходе схемы
окажется очень
большое сопротивление.
Таблица истинности
такого элемента
сведена в таблицу
5.1.
Таблица 5.1.
-

Вход
Z
Z
Выход
0
1
0
1
0
0
1
1
1
1
0
0
Отключен
Отключен
1
0
ГЛАВА 5
РАЗРАБОТКА ПРИНЦИПИАЛЬНЫХ ЭЛЕКТРИЧЕСКИХ СХЕМ БАЗОВЫХ ЯЧЕЕК ПРОЕКТИРУЕМОЙ ЗАКАЗНОЙ БИС
Любое цифровое устройство предназначено для выполнения той или иной логической функции, следовательно, такое устройство можно представить в виде элементарных ячеек, таких как НЕ, И-НЕ, ИЛИ-НЕ. Рассмотрим их схемы и принцип работы.
Из-за того, что разработка элементов велась на программе схемотехнического моделирования в стандарте ANSI, то обозначения элементов не совпадают принятыми в нашей стране; соответствие элементов показано на рисунке 6.1.
Рис. 6.1. Таблица соответствия элементов.
ЯЧЕЙКА НЕ (ИНВЕРТОР).
Инвертор представляет собой элемент, с помощью которого реализуется логическая функция НЕ, т.е. при поступлении на вход логической единицы на выходе образуется логический ноль, а при поступлении на вход логического нуля на выходе образуется логическая единица. Результат схемотехнического моделирования и таблица истинности данного элемента представлены на рисунке 6.2.
Принцип работы этой схемы заключается в следующем, при поступлении на вход напряжения логической единицы транзистор VT1 открывается, а VT2 закрывается, напряжение на выходе падает до величины логического нуля (см. осциллограмму на рисунке 6.2). При подаче на вход схемы напряжения логического нуля транзисторы VT1 закрывается, а VT2 открывается, на VT1 возникает падение напряжения и напряжение на выходе начинает возрастать до величины логической единицы (см. осциллограмму на рисунке 6.2).




























Рис. 6.2. Схема инвертора.
ЯЧЕЙКА ИЛИ-НЕ
Схема ИЛИ-НЕ представляет собой элемент, который при поступлении хотя бы на один его из входов напряжения логической единицы выдает на выходе логический ноль, в противном случае на выходе схемы ИЛИ-НЕ будет логическая единица.
Ячейка ИЛИ-НЕ на два входа представлена на рисунке 6.3. Рассмотрим принцип работы данного элемента. При поступлении напряжения логической единицы на один из входов схемы, один из входных транзисторов (VT1 или VT2) открывается, а соответствующий ему нагрузочный транзистор (VT3 или VT4) закрывается, в результате выход оказывается подключенным к «земле», т.е. на выходе образуется логический ноль. При поступлении на оба входа схемы напряжения логического нуля, транзисторы VT1 и VT2 закрываются, а нагрузочные транзисторы наоборот открываются, в результате на закрытых транзисторах образуется падение напряжения и на выход схемы поступает напряжение логической единицы. На осциллограмме (см. рис. 6.3) представлены эпюры напряжений на входах и выходе схемы, иллюстрирующие работоспособность данного элемента, на этом же рисунке представлена таблица истинности элемента ИЛИ-НЕ.
Иногда требуются схемы ИЛИ-НЕ с большим количеством входов. Для построения таких схем достаточно добавить по два транзистора на каждый вход, транзистор п-типа подключить параллельно другим транзисторам п-типа, а транзистор р-типа подключить последовательно другим транзисторам р-типа. Схема ИЛИ-НЕ на три входа изображена на рисунке 6.4. Принцип работы данной схемы не отличается от принципа работы схемы ИЛИ-НЕ на два входа.




























Р
ис.
6.3. Ячейка ИЛИ-НЕ
на два входа.
Рис. 6.4. Схема ИЛИ-НЕ на три входа.
ЯЧЕЙКА И-НЕ
Схема И-НЕ представляет собой элемент, который при поступлении на все входы напряжения логической единицы выдает на выходе напряжение логического нуля, в противном случае на выходе будет логическая единица.
Схема И-НЕ на два входа представлена на рисунке 6.5. Рассмотрим принцип работы данного элемента. При поступлении хотя бы на один из входов напряжения логического нуля один из входных транзисторов (VT1 или VT2) закрывается, на нем образуется падение напряжения, а один из нагрузочных транзисторов (VT3 или VT4) открывается, в итоге на выходе образуется напряжение логической единицы. При поступлении на оба входа напряжения логической единицы, оба транзистора VT1 и VT2 открываются, а транзисторы VT3 и VT4 закрываются, и выход оказывается подключен к «земле», другими словами на выходе действует напряжение логического нуля.




























Рис. 6.5. Схема И-НЕ на два входа.
Иногда требуются схемы И-НЕ с большим количеством входов. Для построения таких схем достаточно добавить по два транзистора на каждый вход, транзистор п-типа подключить последовательно другим транзисторам п-типа, а транзистор р-типа подключить параллельно другим транзисторам р-типа. Схема ИЛИ-НЕ на три входа изображена на рисунке 6.6. Принцип работы данной схемы не отличается от принципа работы схемы ИЛИ-НЕ на два входа.

Рис. 6.6 Схема И-НЕ на три входа.
6.4 ЭЛЕМЕНТЫ «И» И «ИЛИ»
Элементы И и ИЛИ получаются добавлением на выход элементов И-НЕ и ИЛИ-НЕ инверторов, в результате двойного логического отрицания на выходе схемы получается требуемая логическая функция. Эквивалентные логические схемы элементов И и ИЛИ представлены на рисунках 6.7 и 6.8.

Р
ис.
6.7. Эквивалентная
схема элемента
И.
Рис. 6.7. Эквивалентная схема элемента ИЛИ.
6.5 ЯЧЕЙКА ПАМЯТИ
Ячейка
памяти является
еще одним базовым
элементом, на
основе которого
строятся
запоминающие
устройства
различных
блоков. Ячейка
памяти предназначена
для хранения
информации
поступившей
по входной
шине и считывания
информации
по выходной
шине, причем
ячейка должна
памяти должна
обеспечивать
координатную
выборку информации.
Ячейка памяти
представляет
собой простейший
триггер, содержащий
две пары КМДП
транзисторов
и два п-канальных
транзистора
в качестве
ключей (см. рис.
6.8). Необходимо
отметить, что
при разработке
элементов
ячейки памяти
учитывались
требования
миниатюризации
с одн
ой
стороны и
требования
обеспечения
определенного
запаса по
быстродействию
с другой.




































Рис. 6.8. Принципиальная схема запоминающей ячейки.
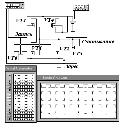
Рассмотрим принцип работы данной ячейки. При поступлении напряжения логической единицы на адресный вход (Адрес), транзисторы VT5 и VT6 открываются и триггер, собранный на VT1 - VT4, начинает работать в обычном режиме, т.е. при поступлении на вход логической единицы, на выходе образуется логический ноль, и, наоборот, при поступлении логического нуля, на выходе образуется логическая единица. Это происходит из-за того, что один из транзисторов VT1 или VT2 открыт, т.к. они включены в противофазе. Транзисторы VT3 и VT4 играют роль динамической нагрузки. Если использовать один из входов триггера для записи информации (Запись), а с другого эту информацию считывать (Считывание), то получится ячейка памяти, но с инверсным выходом, т.к. считанные сигналы необходимо усилить, то это можно сделать при помощи инвертирующих усилителей считывания.
Для объединения ячеек памяти в единое запоминающее устройство необходимо объединить в общие шины входные и выходные выводы, так чтобы была возможность записывать и считывать информацию в соответствии с функциональными требованиями, а выводы выбора адреса объединить в одну параллельную шину. Схема фрагмента запоминающего устройства из четырех ячеек приведена на рисунке 6.9.

Рис. 6.9. Схема объединения запоминающих ячеек.
Результаты разработки топологии запоминающих ячеек проектируемой БИС рассмотрены в ГЛАВЕ 7, там же рассмотрен принцип размещения ячеек на одном кристалле.
ГЛАВА 6
РАЗРАБОТКА ПРИНЦИПИАЛЬНОЙ СХЕМЫ ПРОЕКТИРУЕМОЙ БИС
Для построения принципиальной схемы на основе функциональной необходимо разработать библиотеку элементов. Библиотека элементов включает в себя наиболее часто используемые элементы функциональной схемы, такие как счетчики, триггеры и др. Библиотечные элементы составляются из базовых ячеек, разработанных ранее. Затем библиотечные элементы объединяются на одной принципиальной схеме.
РАЗРАБОТКА БИБЛИОТЕКИ ЭЛЕМЕНТОВ
ТАКТИРУЕМЫЙ D-ТРИГГЕР
Т



















































актируемые
D-триггеры
используются
в схеме приемника
циклового и
сверхциклового
синхронизма
(на них собран
регистр сдвига);
у тактируемого
триггера добавлен
еще один вход
для синхроимпульса,
по которому
и срабатывает
триггер. Схема
D-триггера,
обозначение
и таблица
переходов
приведены на
рисунке 7.1.
Рис. 7.1. Схема D-триггера.
Рассмотрим принцип работы триггера, его схема содержит два входа: один информационный (D), а другой синхронизирующий (C). При подаче логического нуля на вход С, как видно из осциллограмм, состояние триггера не изменяется, т.к. сигнал не проходит через элементы И-НЕ на входе схемы, и следовательно состояние триггера не изменяется. При подаче на вход С напряжения логической единицы, поступающий на вход D сигнал изменит состояние триггера, т.к. на один из входных элементов И-НЕ поступит единица. При поступлении логической единицы на вход D (на входе С действует напряжение логической единицы), триггер перейдет в состояние, когда на выходе Q действует напряжение логической единицы; а при поступлении логического нуля триггер перейдет в состояние, когда на выходе Q действует напряжение логического нуля.
СЧЕТЧИКИ.
С


















четчики
присутствуют
во всех частях
схемы. Простейшим
двоичным
счетчиком
будет обыкновенный
делитель на
два, который
при поступлении
на вход импульса,
на выходе будет
выдавать логическую
единицу до
тех пор, пока
на вход не
поступят еще
один импульс.
Такой делитель
можно собрать
на одном D-триггере,
соединив выход
Q
со входом
D
и снимая
информацию
с этого же
выхода. Двухразрядный
счетчик импульсов
получится
объединении
двух делителей
на два, причем
вход С
второго делителя
необходимо
присоединить
к выходу Q
первого делителя.
Схема двухразрядного
двоичного
счетчика приведена
на рисунке
7.2.
Рис. 7.2. Схема простейшего двухразрядного счетчика.
Принцип работы данной схемы заключается в следующем, при подаче первого импульса на вход схемы (Т) входной триггер переходит в состояние, когда на выходе Q действует логический ноль, при этом на инверсном выходе образуется логическая единица, поступающая на вход D. Следовательно, при поступлении следующего импульса логическая единица на входе D «перебросит» триггер в состояние, когда на выходе Q начинает действовать логическая единица, запускающая второй триггер, который работает аналогичным образом. Таким образом, на выходах схемы формируется последовательность двоичных чисел (см. осциллограммы на рис. 7.2), сначала 00, затем 01, затем 10 и, наконец, 11; после поступления следующего импульса на вход Т, на выходе снова образуется 00.
У
приведенного
выше счетчика
существует
один недостаток,
его нельзя
«сбросить»
в исходное,
нулевое состояние.
Этот недостаток
легко устраним,
т.к. у D-триггера
имеется возможность
вывести еще
один вход для
сброса триггера
в нулевое
состояние ®,
тогда схема
такого счетчика
примет следующий
вид (см. рис.
7.3).
Рис. 7.3 Двухразрядный счетчик.
Принцип работы данной схемы не отличается от принципа работы схемы приведенной выше, за исключением того, что в нулевое состояние (на выходе 00) эту схему можно перевести в любой момент времени по сигналу R.
П
ри
необходимости
увеличить
разрядность
счетчика можно,
добавляя в
схему новые
триггеры (таким
образом строятся
схемы на 3, 4 и
более разрядов),
но иногда
возникает
необходимость
сбросить не
все выходы
счетчика, а
лишь один разряд.
Такую схему
можно построить,
добавив элемент
ИЛИ-НЕ, подключенный
к триггеру
обслуживающему
заданный разряд.
Рассмотрим
схему четырехразрядного
счетчика, с
возможностью
сброса четвертого
разряда. Схема
такого устройства
представлена
на рисунке
7.4.
Рис. 7.4. Схема четырехразрядного счетчика с возможностью сброса четвертого разряда.
Принцип работы данной схемы практически не отличается от принципа работы счетчика, рассмотренного выше, кроме того, что сброс четвертого разряда может осуществляться как вместе со сбросом всего счетчика, так и отдельно, для этого в схему добавлен элемент ИЛИ-НЕ.
ДЕШИФРАТОРЫ
Д
ешифраторы,
как и счетчики,
встречаются
во всех элементах
схемы. Применяемые
в устройстве
дешифраторы
являются
позиционными,
они преобразуют
двоичный код
в импульс на
соответствующем
коду номере
выхода. Для
построения
такой схемы,
в отличие от
предыдущих,
не нужно использовать
элементы с
памятью (такие
как триггеры),
ее можно собрать
лишь из схем
НЕ и И. Схема
трехразрядного
дешифратора
представлена
на рисунке
7.5.
Рис. 7.5. Схема трехразрядного дешифратора.
Схема работает следующим образом, при поступлении кодовой комбинации (от 000 до 111) на вход ищется совпадение (при помощи схем И) и на соответствующий выход поступает напряжение логической единицы. Инверторы требуются для преобразования кодовых комбинаций, содержащих логические нули.
В разрабатываемой БИС существует необходимость и в дешифраторах на большее количество разрядов (4 и 5), поэтому необходимо рассмотреть схемы таких дешифраторов. Принципы функционирования таких схем не отличаются от принципа функционирования трехразрядного дешифратора, только количество схем совпадения (И) увеличивается в соответствии с увеличением выходов (N):
N = 2n; [7.1]
где n - количество входов, и количество инверторов увеличится до количества входов.
Схема дешифратора на четыре входа представлена на рисунке 7.6. Аналогично строится схема и пятиразрядного дешифратора.
Р
ис.
7.5. Схема четырехразрядного
дешифратора.
МУЛЬТИПЛЕКСОР
Мультиплексор является устройством, подключающим один из входов к выходу по сигналу управления. В схеме проектируемого устройства мультиплексор встречается всего один раз, но так как схема его получается достаточно простой, то было решено вынести мультиплексор в библиотеку элементов. У разрабатываемого мультиплексора 10 информационных входов, разбитых на две группы по 5 входов, и 5 выходов, к которым подключается соответствующая группа входов, управление производится при помощи одного управляющего входа. Схема такого мультиплексора представлена на рисунке 7.6.
Рассмотрим принцип работы данной схемы, при поступлении на вход А уровня логического нуля через инвертор подключаются схемы совпадения для первой группы входов, при прохождении через любой из входов этой группы сигнала логической единицы, одна из схем И срабатывает и выдает на своем выходе напряжение логической единицы, через схему ИЛИ подключены выходы, и при поступлении на один из входов схемы ИЛИ, сигнал проходит на выход. При подаче напряжения логической единицы на вход А первая группа входов отключается, и подключается вторая группа входов, схема работает в аналогичном первому случаю режиме, только на выход поступают сигналы со второй группы входов. Этот принцип работы хорошо иллюстрируется при помощи осциллограмм приведенных на рисунке 7.6.

















Рис. 7.6. Схема мультиплексора.
- РАЗРАБОТКА ПРИНЦИПИАЛЬНЫХ СХЕМ БЛОКОВ ПРОЕКТИРУЕМОЙ БИС
РАЗРАБОТКА ПРИНЦИПИАЛЬНОЙ СХЕМЫ ПРИЕМНИКА ЦИКЛОВОГО И СВЕРХЦИКЛОВОГО СИНХРОНИЗМА
Разработку принципиальной схемы на основе разработанной библиотеки элементов необходимо вести по функциональной схеме данного блока. В функциональной схеме имеется регистр сдвига на тактируемых триггерах (следовательно, нам понадобятся 8 D-триггеров), схемы совпадения собраны на собраны на элементах И (на 4 и на 6 входов), счетчики и дешифраторы также являются библиотечными элементами, следовательно, по сравнению с функциональной схемой принципиальная не несет в себе изменений. Принципиальная схема, построенная с помощью программы схемотехнического моделирования, представлена на рисунке 7.7, единственным отличием, связанным со спецификой программы является построение схемы в стандарте ANSI. Функционирование схемы, подробно описано в ГЛАВЕ 3.

Рис. 7.7. Принципиальная схема приемника циклового и сверхциклового синхронизма.
РАЗРАБОТКА ПРИНЦИПИАЛЬНОЙ СХЕМЫ КОММУТАЦИОННОГО ЭЛЕМЕНТА
Принципиальная схема КОММУТАЦИОННОГО ЭЛЕМЕНТА также строится на основе функциональной схемы, но в данном случае необходимо рассмотреть соединение ячеек памяти, входящих в состав двух ОЗУ (запоминающего устройства адреса и информационного запоминающего устройства).
В
запоминающем
устройстве
адреса, как
следует из
описания структурной
схемы запись
и считывание
производятся
словами по 6
бит, следовательно,
необходимо
объединить
входы и выходы
ячеек, расположенных
в одной строке,
а адресные
входы необходимо
объединить
у ячеек, расположенных
в одном столбце
(см. рис. 7.8).
Рис. 7.8. Принципиальная схема запоминающего устройства адреса.
В
информационном
запоминающем
устройстве
запись производится
побитно, а
считывание
словарно (по
8 бит), для этого
необходимо
объединить
входы всех
ячеек, а выходы
ячеек объединить
по строкам,
при этом необходимо
к каждому
адресному
входу подключит
элемент И, который
и позволит
выбрать именно
ту ячейку памяти,
которую и
необходимо
(см. рис. 7.9). При
таком построении
запоминающего
устройства
адрес строки
и адрес столбца
должны задаваться
для каждой
ячейки отдельно.
Рис. 7.9. Принципиальная схема запоминающего устройства коммутации.
Дальнейшая разработка принципиальной схемы КОММУТАЦИОННОГО ЭЛЕМЕНТА сводится к подстановке разработанных библиотечных элементов в соответствии с функциональной схемой данного блока. Запоминающие устройства на принципиальной схеме блока представлены в виде отдельных элементов. Разработка принципиальной схемы велась при помощи программы схемотехнического моделирования, и все элементы данного устройства представлены в стандарте ANSI. Принципиальная схема коммутационного элемента представлена на рисунке 7.10.
Функционирование данной схемы описано в ГЛАВЕ 7, но необходимо отметить, что в запоминающем устройстве коммутации при записи и считывании информация представляется в разной форме (при записи побитно, а при считывании словарно) и поэтому дешифратор строк при считывании информации необходимо отключить.

Рис. 7.10. Принципиальная схема коммутационного элемента.
ПРИНЦИПИАЛЬНАЯ СХЕМА БЛОКА ФОРМИРОВАНИЯ ИСХОДЯЩИХ КАНАЛОВ
Р
азработка
принципиальной
схемы БЛОКА
ФОРМИРОВАНИЯ
ИСХОДЯЩИХ
КАНАЛОВ, не
отличается
от разработки
предыдущих
принципиальных
схем. Рассмотрим
принцип работы
запоминающего
устройства.
При записи
запоминающее
устройство
воспринимает
информацию
словарно по
8 бит, и записывает
ее в соответствующий
столбец (для
этого необходимо
объединить
входы элементов
входящих в
одну строку),
а считывание
информации
происходит
из соответствующей
строки (для
этого необходимо
объединить
элементы, входящие
в один столбец)
(см. рис. 7.11)
Рис. 7.11. Принципиальная схема запоминающего устройства.
Д
ля
построения
принципиальной
схемы всего
блока, также
была использована
программа
схемотехнического
работающая
в стандарте
ANSI. Принципиальная
схема блока
представлена
на рисунке
7.12.
Рис. 7.12. Принципиальная схема блока формирования исходящих каналов.
Функционирование данного блока более подробно описано в ГЛАВЕ 3.
ГЛАВА 7
КОНСТРУКТИВНЫЕ ОСОБЕННОСТИ ПРОЕКТИРУЕМОГО УСТРОЙСТВА
ВВЕДЕНИЕ
В настоящее время существует несколько стандартных технологий производства кристалла с линиями рисунка от 0,25 до 3,0 мкм. Но в связи с тем, что в нашей стране технологии 0,25 и 0,35 мкм еще не отработаны, то приходится разрабатывать устройства с учетом имеющихся технологий, т.е. приходится прибегать к схемотехническим изощрениям для получения конкурентоспособной интегральной схемы. В результате была выбрана технология изготовления кристалла с минимальной шириной рисунка 1,2 мкм, как наиболее отработанная и наиболее экономически выгодная. При появлении в нашей стране более современных технологий на одном кристалле при тех же размерах можно будет разместить коммутатор на большее количество каналов.
8.1.1 ОСНОВНЫЕ ТЕХНИЧЕСКИЕ ХАРАКТЕРИСТИКИ КРИСТАЛЛА
Рассмотрим основные характеристики проектируемой БИС, в основном, определяемые технологией производства:
Напряжение питания - 5 В;
Ток потребления - не более 1 мА;
Диапазон рабочих температур - от -20 до +60 0С;
Технология производства - стандартная, 1,2 мкм;
Предполагаемый тип корпуса - 2123.40-1, стандартный, с количеством выводов – 40.
НАЗНАЧЕНИЕ ВЫДОВ МИКРОСХЕМЫ
Таблица 8.1
Предварительно принятое назначение выводов микросхемы
-
Выводы
Назначение
1 - 8
9 - 16
17,18
- 22
- 26
- 30
31
32
33
34
35
Групповые входы
Групповые выходы
Питание и «земля»
Шина обмена информацией между кристаллами по горизонтали
Шина обмена информацией между кристаллами по вертикали
Адресные выводы кристалла
Ввод команды
Вывод результатов
Выбор кристалла
Ввод тактовой частоты
Ввод синхроимпульсов
ЭЛЕМЕНТЫ ТОПОЛОГИИ
КОНСТРУКТИВНО - ТЕХНОЛОГИЧЕСКИЕ ОГРАНИЧЕНИЯ
В данном разделе приведены основные конструкторско-технологические ограничения на проектирование микросхемы, определяемые заводом изготовителем в соответствии с применяемой технологией.
Конструкторско-технологические ограничения предназначены для проектирования топологии цифровых КМДП БИС по технологии, предусматривающей использование «карманов» п-типа проводимости, изоляцию элементов посредством заглубленных в объем монокристаллического кремния, легированного фосфором, самосовмещенных транзисторных структур и двухуровневой разводки, сформированной на основе сплавов алюминия.
Перечень и последовательность слоев фотолитографии, существенных при проектировании БИС, приведены в таблице 8.2.
Минимальная ширина топологического рисунка - 1,2 мкм. Остальные минимально-допустимые размеры элементов топологии, существенные для проектирования блоков БИС, приведены в таблице 8.3.
Транзисторные структуры, выполненные по данной технологии характеризуются следующими физико-технологическими параметрами:
Эффективная длинна канала транзистора - 1,0 мкм;
Удельная емкость затвора - 800 пф/мм;
Подвижность электронов в канале - 400 см/В с;
Подвижность дырок в канале - 200 см/В с;
Пороговое напряжение
п-канальных транзисторов - 0,5 … 1,5 В;
р-канальных транзисторов - 0,8 … 2,0 В.
Таблица 8.2
Перечень слоев фотолитографии
-
Номер
слоя
Наименование слоя
1
2
3
4
5
6
7
8
9
10
Карман п-типа
Диффузионные области р-охраны
Активные области транзисторов (тонкий окисел)
Затворы из поликристаллического кремния, легированного фосфором
Диффузионные области истока-стока р-канальных транзисторов
Диффузионные области истока-стока п-канальных транзисторов
Первые контактные окна в диэлектрическом слое
Алюминиевая металлизация первого уровня
Вторые контактные окна в диэлектрическом слое
Алюминиевая металлизация второго уровня
Таблица 8.2.
Минимально-допустимые размеры элементов топологии
-
№
пп
Наименование элемента топологии
Размер, мкм
1
2
3
4
5
6
7
8
9
10
11
12
13
14
15
16
17
18
19
Перекрытие области тонкого окисла областью кармана п-типа
Перекрытие области охраны р-типа областью тонкого окисла
Расстояние между границей области кармана и границей области охраны р-типа
Ширина области локального окисла внутри области кармана п-типа
Расстояние от границы тонкого окисла до контактной площадки из поликристаллического кремния
Расстояние между двумя соседними областями из поликристаллического кремния
Ширина затворов из поликристаллического кремния
Размер стороны контактной площадки из поликристаллического кремния
Ширина шин из поликристаллического кремния вне области канала
Расстояние между областью охраны р-типа и областями исток-сток п-канальных транзисторов
Расстояние между областями исток-сток р-канальных транзисторов и карманом п-типа
Размер стороны контактного окна
Расстояние от края контактного окна до края контактной площадки
Ширина шин алюминия первого уровня металлизации
Ширина шин алюминия второго уровня металлизации
Расстояние между двумя шинами алюминия в одном уровне металлизации
Расстояние от линии рельефа до края контактного окна
Расстояние от края контактного окна к диффузионной области истока-стока до поликристаллического затвора
Перекрытие локального окисла поликремневым затвором п- и р-канальных транзисторов.
0,5
1,0
4,0
2,0
0,5
1,2
1,2
4,0
2,0
2,0
1,2
1,0
1,2
3,0
4,0
1,2
0,5
1,0
1,2
8.2.2 ПРИМЕР ТОПОЛОГИИ ВЫПОЛНЕНОЙ С УЧЕТОМ НОРМ КОНСТРУКТИВНО - ТЕХНОЛОГИЧЕСКИХ ОГРАНИЧЕНИЙ
Проектирование топологии кристалла определяется с одной стороны конструктивно-технологическими ограничениями, описанными в предыдущем разделе, а с другой стороны - требованиями минимизации площади, занимаемой схемой. Кроме того, выбранная архитектура кристалла позволяет использовать предварительно разработанные библиотечные элементы. К числу таких элементов относятся инвертор, двух-, трех- и четырехпроводные логические элементы, триггеры различного назначения, регистровые ячейки. Однако, требования миниатюризации, особенно для блоков ОЗУ, привели к необходимости разработки оригинальных устройств. На рисунках 8.1 и 8.2 показана разработанная топология запоминающей ячейки и фрагмент ОЗУ из четырех ячеек.
- Al
- Si
Р+
Активная
область
N++
N++
Р+
Активная
область
Р+
N+
N+
Активная
область



Рис. 8.1. Топология запоминающей ячейки ОЗУ.



















«Земля»
Вход

Адрес
Питание


Выход
Рис. 8.2. Фрагмент топологии ОЗУ из 4х стандартных ячеек.
ГЛАВА 8
МЕРОПРИЯТИЯ ПО ОХРАНЕ ТРУДА ПРИ РАБОТЕ С ЭВМ ПРИ РАЗРАБОТКЕ ТОПОЛОГИИ БАЗОВЫХ ЯЧЕЕК ЭЛЕМЕНТОВ ПРОЕКТИРУЕМОЙ БИС
9.1 ПРЕДИСЛОВИЕ.
Компьютеры все шире входят во все сферы нашей жизни. Компьютер стал привычным не только в производственных цехах и научных лабораториях, но и в студенческих аудиториях и школьных классах. Непрерывно растет число специалистов, работающих с персональным компьютером, который становится их основным рабочим инструментом. Небывалая скорость получения визуальной информации и ее передачи адресату, а, следовательно, возможность наиболее эффективного практического использования этой информации - вот основные причины всеобщей компьютеризации.
Однако длительное пребывание у экрана компьютера без соблюдения необходимых правил небезвредно для здоровья операторов. В первую очередь они отмечают нарушение зрения, утомление мышц рук и позвоночника, общую слабость. Основные факторы вредного влияния компьютера на организм - это электромагнитные поля и излучения, электронная развертка изображения и его мелькание на экране, длительная неподвижность позы оператора. Предупредить воздействие этих факторов, - значит, сохранить здоровье.
9.2 ДИСПЛЕЙ – РИСК ДЛЯ ЗДОРОВЬЯ.
Средства отображения визуальной информации, обеспечивающие эффективное информационное взаимодействие человека с компьютером, получают широкое распространение в различных автоматизированных системах управления и проектирования. Получение информации, ее хранение, обработка и передача адресату происходят в сотни и тысячи раз быстрее, чем это сделал бы человек с помощью обычных средств связи. Системы отображения быстро совершенствуются, расширяется их номенклатура, создаются компактные и универсальные средства, легко приспосабливаемые к различным условиям применения.
Число специальных вычислительных комплексов и промышленных систем управления производственными процессами, как и число операторов ЭВМ, постоянно увеличивается. Ежедневно в течение нескольких часов операторы находятся перед экранами электронных дисплеев, что при несоблюдении санитарно-гигиенических норм и правил может повлечь за собой развитие некоторых профессиональных заболеваний. На состояние здоровья оператора дисплея могут влиять такие вредные факторы, как длительное неизменное положение тела, вызывающее мышечно-скелетные нарушения; постоянное напряжение глаз; воздействие радиации (излучение от высоковольтных элементов схемы дисплея и электронно-лучевой трубки); влияние электростатических и электромагнитных полей, что может приводить к кожным заболеваниям, появлению головных болей и дисфункции ряда органов. Все эти проблемы серьезно изучаются и обсуждаются во всем мире.
За последнее время привлекает к себе внимание такое явление, как техностресс. Дело в том, что с внедрением видеодисплеев работающие с ними пытаются получить ответ на следующие вопросы: является ли силовой трансформатор видеодисплея опасным с точки зрения излучения? Создает ли видеодисплей другие опасные излучения? Возможны ли иные проблемы со здоровьем? Даже в случае отрицательного ответа на эти вопросы остаются некоторая неопределенность и ощущение тревоги, что может привести к плохому самочувствию и даже развитию фобии - боязни дисплея. Поэтому психическое состояние человека, находящегося перед экраном дисплея, - одна из важнейших проблем, над решением которой работают тысячи специалистов.
Становится все более очевидной тесная взаимосвязь между эргономикой (т.е. научной организацией) рабочего места, уровнем психологических расстройств операторов видеодисплеев и нарушениями здоровья. При разработке методов управления такими факторами необходимо принимать во внимание эффекты обратной связи, что требует подробного анализа всех элементов функционирующей системы.
Исследования взаимосвязи условий работы и здоровья служащих включают:
- медицинское обследование (офтальмологическое, ортопедическое, аллергологическое и др.);
- анализ рабочих задач, уровня умственной нагрузки и нагрузки на зрительный аппарат;
- количественную оценку времени, требуемого для выполнения поставленных задач;
- анализ гигиенических условий - изменение качественных параметров воздуха;
- проверку правильности работы и эффективности системы кондиционирования;
- анализ окружающего шума;
- анализ светотехнических условий (освещение, яркость, контрастность).
Обследования служащих, работающих в учреждениях Северной Америки и Европы, показали, что раздражение слизистой оболочки глаз и носоглотки, головная боль, аллергическое состояние, респираторные затруднения, раздражения кожи, объединяемые общим термином "синдром заболевания", часто наблюдаются у работающих в кондиционированных помещениях. Обычно такие нарушения связывают с плохим состоянием воздуха внутри рабочего помещения, однако в некоторых исследованиях была установлена связь с профессиональными факторами, такими, как продолжительность пользования видеодисплеем, степень стрессового воздействия и удовлетворение работой. Исследовалась взаимосвязь между индивидуальными и профессиональными факторами и восприимчивостью к качеству воздуха у служащих офисов. При анализе воздуха определялись содержание в нем окиси углерода, двуокиси углерода, формальдегида, никотина, взвешенных частиц, а также температура и относительная влажность. В пыли, взятой с экранов видеодисплеев, были обнаружены минеральные волокна, что дало основание сделать вывод об электростатическом влиянии видеодисплеев на микроклимат рабочего места.
Неионизирующее электромагнитное излучение в неоптическом диапазоне частот может нанести вред здоровью, при этом имеют значение напряженность поля, диапазон частот, вид излучения (импульсное или непрерывное) и время воздействия. В некоторых рабочих помещениях видеодисплеи являются сильными источниками неионизирующих электромагнитных, оптических и субоптических излучений (рис. 9.1).
Были проведены также измерения излучений дисплеев в диапазоне от 20 Гц до 2 МГц. Измерения показали, что максимальная напряженность электрического поля составляет 430 В/м, а магнитного — 8 А/м. Данные значения не представляют большой опасности для здоровья оператора видеодисплея. Хотя случаи эритемы (покраснения кожи) у операторов встречаются чаще, чем у других работников, четкой связи между эритемой и работой с дисплеями установить не удалось. Большая рабочая нагрузка может вызвать некоторые симптомы кожных заболеваний, но нельзя с уверенностью утверждать, что это следствие воздействия видеодисплеев.
Затруднения зрительного восприятия можно объяснить следующими факторами:
- резкими контрастом между яркостью экрана компьютера и освещенностью помещения (предпочтительным является средний контраст);
-
недостаточной
освещенностью
рабочего места
(наиболее оптимальна
освещенность
600—400 лк).
Рис. 9.1 Зоны компьютерного излучения А - вид сверху; Б - вид сбоку. Цифрами обозначены зоны и даны величины напряженности электромагнитных полей в них.
Как показали исследования конвергенции глаз в зависимости от частоты мельканий экрана дисплея, точка конвергенции смещается тем дальше, чем меньше частота мельканий. Частота сердцебиений и ее нестабильность являются надежными индикаторами умственной нагрузки. Наиболее оптимальное расстояние наблюдения - 50 - 80 см. Крупный шрифт читается лучше при одинаковых угловых размерах.
Мелькание и дрожание экрана и изображения, резкое падение контраста при внешней засветке отмечаются при работе на дисплеях с вакуумными трубками. Альтернативными технологиями являются плоские плазменные, электролюминесцентные и новейшие жидкокристаллические (ЖК) экраны. Плазменная технология практически исключает мелькание. Электролюминесцентные дисплеи требуют высоких напряжений, что существенно удорожает схемы управления. Наибольшей экономичностью обладают ЖК-дисплеи, как для переносных, так и для стационарных компьютеров. Внедрение дисплеев в разных странах сопровождается реализацией широких программ.
9.3 ЭЛЕКТРОМАГНИТНЫЕ ПОЛЯ И ИЗЛУЧЕНИЯ.
Дисплеи с электроннолучевыми трубками (ЭЛТ) являются потенциальными источниками мягкого рентгеновского, ультрафиолетового, инфракрасного, видимого, радиочастотного, сверх- и низкочастотного электромагнитного излучения (ЭМИ). С конца 70-х годов предметом дискуссий и исследований стал вопрос о возможном влиянии комплекса ЭМИ или отдельных его видов на возникновение кожной сыпи, катаракт глаза, самопроизвольных абортов.
Источниками ЭМИ радиочастотного и низкочастотного диапазонов могут являться система горизонтального отклонения луча электронно-лучевой трубки (ЭЛТ) дисплея, работающего на частотах 15 - 53 кГц, блок модуляции луча ЭЛТ – 5 - 10 МГц, система вертикального отклонения и модуляции луча ЭЛТ – 50 - 81 Гц. Электромагнитное поле (ЭМП) имеет электрическую и магнитную составляющие, причем взаимосвязь их достаточно сложна. На расстоянии от видеотерминалов до оператора электрическая и магнитная составляющие поля оцениваются раздельно. Большинство опубликованных результатов измерений касается излучения, исходящего от видеотерминалов, тогда как стандарты разрабатываются применительно к воздействию излучения на организм человека. Широкий спектр частот электромагнитных сигналов создает существенные сложности для измерений и комплексной оценки. В настоящее время еще нет обоснованных рекомендаций по метрологии ЭМИ дисплеев, а опубликованные сведения об уровнях ЭМП противоречивы.
Результаты гигиенических и клинико-физиологических исследований, осуществленных специалистами Российского НИИ профессиональных заболеваний, послужили основанием для разработки проекта санитарных норм и правил для тех, кто работает с видеотерминалами. С учетом широкополосности спектра ЭМИ видеотерминала предложен самый широкий норматив - в диапазоне частот 0,06 - 300 МГц - 10,0 В/м по электрической составляющей и 0,3 А/м по магнитной составляющей.
9.4 ЗРЕНИЕ И КОМПЬЮТЕР.
Современный служащий, работающий на компьютере, читает не отраженные тексты, как при обычной работе с бумагой и письменными принадлежностями, а смотрит на источник света - дисплей. Его глаза перебегают с бумаги на экран и обратно. Сотни, тысячи раз в день глаза должны перестраиваться с одного способа чтения на другой. Поэтому предупреждение заболеваний глаз у операторов дисплея - одна из ведущих проблем, касающихся их здоровья.
9.4.1 АНАТОМИЯ ГЛАЗА.
Орган зрения человека состоит из глазного яблока, зрительных нервов и зрительных центров в головном мозгу.
В глазном яблоке расположены оптическая система и светочувствительный слой - сетчатка. Оптическая система глаза включает роговицу, переднюю и заднюю камеры, наполненные водянистой влагой, хрусталик и захрусталиковое пространство, заполненное стекловидным телом. Изменение фокусного расстояния оптической системы глаза достигается тем, что под действием так называемых цилиарных мышц меняется кривизна поверхности хрусталика. Хрусталик имеет неоднородное слоистое строение. Светочувствительным элементом глаза является сетчатая оболочка (сетчатка), выстилающая дно глазного яблока. Сетчатка состоит из различных клеток и сложного переплетения нервных волокон. На сетчатой оболочке имеется особый участок - желтое пятно диаметром 0,6 мм, в середине которого расположено центральное углубление, называемое фовеальным центром. Детали предмета, которые необходимо рассмотреть наиболее подробно, соответствующими поворотами глаза направляются на центральное углубление сетчатки, где относительная острота - зрения максимальна.
Человеческий глаз обладает различной световой чувствительностью к разным длинам волн монохроматических излучений в диапазоне 380 - 700 нм. Инфракрасных и ультрафиолетовых лучей человеческий глаз не видит. Наибольшая чувствительность глаза днем соответствует максимуму спектральной характеристики излучения Солнца (550 нм) и, очевидно, является результатом длительного приспособления зрения человека к рассеянному солнечному освещению. Очень важным свойством глаза является его приспосабливаемость к интенсивности света (адаптация), которая достигается изменением диаметра зрачка, а также изменением фотохимической чувствительности рецепторов сетчатки и рядом центральных нервных процессов.
9.4.2 ФОРМИРОВАНИЕ ИЗОБРАЖЕНИЯ НА ЭКРАНЕ ДИСПЛЕЯ.
С одной стороны, изображения видеодисплея, если они статические, должны восприниматься так же стабильно, как отпечатки на бумаге; с другой стороны, изображения часто изменяются, при этом новое изображение должно появляться быстро и быть четким. Иногда видеодисплеи воспроизводят движущееся изображение, в этом случае оно также должно быть четким.
Чтобы удовлетворить этим двум требованиям, большинство видеодисплеев формируют изображения, которые не являются неизменными. Частота коррекции изображений (т.е. частота, с которой изображения заменяются) является достаточно высокой, при этом изображение кажется неизменным, несмотря на то, что фактически яркость любой точки изображения бывает прерывистой. Эффект неизменного изображения является результатом учета двух факторов: инерционности зрения человека и инерционности экрана видеодисплея. Фактическую чувствительность к изменениям яркости во времени определяет ряд факторов: средний уровень яркости (яркость адаптации), частота смены изображений, величина изменения яркости, размер площади, на которой изменяется яркость, и часть площади сетчатки глаза, на которую это изображение попадает.
Представим себе свет, яркость которого увеличивается, а затем уменьшается, и это происходит циклически во времени. Если скорость изменений мала, то источник света кажется сначала все более ярким, а затем тусклым и снова ярким и т.д. Если частота повторений увеличивается, то источник света воспринимается как имеющий некую среднюю яркость, на которую наложена компонента, изменяющаяся во времени. Эта переменная компонента является разностью между пиковым значением яркости и постоянной яркостью дисплея за время одного кадра. При дальнейшем возрастании частоты средняя яркость воспринимается как постоянная. Восприятие мельканий с увеличением частоты снижается, хотя переменная компонента остается неизменной. Начиная с определенной критической частоты слития мельканий (КЧСМ) - различимость мельканий пропадает, и яркость источника кажется постоянной. На частотах, близких к КЧСМ, восприятие мельканий зависит в первую очередь от величины переменной компоненты. КЧСМ не является постоянной частотой. У разных людей величина КЧСМ при одних и тех же условиях различна. Имеется определенное статистическое распределение КЧСМ. При конструировании дисплеев в качестве КЧСМ принимают значение, которое имеет определенный процент людей. Обычно видеодисплеи рассчитывают так, чтобы при предлагаемой средней яркости частота смены кадров была равна или превышала КЧСМ для 90 % операторов. Видеодисплей с заложенными в нем средней яркостью, частотой смены кадров и типом люминофора имеет переменную компоненту, частота которой (частота мельканий) не воспринимается определенным процентом операторов.
Чтобы управлять частотой мельканий, разработчик имеет в своем распоряжении возможность изменить три фактора, оказывающие влияние на временную чувствительность зрительного аппарата: частоту смены кадров, тип люминофора ЭЛТ и среднюю яркость дисплея (размер экрана, который также влияет на чувствительность к частоте мельканий, обычно диктуется рабочими условиями). Из этих трех факторов частота смены кадров оказывает наибольшее влияние на восприятие мельканий.
Большинство видеодисплеев формируют изображения, яркость которых меняется во времени. Наиболее ярким примером является растровый дисплей на электронно-лучевой трубке (ЭЛТ). ЭЛТ создает изображение путем сканирования светового луча. Любая точка растра имеет максимальную яркость только в один момент времени за период кадра. Частота кадров обычно составляет от 40 до 100 Гц. Таким образом, каждая точка экрана вспыхивает с интервалом от 1/40 с (25 мс) до 1/100 с (10 мс). Послесвечение изображения, частота смены кадров и средняя яркость определяют переменную компоненту яркости. Большинство люминофоров имеет некоторую инерционность, т.е. яркость их свечения спадает плавно, обычно по экспоненциальному закону. Инерционность люминофоров влияет на величину переменной составляющей яркости при данных значениях частоты кадров и средней яркости. Представим себе видеодисплей, имеющий люминофор с малым послесвечением, т.е. яркость люминофора после каждого возбуждения быстро спадает. Чтобы получить заданную среднюю яркость, максимальная яркость такого люминофора должна быть очень высокой. Минимальная яркость люминофора с большим послесвечением сравнительно высока, поэтому его максимальная яркость не должна существенно превышать минимальное значение, чтобы получить заданную среднюю яркость.
Средняя яркость видеодисплея может быть уменьшена либо снижением электрического напряжения, либо посредством светопоглощающего фильтра. Фильтры обычно увеличивают контраст изображения, уменьшая среднюю яркость. Таким образом, они могут частично исключить мелькания, одновременно улучшая качество изображения. Приведенные выше особенности изображений на экране дисплея и являются одним из факторов, отрицательно влияющих на зрительный аппарат человека.
БОЛЕЗНИ, ВЫЗВАННЫЕ ТРАВМОЙ ПОВТОРЯЮЩИХСЯ НАГРУЗОК.
Исследования американских специалистов показывают, что интенсивная и продолжи тельная работа на компьютере может стать источником тяжелых профессиональных заболеваний.
В отличие от сердечных приступов и приступов головной боли заболевания, обусловленные травмой повторяющихся нагрузок (ТПН), представляют собой постепенно накапливающиеся недомогания. Так называемые эргономические заболевания становятся в Америке быстро растущим видом профессиональных болезней. В 1992 г. в США доля этих заболеваний составила 52 %, в то время как в 1981 г. и в 1984 г. - 18% и 28 % соответственно. Интересно, что темпы роста числа заболеваний этого вида соответствуют темпам роста компьютеризации учреждений США.
Экономические потери, наносимые американскому бизнесу болезнями операторов ЭВМ, необычайно велики: один тяжелый случай может обойтись в 100 тыс. долл. Сюда входят затраты на лечение, административные расходы и вынужденную потерю производительности труда заболевшего работника.
Приводимая статистика представляет собой лишь часть проблемы, потому что каждое такое заболевание означает тяжелую личную драму. Множество людей вынуждены ограничить или полностью прекратить свою трудовую деятельность и стать постоянными посетителями врачей и физиотерапевтических кабинетов. В конце концов практически всех их ждет хирургическая операция, которая стала обычной для лиц, страдающих от ТПН. Вероятность успешного оперативного вмешательства составляет примерно 80 %; пациенты, как правило, проходят продолжительный период послеоперационной реабилитации, но у некоторых из них прежняя работоспособность полностью все же не восстанавливается. Возвращаясь на прежнее место, они могут работать только с системой ввода информации в компьютер с помощью голоса.
Анализируя причины резкого роста "компьютерных" профессиональных заболеваний, американские специалисты отмечают прежде всего слабую эргономическую проработку рабочих мест операторов вычислительных машин. Среди причин заболеваний - слишком высоко расположенная клавиатура, неподходящее кресло, эмоциональные нагрузки, продолжительное время работы на клавиатуре. В отличие от машинисток операторы ЭВМ сегодня работают на клавиатуре часами без перерыва. Если двадцать лет назад сотрудники офисов выполняли различные работы: выходили в копировальное бюро для ксерокопирования документов, занимались с картотекой и во время печатания на машинке периодически ударяли по рычагу перевода каретки на новую строку, - - то сегодня все эти операции выполняет компьютер.
Специалисты полагают, что естественным положением кистей рук является вертикальное, как при рукопожатии, а вовсе не ладонью вниз, как при работе на клавиатуре ЭВМ. Ведущие американские компьютерные фирмы, обеспокоенные ростом числа профессиональных заболеваний, начали финансировать работы по исследованию их причин. Изучаются возможные варианты конструкции клавиатуры, однако специалисты не уверены в том, что новая клавиатура сможет полностью решить проблему, поскольку причины заболеваний ТПН до сих пор полностью не выявлены.
"Эпидемия" ТПН вызвала резкий скачок активности множества фирм, производящих "эргономическое" оборудование рабочих мест операторов ЭВМ. При этом ни одно из предлагаемых изделий не может решить проблему целиком, а в данном случае требуется системный подход, учитывающий позу оператора, особенности рабочего места и основные приемы работы на компьютере.
Сегодня владельцы ЭВМ могут купить различные приспособления, облегчающие труд оператора, - от опоры для запястья, удерживающей кисть в нужном положении во время набора на клавиатуре или работы с "мышью", до программного обеспечения, предупреждающего оператора о необходимости сделать перерыв в работе. Однако большее значение имеет возможность регулировки положения всех узлов рабочего места - высоты поверхности стола, кресла оператора. Следует добиваться того, чтобы рабочее место соответствовало характеру работы и фигуре оператора, а не наоборот.
Во многих офисах стандартным оборудованием стали подзапястники - - плоские или изогнутые пластины из мягкого материала, которые располагаются перед клавиатурой. Эффективность этих приспособлений зависит от привычек и стиля работы оператора. Если в процессе набора оператор вместе с ударом по клавише опускает свое запястье, то подзапястники помогут удержать запястье в нейтральном положении. Основное их предназначение — служить опорой для запястья во время пауз между ударами по клавишам. Если клавиатура располагается слишком высоко, это приспособление может принести больше вреда, чем пользы, поскольку работник часто опирается руками на подзапястник вместо того, чтобы скользить над клавиатурой. Это приводит к перенапряжению всей кисти.
Борьба с ТПН не ограничивается только эргономическим оснащением рабочего места оператора. В на данный момент появились клавиатуры новых конструкций, значительно отличающиеся от привычной плоской клавиатуры. В новой модели она разделена на две части, которые могут наклоняться относительно горизонтали. Одна из фирм разместила клавиши на двух вогнутых дисках, что значительно сокращает нагрузку на ладони. Однако для оценки истинной эффективности новых конструкций клавиатур требуются дополнительные исследования.
Другое устройство, привлекающее особое внимание специалистов в области эргономики, - это манипулятор типа "мышь". При каждом поднятии руки и повторяющемся ее удержании над каким-либо предметом предплечье испытывает значительную нагрузку. Поэтому для операторов, которые используют в своей работе клавиатуру и манипулятор "мышь", могут оказаться весьма полезными опоры для кистей, повторяющие их перемещения. Эти опоры должны быть размещены так, чтобы кисти свободно свисали с них.
Правильный режим работы имеет важное значение в профилактике профессиональных заболеваний рук операторов ЭВМ. Перерывы в работе, потягивания, разогревание мышц, участвующих в процессе набора на клавиатуре, - все это поможет предотвратить болезнь.
Наиболее дальновидные руководители фирм предпринимают специальные меры по профилактике заболеваний рук операторов ЭВМ. В американской компании "Голубой крест", например, была разработана программа, предусматривающая интенсивное обучение всех сотрудников. Восьмичасовая программа обучения дает руководящему составу компании знания о том, как распознавать симптомы болезни. Руководителям было поручено создать такую обстановку, чтобы служащие немедленно сообщали о своих недомоганиях. Служащие, со своей стороны, во время одночасовой беседы получали начальные сведения об опасности заболевания ТПН. Их также научили распознавать первые признаки болезни, кроме того, были даны рекомендации по организации своего рабочего места. Специалисты фирмы осмотрели несколько моделей "эргономических кресел" и выбрали среди них одну, регулировка которой позволяет подогнать ее под размеры тела каждого сотрудника. Выполнение этой программы потребовало сотен тысяч долларов, однако, польза от нее значительно перекрыла расходы. Экономия от выплаты компенсации по нетрудоспособности только за один год составил 1 млн. долл. Интересно, что число претензий по страхованию после проведения программы выросло, однако средняя стоимость компенсации сократилась с 20 тыс. долл. до 3 тыс. долл. Представители компании объясняют это более ранней диагностикой заболеваний.
Проблема ТПН встретила неоднозначную реакцию среди изготовителей вычислительной техники, владельцев фирм и даже операторов ЭВМ. Одни из них считают "эпидемию" подобных болезней очередной выдумкой, полагая, что через несколько лет проблема разрешится сама собой. Другие настаивают на расширении исследований причин заболеваний. А в это время тысячи работников, занятых на ЭВМ, ежегодно пополняют ряды заболевших. Только совместные усилия изготовителей вычислительной техники, медицинских работников и пользователей могут остановить распространение этих недугов.
Заболевания, обусловленные травмой повторяющихся нагрузок, включают болезни нервов, мышц и сухожилий руки. Наиболее часто страдают кисть, запястье и плечо (сегмент верхней конечности от туловища до локтя), хотя могут быть затронуты плечевая и шейная области. У операторов ЭВМ заболевание обычно наступает в результате непрерывной работы на неудобно или неправильно расположенной клавиатуре, например при чрезмерно высоком положении поверхности стола или плохо подогнанном под фигуру кресле.
9.2 РАБОТА У ДИСПЛЕЯ И ПУТИ ЕЕ ОПТИМИЗАЦИИ (ВИДЕОЭРГОНОМИКА)
Визуальный канал ввода информации в мозг человека используется при работе с дисплеями. Передача информации при этом производится только в одном направлении — в мозг человека, при этом человек не может обходиться без постоянного зрительного контроля выполняемых действий.
Работа с дисплеем зачастую происходит в помещениях с искусственным освещением. Роль искусственного освещения в жизни современного общества неизмеримо велика. Свет лампы, создающий необходимые условия для функционирования органа зрения и, следовательно, обеспечивающий полноценную трудовую деятельность, фактически удлиняет период сознательного существования человека. Однако такое освещение должно обеспечивать правильную работу глаз и приближаться к оптимальным условиям зрительного восприятия в условиях естественного солнечного освещения. Только тогда возможны высокая производительность труда и качество продукции при наименьшем утомлении человека, в том числе при работе с дисплеями.
Как показали многочисленные научные исследования, при повышении освещенности рабочих мест от 100 до 1000 лк происходит рост производительности труда для работы средней трудности на 5 - 6%, а при очень трудной зрительной работе - на 15%. Бесспорна роль количества и качества света для повышения качества продукции, безопасности на производстве. Большое влияние на психологический статус человека, работающего с компьютером, оказывает и спектральный состав излучений искусственных источников света. Принято различать теплые цвета (красный, оранжевый, желтый) и холодные (голубой, синий и фиолетовый). Кроме того, пульсация в излучении люминесцентных ламп приводит к появлению так называемого стробоскопического эффекта, искажающего восприятие двигающихся предметов и информацию на экране дисплея.
При работе необходимо располагаться на расстоянии вытянутой руки от экрана; соседние дисплейные мониторы должны находиться от вас на расстоянии не менее 2 м 22 см. По возможности нужно расположить экран дисплея немного выше уровня глаз. Это создаст разгрузку тех групп окологлазных мышц, которые напряжены при обычном взоре - вниз или вперед. Желательно, чтобы вечернее освещение территории (или стены) вокруг дисплея было синего или голубого цвета с яркостью, примерно равной яркости экрана. При дневном освещении также рекомендуется обеспечить голубой фон вокруг дисплея (окраска стен или обоев).
Для большего удобства на кресле следует расположить небольшую опору в поясничном изгибе позвоночника — продолговатую подушечку или валик.
После каждых 40 - 45 мин работы необходима физкультурная пауза — вращение глазами по часовой стрелке и обратно, простые гимнастические упражнения для рук.
Помещение, где находятся компьютеры и видеомониторы, должно быть достаточно просторным, с постоянным обновлением воздуха. Минимальная площадь для одного видеомонитора составляет 9 -10м2.
Недопустим визуальный контакт работника с другими мониторами или телевизионными экранами. На экране монитора не должно быть никаких бликов. Следует также избегать большой контрастности между яркостью экрана и окружающего пространства; оптимальным считается выравнивание яркости экрана и компьютера. Запрещается работа с компьютером в темном или полутемном помещении.
Работодатели уже в начале 1993 г. столкнулись с необходимостью соблюдения директив, касающихся минимальных требований к дисплеям, текст которых будет отражен в национальных законах.
Первый вопрос, который должен поставить перед собой работодатель, может быть сформулирован следующим образом: "Могу ли я гарантировать, покупая отдельные функциональные блоки системы, что рабочее место и условия работы будут соответствовать требованиям закона?" Второй вопрос связан с потенциальными различиями между требованиями, существующими в различных странах, при распространении директивы и установлении в связи с этим уровня требований, значительно более высокого, чем минимальные, указанные в директиве.
9.3 МЕБЕЛЬ ДЛЯ ОПЕРАТОРОВ КОМПЬЮТЕРОВ.
Рабочая мебель при работе с компьютером играет очень важную роль в создании оптимальных условий деятельности человека и снижении степени его утомления (рис. 9.2).
Отечественные кресла и стулья (ГОСТ 19.19.17.14) для работы с компьютером имеют подъемно-поворотный механизм, регулируемый наклон спинки, предусматриваемое изменение положения подлокотников, установленных на подвижных или неподвижных опорах. Отдельные модификации кресел и стульев снабжены подлопаточной опорой. Современные конструкции рабочего кресла оператора не учитывают равномерности распределения сил тяжести звеньев тела на опорные поверхности и ведут к статическому напряжению больших мышечных групп, что отрицательно сказывается на работе оператора и ведет к профессиональным заболевания. Все это дает основание для разработки нового, универсального кресла, позволяющего оператору свободно, без затраты излишних сил производительно трудиться в течение всего рабочего времени.
9.4 ЗАКЛЮЧЕНИЕ
Сейчас четко установлена главная угроза здоровью операторов компьютеров - это неподвижность, статичность позы и глазных мышц, особенно нуждающихся в динамическом режиме работы. Это требует создания специального двигательного режима для тех, кто трудится на ЭВМ. Кроме того, необходимо снять влияние низкочастотных полей, создаваемых вокруг экрана, а также высокочастотных компонентов излучений при сканировании электронного луча по экрану дисплея.
В соответствии с вышеизложенными фактами, можно порекомендовать для использования в рамках концепции SOHO следующую конфигурацию компьютера (эта конфигурация использовалась мной при разработке данного дипломного проекта):
Монитор соответствующий международному стандарту на излучение MPR-II и неотражающей ЭЛТ, с минимальным разрешением 800*600 точек при частоте вертикальной развертки 75 Гц в режиме построчной развертки (NI) (Samsung SyncMaster 3Ne);
Видеоадаптер, спроектированный в соответствии с рекомендациями VESA, поддерживающий режим SVGA 800*600 точек при частоте обновления экрана 75 Гц, при глубине цвета не менее 16 бит (режим High Color) (S3 Trio64V2);
Клавиатура и «мышь» должны соответствовать требования эргономики (Turbo-Trak и Genius Easy Mouse);
У


правление должно осуществляться операционной системой с графическим интерфейсом пользователя (GUI), поддерживающим все указанные спецификации для видеоадаптера и монитора (Windows 95 OSR2 с набором драйверов DirectX (технология DirectDraw) версия 5.0 и драйвером видеоадаптера S3 Incorporated 4.03.00.2102-2.30.21)
Рис. 4.2 Правильное положение тела оператора компьютера обеспечивающее безопасную работу.
ГЛАВА 9
ТЕХНИКО-ЭКОНОМИЧЕСКОЕ ОБОСНОВАНИЕ РАЗРАБОТКИ БИС КОММУТАТОРА ЦИФРОВЫХ КАНАЛОВ СИСТЕМЫ ПЕРЕДАЧИ
10.1 ОБОСНОВАНИЕ ВЫБОРА ЗАКАЗНОЙ БИС
Заказные БИС обычно производятся большими партиями по специальному заказу, но все равно такие БИС являются дорогими, по сравнению с серийными, так как требуют тех же затрат на разработку, при намного меньшем числе БИС в серии. Но при использовании серийных интегральных схем их количество в проектируемом устройстве составляло бы несколько десятков, что существенно снизило бы надежность, увеличило бы количество потребляемой энергии, потребовало бы намного большей площади, при тех же реализуемых функциях; и в итоге оказалось бы экономически нецелесообразным. Поэтому было решено строить коммутатор в виде одной заказной БИС.
10.2 ОБОСНОВАНИЕ ВЫБОРА СТРУКТУРНОЙ СХЕМЫ
Выбор оптимального строения структурной схемы БИС коммутатора в наибольшей степени зависит от выбора оптимальных условий формирования уплотненного временного канала.
Проведем сравнение этих условий по следующим критериям:
по числу функций, выполняемых блоками коммутатора;
по внутренней частоте;
по стоимости реализации коммутатора;
по рациональному использованию оперативной памяти.
Рассмотрим три способа формирования группового канала: 1 - традиционный; 2 – реализованный в прототипе; 3 – с параллельной шиной. Традиционный способ состоит в формировании одного уплотненного по времени канала из 8ми входящих групповых каналов простым повышением тактовой частоты в восемь раз. Этот способ невыгоден, так как с увеличением внутренней частоты уменьшается количество операций выполняемых отдельными блоками коммутатора и усложняется схемотехника всего устройства в целом. Способ, реализованный в прототипе, заключается в передачи отдельно четных и нечетных импульсов уплотненного канала. Этот способ хоть и позволяет устранить некоторые сложности схемотехнического плана (внутренняя частота снижена в два раза по сравнению с традиционным способом), но не решает всей проблемы в целом. В качестве оптимального выбран 3ий способ. Этот способ подразумевает передачу уплотненного по времени канала по параллельной восьмиразрядной шине, что позволяет не увеличивать внутреннюю частоту и одному блоку выполнять большее количество функций (так, например блок ЦИКЛОВОГО ВЫРАВНИВАНИЯ И КОММУТАЦИИ помимо коммутации выполняет цикловое выравнивание, и формирование уплотненного временного канала). Что позволяет снизить задержки прохождения сигнала через БИС и рациональней использовать внутренние запоминающие устройства (для коммутации, циклового выравнивания и преобразования кода используются одни и те же ОЗУ). Все это позволяет снизить себестоимость устройства в целом.
10.3 ОБОСНОВАНИЕ ВЫБОРА ТЕХНОЛОГИИ ПОСТРОЕНИЯ БИС
К разрабатываемой БИС коммутации предъявляются следующие требования, которые позволяют более плодотворно вести работу по созданию данного устройства:
Возможность интегрирования в существующие цифровые системы передачи данных (в частности построение одно- и многозвенных систем на основе разрабатываемой БИС);
простота управления;
невысокая стоимость.
Для обеспечения возможности интегрирования в существующие цифровые системы необходимо применять стандартные схемотехнологии построения БИС, обладающие широкой распространенностью. Следовательно, для своей реализации разрабатываемое устройство требует определенные промышленные наработки различных технологий. На современном этапе производительность той или иной технологии не может быть измерена только количеством элементов (чаще всего транзисторов) на единице площади, как это часто делается для интегральных схем. Логическая функция (И-НЕ или ИЛИ-НЕ) реализованная по одной технологии необязательно эквивалентна по количеству элементов соответствующей логической функции реализованной на основе другой технологии, поэтому число элементов на единицу площади не является основным критерием сравнения технологий. В этом случае важны и другие характеристики БИС реализованных на основе разных технологий, отражающие их функциональные возможности, способы реализации логических функций.
От других типов БИС, заказные интегральные схемы отличаются следующими своими свойствами:
Большая степень интеграции;
Меньшая функциональная гибкость;
Аппаратная поддержка выполняемых команд.
Все эти и некоторые другие свойства позволяют реализовывать на них сложные алгоритмы обработки цифровых сигналов при относительно низких затратах.
Таким образом, использование заказной БИС, реализованной на отработанной технологии производства, существенно уменьшит ограничения на сложность реализации коммутатора при относительно низких затратах на производство.
Выбор технологии производства БИС производится методом анализа иерархий. Варианты, которые были рассмотрены, представлены в таблице 10.1.
Таблица 10.1
Возможные варианты технологий производства заказной БИС.
-
Технология
Краткое описание (реализуемая базовая функция)
ТТЛ(Ш)
Биполярная (И-НЕ)
ЭСЛ
Биполярная (ИЛИ-НЕ)
NМДП
МДП с n-каналом (И-НЕ и ИЛИ-НЕ)
КМДП
Комплиментарная МДП (И-НЕ и ИЛИ-НЕ)
При заполнении таблиц использовалась шкала относительной важности, приведенная в таблице 10.2.
Таблица 10.2.
Шкала относительной важности.
-
Интенсивность относительной важности
определение
1
равная важность
3
умеренное превосходство
5
сильное превосходство
7
значительное превосходство
9
очень сильное превосходство
2,4,6,8
промежуточные суждения
Выбор производится по следующим критериям:
Быстродействие;
Помехоустойчивость;
Потребляемая мощность;
Площадь, занимаемая на кристалле;
Совместимость (возможность интеграции БИС, построенной по данной технологии, с БИС, построенными по другой технологии);
Стоимость.
На основании этих данных были составлены 7 матриц: матрица попарных сравнений для критериев, по которой определяется наиболее важный (таблица 10.3) ,6 матриц попарных сравнений альтернатив по отношению к каждому критерию (таблицы 10.4, 10.5, 10.6, 10.7, 10.8, 10.9).
В матрицах приняты следующие обозначения:
Xi
- локальный
приоритет,
определяемый
по формуле :
Xi=
,
-
сумма по столбцу
.
A - вариант реализации на ТТЛ(Ш),
B - вариант реализации на ЭСЛ,
C - вариант реализации на nМДП,
D - вариант реализации на КМДП.
Таблица 10.3.
-
1
2
3
4
5
6

Xi
1.Быстродействие
1
1/5
3
1/3
1/7
3
0,66
0,07
2.Помехоустойчивость
3
1/5
3
1
1/7
3
0,96
0,11
3.Потребление
1/3
1/7
1
1/3
1/5
3
0,46
0,05
4.Площадь
7
3
5
7
1
7
4,15
0,45
5.Совместимость
5
1
7
5
1/3
5
2,58
0,28
6.Стоимость
1/3
1/5
1/3
1/3
1/7
1
0,32
0,04
9,13
1,00
Рассчитаем отношение согласованности по следующей формуле:
ОС = ИС/СС, где (10.1)
ИС = (il - n)/(n - 1); (10.2)
n=6; СС=1,2
il = Xi * yij = 1,17 + 1,33 + 0,96 + 1,54 + 0,88 + 0,88 = 6,76; (10.3)
ИС = (6,76 - 6)/(6 - 1) = 0,152;
ОС = 0,152/1,2 = 0,127.
ОС<0,2; следовательно, оценки пересматривать не надо.
Таблица 10.4
Быстродействие.
-
A
B
C
D

Xi
A
1
1/5
3
3
1,16
0,19
B
5
1
7
7
3,96
0,65
C
1/3
1/7
1
1/2
0,39
0,07
D
1/3
1/7
2
1
0,56
0,09
6,07
1,00
Рассчитаем отношение согласованности по следующей формуле:
ОС = ИС/СС, где (10.1)
ИС = (il - n)/(n - 1); (10.2)
n=4; СС=0,9
il = Xi * yij = 1,27 + 0,97 + 1,04 + 0,92 = 4,20; (10.3)
ИС = (4,2 - 4)/(4 - 1) = 0,067;
ОС = 0,067/0,9 = 0,074.
ОС<0,2; следовательно, оценки пересматривать не надо.
Таблица 10.5
Помехоустойчивость.
-
A
B
C
D

Xi
A
1
5
1
1/3
1,14
0,21
B
1/5
1
1/5
1/7
0,48
0,09
C
1
5
1
1/3
1,56
0,29
D
3
7
3
1
2,20
0,41
5,37
1,00
Рассчитаем отношение согласованности по следующей формуле:
ОС = ИС/СС, где (10.1)
ИС = (il - n)/(n - 1); (10.2)
n=4; СС=0,9
il = Xi * yij = 1,09 + 0,90 + 1,09 + 0,96 = 4,04; (10.3)
ИС = (4,04 - 4)/(4 - 1) = 0,013;
ОС = 0,013/0,9 = 0,014.
ОС<0,2; следовательно, оценки пересматривать не надо.
Таблица 10.6
Потребление.
-
A
B
C
D

Xi
A
1
5
1/5
1/7
0,61
0,09
B
1/5
1
1/7
1/9
0,24
0,04
C
5
7
1
1/3
1,85
0,29
D
7
9
3
1
3,71
0,58
6,41
1,00
Рассчитаем отношение согласованности по следующей формуле:
ОС = ИС/СС, где (10.1)
ИС = (il - n)/(n - 1); (10.2)
n=4; СС=0,9
il = Xi * yij = 1,19 + 0,88 + 1,26 + 0,92 = 4,25; (10.3)
ИС = (4,25 - 4)/(4 - 1) = 0,083;
ОС = 0,083/0,9 = 0,092.
ОС<0,2; следовательно, оценки пересматривать не надо.
Таблица 10.7
Площадь.
-
A
B
C
D

Xi
A
1
5
3
5
0,99
0,21
B
1/5
1
1/3
1/2
0,24
0,05
C
1/3
3
1
3
2,03
0,43
D
1/5
2
1/3
1
1,47
0,31
4,73
1,00
Рассчитаем отношение согласованности по следующей формуле:
ОС = ИС/СС, где (10.1)
ИС = (il - n)/(n - 1); (10.2)
n=4; СС=0,9
il = Xi * yij = 1,07 + 0,99 + 0,75 + 1,24 = 4,05; (10.3)
ИС = (4,05 - 4)/(4 - 1) = 0,017;
ОС = 0,017/0,9 = 0,019.
ОС<0,2; следовательно, оценки пересматривать не надо.
Таблица 10.8.
Совместимость.
-
A
B
C
D

Xi
A
1
5
1/3
1/5
0,76
0,13
B
1/5
1
1/7
1/9
0,24
0,04
C
5
7
1
1/2
2,41
0,41
D
3
9
2
1
2,47
0,42
5,88
1,00
Рассчитаем отношение согласованности по следующей формуле:
ОС = ИС/СС, где (10.1)
ИС = (il - n)/(n - 1); (10.2)
n=4; СС=0,9
il = Xi * yij = 1,19 + 0,88 + 1,08 + 0,94 = 4,09; (10.3)
ИС = (4,09 - 4)/(4 - 1) = 0,03;
ОС = 0,03/0,9 = 0,033.
ОС<0,2; следовательно, оценки пересматривать не надо.
Таблица 10.9
Стоимость.
-
A
B
C
D

Xi
A
1
3
5
6
3,08
0,56
B
1/3
1
3
4
1,41
0,26
C
1/5
1/3
1
2
0,60
0,11
D
1/6
1/4
1/2
1
0,38
0,07
5,47
1,00
Рассчитаем отношение согласованности по следующей формуле:
ОС = ИС/СС, где (10.1)
ИС = (il - n)/(n - 1); (10.2)
n=4; СС=0,9
il = Xi * yij = 0,95 + 1,19 + 1,04 + 0,91 = 4,09; (10.3)
ИС = (4,09 - 4)/(4 - 1) = 0,03;
ОС = 0,03/0,9 = 0,033.
ОС<0,2; следовательно, оценки пересматривать не надо.
Глобальный приоритет для каждой альтернативы вычисляется как сумма произведений локальных приоритетов на соответствующий весовой коэффициент. Глобальные приоритеты приведены в таблице 10.10, из которой видно, что наибольший приоритет у варианта реализации БИС коммутации с использованием КМДП технологии.
Таблица 10.10.
-
1
2
3
4
5
6
Глобальный
Приоритет
Вес
0,07
0,11
0,05
0,45
0,28
0,04
ТТЛ(Ш)
0,19
0,21
0,09
0,21
0,13
0,56
0,19
ЭСЛ
0,65
0,09
0,04
0,05
0,04
0,26
0,09
пМДП
0,07
0,29
0,29
0,43
0,41
0,11
0,33
КМДП
0,09
0,41
0,58
0,31
0,42
0,07
0,39
Выводы: С помощью метода анализа иерархий проведено сравнение следующих типов технологий производства БИС по следующим критериям: 1) быстродействие; 2) помехоустойчивость; 3) потребляемая мощность; 4) площадь, занимаемая на кристалле; 5) совместимость; 6) стоимость. Предпочтение отдается технологии КМДП. В таблице 10.3. приведена матрица сравнения критериев. Наибольший локальный приоритет у критерия «площадь». По данным таблицы 10.9 локальный приоритет пМДП технологии превалирует над локальными приоритетами других технологий, но в других случаях локальный приоритет КМДП выше. Конечным этапом сравнения является синтез глобальных приоритетов. Наибольший глобальный приоритет имеет КМДП технология, она и будет использоваться для реализации заказной БИС коммутатора.
10.4 РАСЧЕТ ОСНОВНЫХ ТЕХНИКО-ЭКОНОМИЧЕСКИХ ПОКАЗАТЕЛЕЙ
10.4.1 РАСЧЕТ ПОКАЗАТЕЛЕЙ НАДЕЖНОСТИ.
При расчете определим следующие показатели:
наработка на отказ Т [ч];
вероятность безотказной работы за год (8760 часов).
T=1/ , где — интенсивность отказов устройства;
,
где i
— интенсивность
отказов i-го
элемента;
Рбр(t = 8760) = е - t = e - 8760. (10.4)
Расчет интенсивности отказов элементов приведен в таблице 10.11.
Таблица 10.11
|
Наименование Элемента |
Количество k |
Интенсивность отказов одного элемента i ,1/ч |
Интенсивность отказов всех элементов k*i ,[1/ч] |
|
Интегральная схема |
1 |
10-6 |
1*10-6 |
|
Итого |
1 |
=10-6 |
= 10-6 [1/ч];
T = 1/ = 1/10-6 = 106 [час];
Время наработки на отказ производители различных электронных компонентов стараются сделать как можно больше, для того чтобы при интегрировании этих компонентов в одном устройстве (на одной печатной плате) время наработки на отказ тоже было бы большим (при интеграции п компонентов время наработки на отказ уменьшается приблизительно в п раз). И поэтому время наработки на отказ данной БИС составляет около 114 лет, т.е. намного больше срока морального старения.
Рбр(t = 8760) = е - t = e - 8760 0,991.
10.4.2 РАСЧЕТ СЕБЕСТОИМОСТИ ИЗГОТОВЛЕНИЯ БИС.
БИС изготовлена на основе кремниевого кристалла по технологии КМДП. Себестоимость БИС равна: СБИС = П + Скр+ З+ ЦР + ОЗР, где
П — стоимость покупных деталей (корпус, проводники и т.д.);
Скр — себестоимость изготовления кристалла ИС;
З — расходы на основную заработную плату;
ЦР — цеховые расходы;
ОЗР — общезаводские расходы.
1. Рассчитаем стоимость покупных изделий П.(Цены на компоненты сведены в таблицу 10.12.)
Таблица 10.12
-
Наименование
Элемента
Тип
Количество,
шт.
Цена за
Единицу, $
Сумма ,
$
Кристалл
Кремниевый
1
0,02
0,02
Корпус
2123.40 - 1
1
0,05
0,05
Проводники
40
0,004
0,16
Изготовление фотошаблона ИС
Площадь, см2
Цена за
См2, $
3,5
0,02
0,07
Итого
0,3
2. Себестоимость изготовления кристалла ИС.
Расходы на зарплату:
Плотность компоновки факт =498/3,5=142,28 эл/см2, а норм = 75 эл/см2.
Определим коэффициент пересчета Кпересч.= факт / норм = 142/75 = 1,9
Расценок на 1 см2:
Рц =0,8*Рд+ Рц ; Pд = 0,1руб/см2
Рц = Рд*0.2* Кпересч
Рц = 0,8*0,1+0,1*0,2*1,9 = 0,12 руб/см2
Расходы на зарплату (без учета расходов на социальные нужды):
Зкр1= Рц1* Sкр=0,5 * 3,5= 1,75 руб.
Расходы на зарплату (с учетом расходов на социальные нужды +41%):
Зкр= 1,41 * Рц1* Sкр= 1,41 * 0,5 * 3,5= 2,47 руб.
Себестоимость изготовления кристалла ИС:
Скр = Зкр + М + Н, где Н — накладные расходы
Н=2,2* Зкр=2.2*2,47=5,43 руб.
Скр=2,47 + 2,38 + 5,43 = 10,28 руб.
3. Расчет расходов на зарплату при изготовлении БИС.
Трудоемкость работ:
подготовка кристалла к фотолитографии tпф.=Sкр * 10 сек/см2 = 3,5 * 10 = 350 сек = 0,01 ч;
непосредственно процесс фотолитографии и формирования элементов tфл.=Sкр* 5 ч/см2= 3,5*5 = 17,5ч;
пайка внешних выводов tпвв.=Sкр*1сек/10см2= 3,5/10 = 0.35сек =0,0001ч;
проверка работоспособности и настройка tпрн.=Sкр*10мин/10см2= 3,5*10/10 = 3,5мин= 0,06ч;
промывка и лакировка корпуса tплк.=Sкр*4мин/10см2=3,5*4/10=1,4мин = 0,02ч.
Рассчитаем расходы на зарплату при изготовлении блока. Результаты можно свести в таблицу (см. таблица 10.13)
Таблица 10.13
|
Виды работ |
Трудоемкость нормо-час |
Разряд работы |
Часовая ставка руб./ч |
Расходы на зарплату руб. |
|
1.Подготовка кристалла |
0,01 |
2 |
2,032 |
0,02032 |
|
2.Фотолитография |
17,5 |
3 |
0,010 |
0,175 |
|
3.Пайка |
0,0001 |
3 |
0,010 |
0,00001 |
|
4.Проверка |
0,06 |
4 |
6,689 |
0,40134 |
|
5.Промывка и лакировка |
0,02 |
2 |
2,188 |
0,04376 |
|
Итого: |
0,65 |
4. Цеховые накладные расходы на изготовление устройства; примем коэффициент увеличения равным 2,7 (среднеотраслевой коэффициент):
ЦР = 2,7* Зустр = 2,7*0,65 = 1,76 руб.
5. Общезаводские накладные расходы на изготовление устройства; примем коэффициент увеличения равным 1,3 (среднеотраслевой коэффициент):
ОЗР = 1,3* Зустр = 1,3*0,65 = 0,84руб.
Себестоимость изготовления разрабатываемой БИС:
П = 0,3*6,05 = 1,82 руб.
СБИС = П + Скр + Зустр + ЦР + ОЗР= =1,82+10,28+0,65+1,76+0,84 =15,35 руб.
Расчет оптовой цены:
Цопт = СБИС (1 + /100)=15,35 (1+0,15) = 17,65 руб.
ВЫВОДЫ
Основываясь на вышеприведенных фактах, было выбрано использование заказной БИС на основе КМДП технологии. Как видно из экономического расчета такая БИС обладает достаточно низкой себестоимостью и хорошими показателями надежности, что очень важно при использовании данной БИС в системах общего пользования, таких как городские телефонные сети, работающих круглые сутки.
ДОКЛАД
В связи с расширением цифровых сетей связи в России остро стоит проблема перевода этих сетей на отечественную элементную базу.
Большинство цифровых сетей строится по иерархическому принципу, но наиболее массовым изделиями, применяемыми в этих сетях, является абонентское коммутационное оборудование. Поэтому задача разработки коммутатора абонентских каналов в виде заказной БИС актуальна.
Проектируемая БИС, предназначена для коммутации 256 каналов, в стандарте ИКМ –30/32, входящих абонентов с таким же количеством исходящих. Микросхема принимает информацию по восьми параллельным групповым входам и выдает ее синхронно по восьми групповым выходам.
На основе требований к коммутатору строится структурная схема. Блок Выделения Циклового и Сверхциклового Синхронизма предназначен для выделения сигналов цикловой и сверхцикловой синхронизации. Блок Циклового Выравнивания и Коммутации предназначен для выравнивания по циклам входящих каналов и их коммутации. Так как на вход поступает восемь пространственно разделенных каналов, то для выполнения заданных функций необходима пространственно-временная коммутация. Пространственной коммутации можно избежать, объединив все восемь входящих каналов в один, уплотненный по времени, поток, при этом коммутация сводится лишь к перестановке во времени импульсных сигналов уплотненного временного потока, но тогда внутренняя частота коммутатора возрастет в восемь раз и составит 16,384 МГц. Снижение внутренней частоты можно достичь, передавая восемь бит каждого из информационных каналов не последовательно, а по параллельной шине. После проведенной коммутации требуется обратно преобразовать уплотненный канал. Для выполнения данной функции на выход ставится Блок Формирования Исходящих Групповых Каналов, который и преобразует уплотненный временной канал в восемь каналов ИКМ-30/32. Работой всех блоков управляет Внутреннее Управляющее Устройство.
На основании структурной схемы были разработаны функционально-логические схемы блоков.
Блок Выделения Циклового и Сверхциклового Синхронизма состоит из восьми приемников циклового и сверхциклового синхронизма (по одному на каждый канал). Приемник циклового и сверхциклового синхронизма представляет собой устройство, которое обеспечивает поиск и удержание циклового и сверхциклового синхронизма. Синхронизация коммутатора необходима для правильного распределения коммутируемого сигнала по каналам.
Функционально такой приемник состоит из:
1. Опознаватель синхросигнала, предназначенный для выделения кодовых комбинаций совпадающих по структуре с синхросигналом. Функциональная схема опознавателя содержит регистр сдвига и две схемы совпадения на выходе одной из которых появляется импульс в момент прихода кодовой комбинации синхросигнала, а на выходе другой - в момент прихода кодовой комбинации сверхциклового синхросигнала.
Анализатор циклового и анализатор сверхциклового синхронизма определяют наличие соответствующего синхронизма (НС) или его отсутствие (ОС). Функциональная схема анализатора содержит схему совпадения, которая определяет наличие синхронизма и схему выдающую логическую «1» на выходе в момент прихода кодовой комбинации синхросигнала при отсутствии синхронизма.
Решающее устройство содержит два двоичных счетчика - накопители по входу и выходу из синхронизма и схему совпадения. Накопитель по входу в синхронизм обеспечивает защиту приемника от ложного синхронизма в режиме поиска, когда на вход поступают случайные комбинации группового сигнала, совпадающие с синхросигналом. Накопитель по выходу из синхронизма необходим для исключения ложного нарушения синхронизма.
Генератор импульсной последовательности вырабатывает определенный набор импульсных последовательностей, используемых для управления работой функциональных узлов коммутатора, их синхронизации. Функциональная схема генератора содержит три распределителя импульсов: распределитель разрядных импульсов, распределитель канальных импульсов и распределитель цикловых импульсов, каждый из которых содержит двоичный счетчик и дешифратор.
На блок циклового выравнивания и коммутации поступают входящие групповые каналы, его функция заключается в выравнивании каналов в соответствии с сигналом синхронизации и коммутировании каналов в соответствии с адресом, поступающим с устройства управления.
Принцип циклового выравнивания заключается в записи в запоминающее устройство информации входящих групповых каналов синхронно с выделенными тактовыми импульсами и считывании их синхронно со станционными импульсами тактовой и цикловой синхронизации.
Для осуществления коммутации необходимо сформировать общий, уплотненный во времени канал, и переставить импульсы из одной временной позиции в другую. Технически такую перестановку легко выполнить в запоминающем устройстве, если записывать информацию общего канала последовательно, а считывать в соответствии с картой коммутации.
Объединение процессов циклового выравнивания и коммутации позволяет сократить необходимый объем запоминающего устройства и уменьшить время задержки прохождения информационных сигналов. Для обеспечения данных функций блок циклового выравнивания и коммутации должен содержать утроенное количество запоминающих устройств. В одно из них постоянно производится запись, из другого считывание, а третье предназначено для записи при переполнении первого. Следовательно, блок циклового выравнивания и коммутации можно представить в виде 24х самостоятельных коммутационных элементов (по три на каждый канал).
Для обеспечения требуемых функций запоминающее устройство коммутации должно записать информацию всех 32х каналов за один цикл, т.е. должно обладать емкостью 256 бит.
Функциональная схема включает в себя:
Счетчик тактовых импульсов, предназначенный для формирования адреса в режиме записи.
Дешифраторы строк и столбцов.
Мультиплексор, предназначенный для переключения считывания адреса столбца от счетчика в режиме записи или от запоминающего устройства адреса в режиме считывания.
Непосредственно матрица памяти, состоящая из 256ти элементов (8*32).
Организация запоминающего устройства коммутации зависит от режима работы:
При записи данное запоминающее устройство представляет ОЗУ с разрядной организацией, в него записывается информация соответствующая входящему групповому каналу синхронно со своей выделенной тактовой частотой и цикловым синхросигналом. В этом режиме мультиплексор подключает к дешифратору столбцов старшие 5 разрядов счетчика адреса, 3 младшие разряда счетчика подключены к дешифратору строк.
При считывании запоминающее устройство коммутации представляет собой ОЗУ со словарной организацией. В каждой ячейке ОЗУ содержится информация одного информационного канала. Следовательно, все восемь разрядов каждого из информационных каналов можно считывать одновременно по параллельному каналу. Таким образом, одновременно с уплотнением осуществляется коммутация. В этом режиме мультиплексор подключает к дешифратору столбцов запоминающее устройство адреса, а дешифратор строк при этом отключается, и ОЗУ приобретает словарную организацию, каждые из восьми элементов памяти, входящих в состав столбцов матрицы памяти образуют одну ячейку памяти и считываются параллельно.
Запоминающее устройство адреса предназначено для хранения адреса входящего канала, информация которого поступает на выход в момент поступления станционного тактового импульса, соответствующего номеру исходящего канала.
Адрес входящего канала, состоит из 5ти разрядов. Но для функционирования устройства управления необходимо иметь информацию о состоянии канала в любой момент времени, для этого разрядность запоминающего устройства адреса была увеличена на 1 бит, который отображает состояние канала («1» – канал занят; «0» – канал свободен). Этот разряд так же может управлять состоянием выходного каскада ОЗУ, при появлении в данном разряде «0» выходной каскад ОЗУ переходит в третье состояние. Запоминающее устройство адреса обладает емкостью: 192 бита и имеет словарную организацию, как при записи информации, так и при считывании.
Функциональная схема запоминающего устройства адреса состоит из:
Матрицы памяти 6*32.
Дешифратора столбцов.
Счетчика тактовых импульсов.
Схемы совпадения.
Работает устройство следующим образом:
В режиме записи (запись ведется, как в адресное ЗУ, так и в ЗУ коммутации), в соответствии с тактовыми импульсами записывается информация об адресе коммутируемого канала и его состоянии на данный момент. Информация поступает от устройства управления в виде 6ти разрядных слов.
В

t
- Считывание разрешено
режиме считывания информации адрес коммутируемого канала должен поступить раньше начала считывания информации из запоминающего устройства коммутации, для этого необходима схема совпадения, формирующая сигнал разрешения чтения на запоминающее устройство коммутации. Так как сигнал разрешения чтения для запоминающего устройства адреса является постоянным, а информация на выходе обновляется благодаря счетчику тактовых импульсов, постоянно меняющему адрес считывания; то при включении схемы совпадения тактового импульса и сигнала разрешения чтения, на выходе этой схемы будет формироваться сигнал, соответствующий моменту поступления адреса на запоминающее устройство коммутации.
Б
Рз/сч
параллельная шина
исходящие групповые каналы
Организация ОЗУ словарная, но при записи информации каждая ячейка памяти состоит из элементов памяти, входящих в соответствующий столбец матрицы, а при считывании - из элементов, входящих в соответствующую строку. Схема данного устройства состоит из:
Собственно матрицы памяти.
Дешифраторы строк и столбцов.
Счетчик предназначен для формирования адресов записи и считывания.
Инвертор предназначен для переключения режимов записи/чтения.
Принцип работы этой схемы заключается в следующем, при записи со счетчика адреса трехразрядный код поступает на дешифратор столбцов, а дешифратор строк отключается и восемь разрядов одного информационного канала поступает на элементы памяти выбранного столбца. При считывании отключается дешифратор столбцов, а трехразрядный код счетчика адресов поступает на дешифратор строк и восемь одноименных разрядов разных информационных каналов выбранной строки матрицы поступают на соответствующие восемь выходов исходящих групповых каналов. В результате на выходе коммутационной БИС формируются групповые каналы в стандарте ИКМ -30/32.
Элементы БИС выполнены по стандартной КМДП технологии, с двух уровневой металлизацией (одна выполнена из алюминия, другая из поликремния), с минимальной толщиной рисунка 1,2 мкм.
В дипломе проработаны вопросы технико-экономического обоснования разработки и вопросы экологии и безопасности жизнедеятельности, а так же был проведен патентный поиск на предмет патентной «чистоты».
МИНИСТЕРСТВО СВЯЗИ РОССИЙСКОЙ ФЕДЕРАЦИИ
Московский технический университет связи и информатики
Разрешаю
допустить к защите
Зав.кафедрой
______________________
__________________1998г.
ДИПЛОМНЫЙ ПРОЕКТ
на тему


Коммутатор цифровых каналов системы передачи
Дипломант_________________________________________(Логинов Д.А.)
Консультант_______________________________________(Рыбаков В.С.)
Рецензент_________________________________________(Сперанский В.С. )
Консультант по экологии и
безопасности жизнедеятельности______________________(Павлов А.Н.)
Консультант по экономической части___________(Микиртичан А.Г.)
М о с к в а 1998г.
Московский технический университет связи и информатики
Р Е Ц Е Н З И Я
н
а
дипломный
проект студента
Логинова
Дмитрия Анатольевича

н
а
тему Коммутатор
цифровых каналов
системы передачи
Московский технический университет связи и информатики
ОТЗЫВ РУКОВОДИТЕЛЯ
н
а
дипломный
проект студента
Логинова
Дмитрия Анатольевича

н
а
тему
Коммутатор
цифровых каналов
системы передачи
Расширение сети цифровой телефонной связи и передачи цифровой информации и объема предоставляемых услуг сдерживается отсутствием соответствующей отечественной элементной базы. Поэтому разработка БИС коммутации цифровых информационных каналов является актуальной задачей.
Во время выполнения дипломного проекта студент Логинов Д.А. проявил самостоятельность и умение работать с технической литературой. Провел анализ принципов построения и работы различных типов цифровых сетей связи, позволивший определить требования к коммутационной БИС.
Разработка структурной и функциональной схем блоков устройства отличается оригинальностью.
Дипломный проект студента Логинова Д.А., как показывают проведенные исследования, обладает практической ценностью, отвечает требованиям ГЭК, а автор проекта заслуживает отличной оценки и присвоения квалификации инженера.
Р
уководитель
Рыбаков
В.С.
ЗАКЛЮЧЕНИЕ
В результате проведенной работы спроектирована интегральная схема высокой степени интеграции, построенная на основе технологии КМДП, которая предназначена для функционирования в абонентских подсистемах связи. Разработанная интегральная схема позволяет осуществить коммутацию 256ти входящих абонентских каналов. Коммутация производится только во временной области, т.е. исключена пространственная коммутация, что позволяет существенно сократить занимаемую на кристалле площадь. Формат передачи данных ИКМ-30/32 (Е1), что позволяет интегрировать разработанную интегральную схему в существующие системы связи без дополнительных технических преобразований. Интегральная схема также позволяет ответвлять требуемое количество каналов из одного потока информации. Приведенные расчеты показывают соответствие разработанного устройства требованиям технического задания.
С экономической точки зрения спроектированная интегральная схема получилась относительно дешевой и потенциально конкурентоспособной. Приведенные технико-экономические расчеты показывают, что интегральная схема получилась высоко надежной и ее можно рекомендовать к использованию в сетях, работающих круглосуточно.
Проведенный патентный поиск показывает, что данная интегральная схема является «патентно-чистой», т.е. на данный момент нет патента на аналогичное устройство, что также способствует продвижению данной рынке.
ПРИМЕЧАНИЕ
Все зарегистрированные торговые марки являются собственностью их уважаемых владельцев.
СПИСОК ИСПОЛЬЗОВАННЫХ ИСТОЧНИКОВ
Литература
В.Б. Булгак. Приказ о мерах по защите интересов российских производителей телекоммуникационного оборудования. Министерство Связи Российской Федерации. Москва. 1997 год.
Дж. Беллами. Цифровая телефония. Перевод с английского. Радио и Связь. Москва. 1986 год.
О.Н. Иванова, М.Ф. Копп, З.С. Коханова, Г.В. Метельский, под редакцией О.Н. Ивановой. Автоматическая коммутация (учебник для ВУЗов). Радио и Связь. Москва. 1988 год.
Л.А. Коледов, В.А. Волков, Н.И. Докучаев и др. Конструирование и технология микросхем. Курсовое проектирование (учебное пособие для ВУЗов). Высшая Школа. Москва. 1984 год.
С. Мурога. Системное проектирование сверхбольших интегральных схем. В двух книгах. Перевод с английского. Мир. Москва. 1985 год.
Ю.В. Скалин, А.Г. Бернштейн, А.Д. Финкевич. Цифровые системы передачи. Радио и Связь. Москва. 1988 год.
П. Хоровиц, У. Хилл. Искусство схемотехники. В двух книгах. Перевод с английского. Мир. Москва. 1983 год.
В.Л. Шило. Полупроводниковые цифровые микросхемы. Радио и Связь. Москва. 1987 год.
В.Л. Шило. Линейные интегральные схемы. Радио и Связь. Москва. 1989 год.
Г.Г. Демирчоглян. Компьютер и здоровье. Советский спорт. Москва. 1995 год.
В.А. Федоренко, А.И. Шошин. Справочник по машиностроительному черчению. Машиностроение. Санкт-Петербург. 1981 год.
А.Н. Жаров. «Железо» IBM. Микроарт. Москва. 1996 год.
Э. Гроув. Системная плата Pentium (версия: VX1F «LEO»). Руководство пользователя. Перевод с английского. Intel. Филиппины. 1997 год.
Х. Парк. Дисплей цветного изображения SyncMaster 3Ne. Руководство пользователя. Перевод с английского. Samsung. Южная Корея. 1997 год.
И.Г. Александрова. Микросхемотехника. Конспект лекций. МТУСИ. Москва. 1997 год.
Л.А. Летник. Цифровые устройства и микропроцессоры. Конспект лекций. МТУСИ. Москва. 1995 год.
В.А. Курбатов. Экология и безопасность жизнедеятельности. Конспект лекций. МТУСИ. Москва. 1997 год.
А.Г. Микиртичан. Организация производства и управление предприятиями. Конспект лекций. МТУСИ. Москва. 1997 год.
Адреса в Internet
http://asu.pstu.ac.ru/book/informat/
http://dialup.mtu.ru
http://www.mtu.ru
http://orasrv.extech.msk.su
http://osp.sovets.ru
http://patents.cnidr.org
http://patents.uspto.gov
http://referats.aha.ru
http://www.osp.ru
http://www.rocit.ru
http://www.aport.ru
http://www.yahoo.com
http://www.altavista.com
http://www.au.ru
http://www.infodom.ru
http://www.patent.ru
http://www.raid.ru/mirrors/osp/cw
http://www.ruslan-com.ru/ATM-serv.php
http://www.ruspatent.ru
http://www.uspto.gov
http://www2.yandex.ru
http://www3.freestats.com



УСТРОЙСТВО УПРАВЛЕНИЯ
БЛОК ВЫДЕЛЕНИЯ ЦИКЛОВОГО И СВЕРХЦИКЛОВОГО СИНХРОНИЗМА
БЛОК ФОРМИРОВАНИЯ ИСХОДЯЩИХ ГРУППОВЫХ КАНАЛОВ
2,048 Мбит/с (Групповые каналы формата ИКМ - 30/32)
2,048 Мбит/с (Уплотненный канал, передаваемый по параллельной 8ми разрядной шине)
Шины обмена с устройством управления и внешним контроллером управления
БЛОК ЦИКЛОВОГО ВЫРАВНИВАНИЯ И КОММУТАЦИИ
Рис. 3.5 Структурная схема проектируемого устройства.
На внешний контроллер управления
КСЦС
СЦС
Ц0
Ц1
Ц2
Ц3
Ц15
К0
К1
К2
К3
К16
К31
Рис. 4.7 Функциональная схема приемника циклового и сверхциклового синхронизма
ВТи
ВГК
&
&
КЦС
Cч2
Q1
Q2
Q3
Q4
T
R4
R
Cч2
Q1
Q2
Q3
T
R
&
ЦС
Р1
Р2
Р3
Р4
Р8
Cч2
T
R
Cч2
T
R
Cч2
T
R
А1
А2
А3
D
А1
А2
А3
А4
А5
D
А1
А2
А3
А4
D
&
&
Q1
Q2
Q3
Q1
Q2
Q3
Q4
Q5
Q1
Q2
Q3
Q4
Cч2
Q1
Q2
Q3
Q4
T
R4
R
Cч2
Q1
Q2
Q3
T
R
&
ОС
НС
&
&
ОС
НС
&
&
ОПОЗНАВАТЕЛЬ
АНАЛИЗАТОР
СИНХРОНИЗМА
РЕШАЮЩЕЕ УСТРОЙСТВО
ГЕНЕРАТОР ИМПУЛЬСНОЙ ПОСЛЕДОВАТЕЛЬНОСТИ
ВТи
У «О»
Рис. 4.14 Функциональная схема коммутационного элемента.
Ти
ОЗУ
6*32
&
На УСТРОЙСТВО УПРАВЛЕНИЯ
ВГК
Выбор ЗУ
Рз/сч
8*32
Dст
А2
А3
Сч2
Q1
Q2
Q3
Т
R
M
D1D2 D3 D4 D5
А
Q1Q2Q3Q4Q5
Cч2
Т
R
D1D2 D3 D4 D5

СПИСОК ИСПОЛЬЗОВАННЫХ СОКРАЩЕНИЙ
-
ANSI
CCITT
CTI
DTMF
FR
GUI
ISDN
ISO
ITU
IVR
Mbps
MPEG
NI
PDH
SDH
SDM
SOHO
STM
SVGA
TCP/IP
VESA
АОН
АТС
ВГК
ВТи
ВТЦ
БИС
г.
др.
ЖК
ЗУ
ЗУА
ИКМ
ЛВС
МГТС
МДП
НИИ
ОЗУ
ПК
рис.
руб.
см.
СП
СТи
ТВ
т.д.
т.е.
т.к.
ТПН
ТТЛ
УАТС
УУ
ЭВМ
ЭЛТ
ЭМИ
ЭМП
ЭСЛ
American National Standards Institute (американский национальный институт стандартов)
Asynchronous Transfer Mode (режим асинхронной передачи данных пакетами постоянной длинны)
Consultative Committee for International Telephone and Telegraph (МККТТ - Международный Консультативный Комитет по Телефонии и Телеграфии)
Code Division Multiple Access (vультидоступ с кодовым разделением каналов)
Computer Telephone Integration (компьютерно-телефонная интеграция)
Dual-tone multifrequency (тоновый набор)
Frame Relay (способ передачи данных пакетами переменной длинны)
Graphical Users Interface (графический интерфейс пользователя)
Integrated Services Digital Network (цифровая сеть с интегрированным сервисом)
International Standards Organization (международная организация стандартов)
International Telecommunications Union (международное объединение связи)
Interactive Voice Response (интерактивный голосовой отклик)
Megabit per second (Мбит/с - мегабит в секунду)
Move Picture Expert Group (группа экспертов по движущимся изображениям)
Non Interacled (без мерцания)
Plesiochronous Digital Hierarchy (плезиохронная цифровая иерархия)
Synchronous Digital Hierarchy (синхронная цифровая иерархия)
Synchronous Digital Multiplexer (синхронный цифровой мультиплексор)
Small Office - Home Office (малый офис - домашний офис)
Synchronous Transfer Mode (режим синхронной передачи данных)
Super Video Graphics Adapter (улучшенный видеоадаптер)
Transmission Control Protocol / Internet Protocol (протокол доступа в Internet)
Video Electronics Standards Association (Ассоциация стандартизации электронных видео компонентов)
Акционерное Общество
Автоматический Определитель Номера
Автоматическая Телефонная Станция
Входящий Групповой Канал
Выделенный Тактовый Импульс
Внешний Телефонный Центр (call center)
Большая Интегральная Схема
Город
Другое
Жидкокристалльный
Запоминающее Устройство
Запоминающее Устройство Адреса
Импульсно – Кодовая Модуляция
Локальная Вычислительная Сеть
Московская Городская Телефонная Сеть
Металл - Диэлектрик - Полупроводник
Научно Исследовательский Институт
Оперативное Запоминающее Устройство
Персональный Компьютер
Рисунок
Рубль
Смотри
Совместное Предприятие
Станционный Тактовый Импульс
Телевидение
Так далее
То есть
Так как
Травма Повторяющихся Нагрузок
Тразисторно - Транзисторная Логика
Учережденческая Автоматическая Телефонная Станция
Управляющее Запоминающее Устройство
Устройство Управления
Электронно-вычислительная Машина
Электронно-лучевая Трубка
Электромагнитное Излучение
Электромагнитное Поле
Эммитерносвязанная Логика







ГЛАВА 1
РЕШЕНИЕ ПРОБЛЕМЫ ПЕРЕДАЧИ ИНФОРМАЦИИ НА ПРИМЕРЕ КОМПАНИИ «МТУ-ИНФОРМ»
Компания "МТУ-Информ" (сокращение от "Московские телекоммуникационные услуги и информатика") создана в 1992 году и является целиком российским предприятием. "МТУ-Информ" действует преимущественно на территории Москвы и Московской области – как самостоятельно, так и через дочерние компании. Основные сферы деятельности в настоящее время – предоставление услуг проводной телефонии и услуг по передаче цифровых данных. "МТУ-Информ" располагает собственной крупнейшей в Москве оптоволоконной транспортной сетью. По числу обслуживаемых абонентов телефонной связи компания занимает сейчас в столице второе место. В ближайшее время перечень услуг значительно расширится: планируется ввод в действие цифровой сети радиотелефонии, трансляция программ кабельного телевидения, появление "интеллектуального" коммуникационного сервиса, обеспечение полноценного выхода в Интернет и др. Среди клиентов – крупнейшие отечественные и зарубежные фирмы, банки, гостиницы, аэропорты, информационные агентства и т.д. "МТУ-Информ" – молодая и стремительно развивающаяся компания, постоянно совершенствующая свою техническую базу и непрерывно расширяющая набор предоставляемых услуг. С помощью их сервера всегда можно получать самую оперативную и полную информацию.
ЭТИ СЕТИ ЕСТЬ СЕГОДНЯ:
Цифровая транспортная сеть;
сеть передачи данных;
телефонная сеть общего пользования;
"интеллектуальные" телефонные услуги.
сеть для доступа к Интернет.
ЭТИ СЕТИ СКОРО ПОЯВЯТСЯ:
сотовая радиотелефонная сеть стандарта CDMA;
сеть беспроводного телевидения;
2.1 ЦИФРОВАЯ ТРАНСПОРТНАЯ СЕТЬ
2.1.1 ОБЩИЕ СВЕДЕНИЯ
В сентябре
1996 г. компания
"МТУ-Информ"
ввела в эксплуатацию
первую очередь
собственной
цифровой транспортной
сети. На этом
этапе было
задействовано
70 узлов, которые
разместились
в зданиях АТС
Московской
городской
телефонной
сети (МГТС). Такое
решение позволило
эффективно
объединять
по мере необходимости
технические
ресурсы "МТУ-Информ"
и МГТС. В узлах
сети были расположены
цифровые
мультиплексоры,
связанные друг
с другом магистральными
оптоволоконными
кабелями, общая
протяженность
которых составила
около 600 км. Уже
первая очередь
цифровой транспортной
сети охватила
практически
всю Москв
у:
расстояние
от ближайшего
узла сети до
потенциального
пользователя
составило не
более 3 км.
Рис. 2.1
Сеть топологически состоит из трех колец STM-4 (622 Мбит/с) и одного кольца STM-16 (2.5 Гбит/с), связанных друг с другом потоками STM-1 (155 Мбит/с) и примыкающих к ним двадцати пяти периферийных колец STM-1 (155 Мбит/с). Сеть построена с применением технологии SDH (Synchronous Digital Hierarchy — Синхронная Цифровая Иерархия), позволяющей создать единую транспортную среду для разнородных информационных потоков. При этом совокупная пропускная способность сети достаточна для того, чтобы в едином потоке передавать большие массивы информации — как телефонно-голосовой, так и изначально существующей в виде цифровых данных. За счет высокой пропускной способности (по этому показателю сеть является одной из крупнейших в Москве) на ее базе возможна организация вторичных сетей большой мощности, в том числе наложенной сети передачи данных.
Транспортная сеть компании высоконадежна. Ее оборудование постоянно самотестируется и при возникновении какой-либо неисправности соответствующее сообщение посылается центральной системе управления, которая выдает диагностическое сообщение на монитор оператора и одновременно сохраняет его в базе данных для последующего анализа. Каналы в сети продублированы с помощью обходных путей, на которые система переключается в случае ухудшения качества передачи или пропадания основного канала. Такой принцип управления обеспечивает полное сохранение связи в случае аварии на кабельных трассах или выходе из строя каких-либо элементов сетевого оборудования.
Центральная система управления размещается в главном офисе компании. С ее помощью ведется постоянное наблюдение за состоянием сети в целом и за работой оборудования на ее отдельных участках, оперативно маршрутизируются информационных потоки, оптимизируется загрузка отдельных элементов, а при необходимости, сеть автоматически переконфигурируется.
Цифровая транспортная сеть позволяет передавать телефонный трафик как от собственных АТС "МТУ-Информ", так и транзитный, исходящий от сетей МГТС и других телефонных операторов. Номерная емкость, которую обслуживает сеть, составляет ныне примерно 100000 номеров.
На базе транспортной сети создана наложенная сеть передачи данных "МТУ-Информ". Данная сеть предназначена для сдачи пользователям в аренду коммутируемых и некоммутируемых цифровых каналов связи.
2.1.2 ПЕРСПЕКТИВЫ РАЗВИТИЯ
В планы компании "МТУ-Информ" по развитию своей транспортной сети входит:
дальнейшая прокладка оптического кабеля и увеличение количества узлов в Москве (к концу 1997 планируется проложить в столице еще 300 километров оптического кабеля и довести количество узлов до 150);
расширение транспортной сети на Московский регион;
интеграция с телекоммуникационными сетями и сетями кабельного телевидения отечественных и зарубежных компаний.
2.1.3
ТЕХНИЧЕСКОЕ
ОБЕСПЕЧЕНИЕ
ТЕХНОЛОГИЯ SDH
Стремление к созданию единого стандарта транспортной сети привело к разработке и последующему широкому внедрению оборудования синхронно-цифровой иерархии (Synchronous Digital Hierarchy — SDH), являющемуся на сегодняшний день основой для создания широкополосных транспортных сетей. Его важнейшие особенности — наличие гибкой легко управляемой структуры для передачи и переключения потоков информации разной мощности (в том числе и плезиохронных), ввода и выделения этих потоков в произвольных пунктах, систем контроля качества. Все это либо невыполнимо, либо крайне затруднительно при существовавших ранее других цифровых системах — плезиохронных цифровых иерархиях (PDH). Оператору сети SDH абсолютно безразлично, какие виды информации передаются по сети, поскольку и телефония, и компьютерные данные, и сигналы кабельного телевидения представляют с точки зрения SDH лишь цифровой поток различной скорости. От сети же требуется лишь достаточная пропускная способность. В связи с неоспоримыми преимуществами SDH-технологии компания «МТУ-Информ» выбрала ее для реализации своей транспортной сети.
ОБОРУДОВАНИЕ СЕТИ
Транспортная сеть «Компании МТУ-Информ» построена на оборудовании SDH производства компании ECI Telecom (Израиль). В узлах сети расположены синхронные цифровые мультиплексоры (Synchronous Digital Multiplexer — SDM), находящиеся в зданиях АТС АО «МГТС» и связанные друг с другом магистральными оптоволоконными кабелями.
Первая очередь сети запущена в эксплуатацию осенью 1996 г. В составе первой очереди сети насчитывается 13 мультиплексоров SDM-16 и 59 мультиплексоров SDM-1 семейства SYNCOM.
Топологически сеть состоит из первичного центрального кольца со скоростью передачи информации 2,488 Гбит/с (STM-16) и нескольких вторичных колец со скоростями передачи 155,5 (STM-1) и 622 Мбит/с (STM-4). При этом от пользователей в SDM поступают потоки 2,048 Мбит/с; трассы прохождения потоков задаются программно. Кольцевая структура и резервирование каналов обеспечивают связность сети при авариях на магистралях и бесперебойность передачи данных.
Вторая очередь сети будет представлять собой 3 кольца STM-4 и 18 колец STM-1 и состоять из 23 мультиплексоров SDM-4 и более чем из 72 мультиплексоров SDM-1C производства компании ECI Telecom.
Все сетевые элементы управляются из единого центра управления сети, находящегося в главном офисе компании. Система управления eNM производства ECI Telecom отвечает всем самым современным требованиям, предъявляемым к системам такого рода, а многие ее функции являются уникальными.
Система управления предоставляет оператору множество различных возможностей для управления сетью. В частности, система позволяет:
собирать и анализировать аварийные сообщения в режиме реального времени;
осуществлять мониторинг и конфигурацию удаленного сетевого элемента (до уровня блока);
автоматически создавать канал указанием его начальной и конечной точек;
контролировать качество канала без нарушения связи;
устанавливать «петли» на ближнем и дальнем концах, а также контрольные точки на любом участке пути, что существенно облегчает поиск неисправности;
строить каналы с одним входом и несколькими выходами, что создает удобную среду для передачи оцифрованных сигналов кабельного телевидения;
редактировать конфигурации канала без перерыва связи;
переводить периферийное оборудование сети на новую версию программного обеспечения из центра управления без перерыва связи.
К концу 1997 года «Компания МТУ-Информ» планирует проложить дополнительно 300 километров оптического кабеля и увеличить количество узлов в черте Москвы до 150.
ТОПОЛОГИЯ И ПРОПУСКНАЯ СПОСОБНОСТЬ СЕТИ
Сеть топологически состоит из трех колец STM-4 (622 Мбит/c) и одного кольца STM-16 (2.5 Гбит/с), связанных друг с другом потоками STM-1 (155 Мбит/c) и примыкающих к ним двадцати пяти периферийных колец STM-1 (155 Мбит/c).
Сеть предоставляет возможность передачи по каждому из направлений до 63, 252 или 1008 потоков Е1 (2Мбит/с) по кольцам STM-1, STM-4 или STM-16 соответственно. Такая пропускная способность обеспечивает передачу 1890, 7560 или 30240 телефонных каналов, используя при этом лишь два оптических волокна в кабеле. Используемым PDH-интерфейсом является G.703.
Совокупная пропускная способность сети достаточна для того, чтобы в едином потоке передавать большие массивы информации — как телефонно-голосовой, так и изначально существующей в виде цифровых данных. За счет высокой пропускной способности (по этому показателю сеть является одной из крупнейших в Москве) на ее базе возможна организация вторичных сетей большой мощности, в том числе наложенной сети передачи данных.
2.2 СЕТЬ ПЕРЕДАЧИ ДАННЫХ
(ATM/Frame Relay)
2.2.1 ОБЩИЕ СВЕДЕНИЯ
На базе собственной цифровой транспортной сети компания "МТУ-Информ" создала наложенную сеть передачи данных. Данная сеть предназначена для сдачи пользователям в аренду коммутируемых и некоммутируемых цифровых каналов связи. Скорость передачи информации по каналам связи — до 2,488 Гбит/с. Сеть строится на основе технологии FR/ATM, позволяющей оптимизировать информационный поток, идущий от многих одновременно работающих пользователей, гарантируя каждому из них определенную пропускную способность. Применение технологии FR/ATM дает возможность сэкономить до 30% затрат, приходящихся на оплату услуг связи, по сравнению с использованием выделенных линий. Сеть высоконадежна: за счет кольцевой структуры и резервирования магистральных оптоволоконных линий обеспечивается устойчивость к авариям и бесперебойность передачи данных.
На территории Москвы максимальное расстояние от потенциальных пользователей до узлов сети составляет 1-3 км. Такая плотность обеспечивается за счет равномерного заполнения территории Москвы транспортной сетью "МТУ-Информ" (см. рис. 2.1).
Компания "МТУ-Информ" полностью решает вопросы организации "последней мили" до абонентов: либо путем аренды выделенных телефонных пар у своего партнера — спецузла АО "МГТС", либо, при необходимости, прокладкой новых кабелей (медных или оптоволоконных).
Оборудование сети позволяет осуществлять:
интегрированную передачу компьютерных данных, речи, факсов и видеоизображений;
коммутацию каналов/пакетов/ячеек;
взаимодействие абонентов на скоростях 2048 Кбит/с, n * 64 Кбит/с, 64 Кбит/с и менее по выделенным каналам связи;
поддержку протоколов X.25, CE, интерфейсов V.24/RS-232, X.21/RS-449, V.35, V.36 и классов обслуживания CBR (Constant Bit Rate), VBR (Variable Bit Rate), UBR (Unspecified Bit Rate), ABR (Available Bit Rate);
централизованный сквозной контроль и тестирование устройств сети (узлов, трактов, плат, портов, включая оборудование "последней мили" и вплоть до выходного разъема абонента);
автоматическую альтернативную маршрутизацию (реконфигурацию маршрутов и каналов) в случае перегрузки или аварий опорной цифровой сети;
сбор статистики по трафику, качеству работы и авариям.
Применяемые технологии полностью соответствуют международным стандартам и рекомендациям CCITT (МККТТ) / ITU и ANSI.
На базе сети передачи данных "МТУ-Информ" возможна организация виртуальных корпоративных подсетей, управляемых абонентом с его станции управления — с определенным объемом полномочий по управлению и реконфигурации и с должной степенью защиты от вмешательств в работу подсети.
Первая очередь сети передачи данных "МТУ-Информ", рассчитанная на 10000-17000 абонентов, введена в эксплуатацию в августе 1997 г.
2.2.2 ПЕРСПЕКТИВЫ РАЗВИТИЯ
Основными направлениями развития сети передачи данных "МТУ-Информ" являются:
увеличение количества узлов сети, ее распространение на Московскую область;
интеграция в общемировую сеть АТМ;
расширение спектра услуг сети за счет внедрения широкополосного сервиса (B-ISDN);
предоставление услуг АТМ на периферийных кольцах сети.
К 1999 г. предполагается расширение числа пользователей до 40000. При этом ожидается переход части пользователей от других телекоммуникационных компаний, поскольку "МТУ-Информ" будет к тому времени предлагать своим клиентам уникальное по комплексности обслуживание.
2.2.3 ТЕХНОЛОГИЯ ATM/FR
Нацеленная на максимальное удовлетворение потребностей различных категорий абонентов, технология передачи цифровой информации Frame Relay (FR), позволяет обеспечить совместное использование многими абонентами высокоскоростных цифровых каналов с минимальными задержками. Ее идея состоит в передаче цифровой информации пакетами переменной длины с применением статистического мультиплексирования, что гарантирует пользователю определенную пропускную способность канала, а также позволяет расширить этот канал при резком (взрывном) возрастании трафика за счет других каналов, незанятых в данный момент времени. Это экономит до 30% затрат, приходящихся на оплату услуг связи, по сравнению с использованием выделенных линий.
FR-технология используется в низкоскоростной, "абонентской" части сети, работающей на скоростях до 2 Мбит/с. В отличие от нее, технология ATM (Asynchronous Transfer Mode), связанная с переносом ячеек фиксированного размера, применяется в магистральных каналах сети, использующих скорости от 155 Мбит/с и выше. ATM-технология позволяет оптимизировать пропускную способность каналов, что для клиента означает увеличение надежности при прохождении разнородных информационных потоков.
2.2.4 ОБОРУДОВАНИЕ СЕТИ
Все оборудование наложенной сети передачи данных поставила компания Newbridge Networks (Канада), которая выпускает полную гамму сетевых устройств, хорошо стыкующихся не только между собой, но и с оборудованием других производителей. В узлах сети устанавливаются устройства семейства MainStreet: ATM-коммутаторы 36170, коммутаторы 36120 и мультиплексоры 3600.
Абоненты сети, расположенные в непосредственной близости к узлам магистральной коммутации, могут подключаться к ATM-коммутаторам через пользовательские интерфейсы (STM-1, видеоинтерфейсы PAL/NTSC, интерфейсы ЛВС). Абонентские узлы ATM могут подключаться к сети через интерфейсы STM-1 ATM, E3 ATM, E1 ATM, которые доводятся до абонентов через отдельные системы передачи либо по оптоволокну. При этом в качестве абонентского оборудования могут использоваться устройства 36030, 36050, 36150 MainStreet, модули ATM NIC для рабочих станций, а также устройства семейства VIVID. Низкоскоростной доступ удаленных пользователей обеспечивают мультиплексоры 3600 MainStreet. Эти устройства гибко наращиваются путем установки в них дополнительных плат, что позволяет расширять сеть постепенно и с небольшими дополнительными затратами. Терминальные адаптеры (DTU) обеспечивают доведение до помещений пользователя нескольких цифровых каналов с суммарной пропускной способностью до 2 Мбит/с по обыкновенной витой паре. Подключение абонентов к сети возможно также по стыкам BRI или PRI ISDN.
В качестве транспортной среды используется построенная компанией "МТУ-Информ" собственная SDH-сеть.
Для организации наложенной сети передачи цифровой информации в узлах сети SDH устанавливаются интеллектуальные мультиплексоры с функциями коммутации пакетов FR или АТМ, а также станция менеджера сети, расположенная на центральном узле. Мультиплексоры FR связаны между собой информационными потоками со скоростями передачи 2,048 Мбит/с, а весь обмен информационными потоками между мультиплексорами FR осуществляется через транспортную сеть SDH.
В узлах центрального кольца установлены магистральные коммутаторы ATM типа 36170 MainStreet. Для абонентского доступа используются коммутаторы Frame Relay типа 36120 MainStreet и интеллектуальные мультиплексоры типа 3600 MainStreet. Последние легко превращаются в коммутаторы Frame Relay/X.25 путем установки в них специального модуля (FRS или FRE). Абоненты подключаются к узлам сети по выделенным физическим линиям связи через терминальные адаптеры (DTU), выбираемые из широкой номенклатуры устройств абонентского доступа компании Newbridge Networks Corp. К числу таких устройств относятся, например, адаптеры типа 26xx/27xx MainStreet.
Таким образом, в ядре сети реализуется режим ATM, в ядре и на вторичных кольцах — режим Frame Relay, а на периферии к сети возможен доступ в самых различных режимах и в широком диапазоне скоростей передачи — в зависимости от нужд конкретного абонента.
2.2.5 ТОПОЛОГИЯ И ПРОПУСКНАЯ СПОСОБНОСТЬ СЕТИ
Т
опология
сети передачи
цифровой информации
с наложенными
сетями FR и АТМ,
а также с выделенными
высокоскоростными
каналами, изображена
на рисунке:
Рис. 2.2
Центральное кольцо сети имеет пропускную способность STM-1 (155 Мбит/с); каждый узел периферийных колец имеет 4 канала связи Е1 (4 * 2 Мбит/с). Наращивание пропускной способности сети возможно путем изменения топологии — перехода от кольцевых структур к радиальным на наиболее загруженных участках за счет реконфигурации потоков Е1 транспортной сети SDH.
К каждому из 69 коммутаторов / мультиплексоров доступа в узлах сети может быть подключено до 250 абонентов (на скорости 64-128 кбит/с). Возможен также абонентский доступ на скоростях 2 Мбит/с и 155 Мбит/с (в центральном кольце).
Передачу потоков цифровой информации по выделенным каналам типа "точка — точка" или "точка — много точек" потоками 2,048 Мбит/с, 34,368 Мбит/с, 139,264 Мбит/с, 155 Мбит/с, 622 Мбит/с и 2,488 Гбит/с можно осуществлять, используя подключение непосредственно к системам передачи (мультиплексорам SDM) транспортной сети SDH. В качестве пользователей таких услуг могут выступать, например, студии кабельного ТВ, от которых поступает либо несжатый видеоканал, либо несколько сжатых видеоканалов, преобразованных в один посредством специального видеомультиплексора. Целесообразно использовать оцифрованные видеоканалы в стандарте MPEG2, что позволяет передавать один телевизионный канал со скоростью от 2 до 8 Мбит/с). Такая технология является базовой для построения комбинированных волоконно-оптических и коаксиальных широкополосных сетей кабельного телевидения, позволяющих транслировать десятки каналов, организовывать "видео по запросу" и оказывать другие услуги.
Реализованная таким образом сеть передачи цифровой информации имеет универсальную архитектуру, способную работать в режимах "прозрачный канал" для передачи как пакетов, так и ячеек. Это позволяет оптимизировать сеть, сохраняя экономию пропускной способности при низкоскоростном доступе извне и обеспечивает быстрый обмен информацией, при котором экономия ресурсов не является первостепенным требованием. Для пользователей же сеть оказывается "прозрачной" и с них снимаются проблемы по поиску и приобретению какого-либо дополнительного оборудования, а также по стыковке их сетей. Компания "МТУ-Информ" полностью берет на себя всю организацию прямого доступа к пользователям и контролирует работоспособность канала вплоть до розетки абонента. Первая очередь сети рассчитана на 10000-17000 абонентов (нижняя граница достигается при неравномерном распределении абонентов по узлам).
ДЛЯ ЧЕГО И КАК СЕТЬ МОЖЕТ ИСПОЛЬЗОВАТЬСЯ КЛИЕНТАМИ
Сеть может использоваться для решения следующих задач:
передачи речи;
передачи данных;
сопряжения локальных вычислительных сетей (ЛВС), в том числе и работающих в разных стандартах (Token Ring, SNA, Ethernet и т.д.);
установления связи между удаленным терминалом и главным компьютером;
установления связи между удаленным персональным компьютером (ПК) и ЛВС;
сопряжения высокопроизводительных ЛВС;
создания виртуальной корпоративной сети, коммутируемой и управляемой пользователем (в том числе и с доступом к Интернет);
обеспечения видеоконференц-связи;
передачи видеоизображений, в том числе сигналов телевещания (кабельного ТВ);
организации различных интерактивных служб с использованием мультимедиа ("видео по запросу" и т.д.).
Д


ля
использования
сети предлагается
несколько
стандартных
решений, показанных
на рисунках.
Рис 2.3; 2.4 и 2.5
Компания "МТУ-Информ" полностью берет на себя всю организацию доступа непосредственно к абонентам, что весьма выгодно отличает ее от большинства других компаний, предоставляющих лишь каналы связи.
При использовании на "последней миле" медного кабеля затраты берет на себя «МТУ-Информ», а в дальнейшем они покрываются за счет арендной платы.
2.3 ТЕЛЕФОННАЯ СЕТЬ ОБЩЕГО ПОЛЬЗОВАНИЯ
2.3.1 ОБЩИЕ
СВЕДЕНИЯ
Телефонная сеть компании "МТУ-Информ" предназначена для оказания разнообразных телефонных услуг индивидуальным и корпоративным клиентам г. Москвы. Сеть базируется на принадлежащих компании электронных цифровых АТС, а в качестве транспортной среды используется собственная SDH-сеть. Номерная емкость составляет в настоящее время примерно 100000 номеров, входящих в нумерацию Московской городской телефонной сети. Таким образом, по числу обслуживаемых абонентов компания "МТУ-Информ" является вторым после АО "МГТС" оператором телефонной связи в Москве. Телефонные услуги, предоставляемые "МТУ-Информ", отличает высокое качество. Его составляющие — хорошая слышимость, надежность установления соединения, стабильность параметров сигнала и т. д. Располагая собственной транспортной сетью, равномерно покрывающей практически весь город, "МТУ-Информ" имеет возможность обеспечивать связь с абонентами МГТС, доставляя сигнал к центральной АТС компании по своей цифровой сети. Устаревшие аналоговые АТС, на которых в значительной степени происходит потеря качества сигнала, при этом не используются. Центральный узел сети "МТУ-Информ" имеет выходы на другие города и за пределы России через СП "СЦС Совинтел" и АО "Ростелеком". Благодаря высоким характеристикам телефонной сети "МТУ-Информ" ее услугами пользуются:
отечественные и зарубежные банки (Сбербанк, Инкомбанк, Автобанк, Внешторгбанк, Московский международный банк, "Российский кредит", Citybank, Credit Suisse, Westdeutsche Landersbank и др.);
бизнес-центры (Совинцентр, Макдональдс, Mosenka, Парус, Западный Мост и др.);
крупные зарубежные фирмы (IBM, Microsoft, Shell, Chevron, Pepsi, Masterfoods, Proctor&Gamble и др.);
все операторы сотовых сетей ("Би-Лайн", "Мобильные ТелеСистемы","Московская Сотовая Связь", "Совинтел" и др.);
поставщики (сервис-провайдеры) услуг Интернет ("Совам-Телепорт", "Демос","Релком" и др.);
гостиницы ("Националь", "Тверская" и др.);
информационные агентства (Рейтер и др.);
аэропорты ("Шереметьево" и др.)
и проч.
При необходимости "МТУ-Информ" берет на себя комплексное доведение линий связи до клиента, включая строительство кабельной канализации, проектирование и прокладку оптоволоконных и медных кабельных трасс непосредственно до объекта, установку и обслуживание согласующей аппаратуры, поставку, монтаж и подключение местной АТС и т.д. Таким образом, "МТУ-Информ" способна производить полную комплексную телефонизацию организации-заказчика.
В настоящее время в рамках телефонной сети общего пользования сети "МТУ-Информ" происходит развитие так называемых интеллектуальных услуг. Их предоставление обеспечивается программно-аппаратным комплексом компьютерно-телефонной обработки вызовов. На практике это означает, что пользователи смогут обращаться к службам типа "800" и "900", широко распространенным в развитых странах. Подобные службы позволяют получать любые виды справочной информации из специализированных баз данных, оплачивать соединение дебитными и кредитными карточками (в том числе за счет вызываемого абонента), строить корпоративные сети различных видов, организовывать конференц-связь, пользоваться голосовой и электронной почтой и многое другое. В числе прочего, эти службы дают возможность создавать новые виды сервиса при участии других компаний-операторов.
Е
ще
одно направление
развития телефонной
сети общего
пользования
— ее интеграция
с сетью
радиотелефонии
"МТУ-Информ",
находящейся
в стадии развертывания.
Услугами
радиотелефонии
компания планирует
охватить как
Москву, так и
Подмосковье.
Подключение
базовых радиотелефонных
станций к
оборудованию
проводной связи
будет осуществляться
посредством
транспортной
сети
"МТУ-Информ".
Таким образом,
деятельность
компании как
телефонного
оператора
призвана увеличить
доступность
телефонных
услуг в Москве
и Московской
области с
значительным
одновременным
расширением
их набора и
существенным
улучшением
качества. В
своей тарифной
политике компания
ориентируется
на доступность
услуг потенциальным
клиентам со
средним уровнем
доходов.
Рис. 2.6
2.3.2 ПЕРСПЕКТИВЫ РАЗВИТИЯ
В планы компании "МТУ-Информ" по развитию своей телефонной сети входит:
введение до конца 1997 г. еще 100000 номеров коммутаторной емкости;
открытие доступа к цифровых сетям с интеграцией служб (ISDN);
предоставление широкого спектра «интеллектуальных» услуг;
введение в строй единой учетно-расчетной системы, автоматически отслеживающей предоставление всех видов услуг.
2.3.3
"ИНТЕЛЛЕКТУАЛЬНЫЕ"
ТЕЛЕФОННЫЕ
УСЛУГИ
Дополнительные услуги на сети МТУ-Информ
Развертываемый на сети МТУ-Информ Узел Дополнительных Услуг (Service Node) предоставит абонентам Московской городской телефонной сети широкие возможности системы компьютерно - телефонной интеграции (CTI).
На первом этапе внедрены следующие службы Узла:
Внешний телефонный Центр (Call Center) или служба 800;
может с высокой эффективностью обслуживать поток телефонных вызовов, направленный в адрес компании - арендатора услуг Узла. ВТЦ в первую очередь предназначен тем компаниям, которые по роду своей основной деятельности должны обеспечивать постоянное и эффективное взаимодействие со своими клиентами.
Система предоставления услуг междугородной и международной связи;
Альтернативный доступ к услугам дальней связи – дает возможность физическим и юридическим лицам пользоваться междугородной и международной связью по привлекательным тарифам, с удобной формой оплаты и отличным качеством.
Система предоставления аудиоинформации (Audiotex)
Позволяет предоставлять пользователям справочную аудиоинформацию по выбору, организовать теле игры, розыгрыш лотерей, опрос общественного мнения и др.
2.3.4
ТЕХНИЧЕСКОЕ
ОБЕСПЕЧЕНИЕ
ТЕХНОЛОГИЯ "Интеллектуальных Услуг"
Узел базируется на телефонной сети общего пользования "МТУ-Информ" и программно-аппаратном комплексе компьютерно - телефонной системы обработки вызовов. Имея большую гибкость и наращиваемость, компьютерно - телефонная система МТУ-Информ позволяет быстро разрабатывать и внедрять новые услуги и использовать самые современные средства доступа, передачи и предоставления информации. Немаловажно, что доступ к Узлу имеют практически все абоненты Московской городской телефонной сети, независимо от используемого телефонного аппарата и типа телефонной станции. В зависимости от решаемой задачи Узел может одновременно обслуживать до нескольких тысяч вызовов одновременно.
Технически Узел является комплексом, основанным на компьютерной сети, служащей для коммутации телефонных линий абонентов и операторов, выполнения сценариев услуг, обработки запросов абонентов, записи, воспроизведения и хранения речевой и факсимильной информации, сбора и обработки статистической информации, управления базами данных и приложениями. Открытая архитектура программных средств и возможности наложенной сети передачи данных, телефонной сети общего пользования и магистральной сети для доступа к Интернет позволяют арендовать ресурсы Узла внешним пользователям.
Решение Узла основано на программном комплексе одного из крупнейших производителей CTI - фирмы Genesys , аппаратуре Dialogic, серверах Compaq и коммутатора фирмы Northern Telecom .
Структуру Центра можно представить в виде блоков IVR (Interactive Voice Response) и Call Center. В IVR разрабатывается и запускается сценарий обработки вызова абонента, определяются набираемые цифры в процессе диалога с системой, определяется номер абонента, выдаются речевые сообщения и подсказки, генерируются переменные данные сообщения (числа, даты и др.), осуществляется авторизация, биллинг и доступ к базам. Основой Call Center является T-Server, который поддерживает агентские приложения (agent applications), управляет телефонной станцией, распределяет подключение агентов (Intelligent Call Delivery), отслеживает их работу и поток вызовов (Monitoring). Данные накапливаются и обрабатываются в сервере статистики (Stat Server). В сервере баз данных (DB Server) хранятся базы, необходимые для работы агентов. Также агенты могут использовать данные из глобальной сети и локальных баз арендаторов ресурсов Узла.
А
ппаратно
Узел является
компьютерной
системой, состоящей
из объединенных
в сеть мощных
серверов и
рабочих станций.
По специфике
исполняемых
задач можно
выделить четыре
группы серверов:
IVR и Dialogic серверы
в блоке IVR, T-Server в
блоке Call Center и Oracle
Server.
Рис. 2.7
Проследим прохождение вызова: Входящий вызов поступает с МГТС через транзитную телефонную станцию после набора трех цифр номера (индекса) и попадает на Dialogic-Server. По оставшимся четырем цифрам, поступающим в виде импульсного челнока, система определяет адрес требуемой службы. При необходимости система может запросить номер абонента (АОН). Прием цифр в процессе диалога с абонентом производится DTMF или декадными импульсами. После авторизации в биллинговой системе возможно проключение на международные каналы, выдача стандартных сообщений (аудиотекс) или соединение с агентом. В последнем случае система, получив информацию об абоненте, проключает нужного агента (по критерию доступности, квалификации, “знакомства” с этим абонентом) и активизирует на его компьютере связанную информацию (в виде pop-screen). При обслуживании вызова агент может использовать локальные и глобальные базы, возможность передачи вызова старшему оператору и в головной офис фирмы. По результатам работы формируются отчеты, передаваемые заказчику услуги в удобном для него виде.
2.3.5 ТЕХНИЧЕСКОЕ ОБЕСПЕЧЕНИЕ
ОБОРУДОВАНИЕ СЕТИ
В качестве основного оборудования телефонной сети общего пользования используются электронные цифровые АТС модели DX-200 производства Nokia Telecommunications (Финляндия). Все АТС размещаются в центральном офисе компании и связаны с собственной транспортной сетью "МТУ-Информ". Передача трафика по оптоволокну, цифровая форма представления сигнала и надежная система электронного набора номера создают предпосылки для высокого качества связи. Особенно значимо достигнутое компанией качество связи для передачи цифровых данных. Многочисленные тестирования показали, что при соединении абонентов практически из любого района Москвы устойчиво обеспечивается скорость передачи данных не менее 28800 бит/с. Для абонентов цифровых телефонных сетей доставка сигнала может производиться без аналогового преобразования (при компьютерной передаче данных — без применения модемов). По причине высокого качества соединения предоставленные "МТУ-Информ" телефонные серии используются ведущими московскими поставщиками (сервис-провайдерами) услуг Интернет.
Соединение абонентов телефонной сети "МТУ-Информ" с абонентами МГТС происходит с точки зрения пользователя точно так же, как и внутри сети. Доступ к междугородным и международным линиям связи осуществляется через центральный узел телефонной сети "МТУ-Информ", имеющий выход в сети СП "СЦС Совинтел" и АО "Ростелеком".
По запросу клиента возможна поставка, монтаж и подключение к телефонной сети "МТУ- Информ" учрежденческих станций (УАТС) средней и большой емкости типа "Меридиан-1" , работающих по цифровым и аналоговым линиям связи.
Новый вид предоставляемого "МТУ-Информ" сервиса — так называемые "интеллектуальные" телефонные услуги. Они обеспечиваются специальным оборудованием.
2.4 ПОДКЛЮЧЕНИЕ К СЕТИ ИНТЕРНЕТ
2.4.1 ПОСТОЯННОЕ ПОДКЛЮЧЕНИЕ К УСЛУГАМ ИНТЕРНЕТ КОМПАНИИ "МТУ-Информ"
Описание услуги Internet: Пользователю предоставляются постоянное подключение к международной сети Интернет посредством ТСР/IP сети компании «МТУ-Информ». При организации подключения используется технология Frame Relay. ТСР/IP сеть компании «МТУ-Информ» создана на основе самого современного оборудования: магистральные маршрутизаторы производства CISCO Systems (США), сетевые серверы SUN Microsystems (США), канальное оборудование New Bridge (США) и ECI (Израиль).
К международной сети ИНТЕРНЕТ сеть компании «МТУ-Информ» подключается трансатлантическим подводным каналом Россия-Канада емкостью 4Mbps. Канал имеет возможности для практически неограниченного наращивания его пропускной способности и прямого обменом трафиком с крупнейшими операторами Интернет североамериканского континента. Международная коннективность организована по полностью резервированной схеме с использованием запасных наземных и спутниковых каналов.
В России ТСР/IP сеть компании «МТУ-Информ» имеет каналы прямого обмена трафиком со всеми основными российских провайдерами услуг Интернет.
В отличие от других сервис-провайдеров, компания «МТУ-Информ» предоставляет ИНТЕРНЕТ услуги не на порту своего маршрутизатора, а в офисе клиента, используя для этого собственную сеть передачи данных, поскольку при подключении к другим провайдерам клиент должен дополнительно арендовать у третьей стороны канал сети передачи данных. В офисе клиента устанавливается терминальный адаптер, подключенный к сети передачи данных «МТУ-Информ». Как отмечено ранее, даже простейшие терминальные адаптеры имеют возможность подключения клиента по двум независимым каналам 64Kbps. Таким образом, приобретая услуги ИНТЕРНЕТ компании «МТУ-Информ» по каналу 64Kbps, клиент получает возможность одновременно воспользоваться услугами сети передачи данных (например, для сопряжения локальных сетей собственных филиалов) или организовать подключение к ИНТЕРНЕТ двух независимых компаний , расположенных рядом друг с другом.
2.4.2 КОММУТИРУЕМОЕ ПОДКЛЮЧЕНИЕ К СЕТИ ИНТЕРНЕТ
Компания "МТУ-Информ" предлагает воспользоваться принципиально новой услугой - подключением к сети Интернет по коммутируемым линиям городской телефонной сети с оплатой в кредит.
Для доступа в сеть Интернет используется модемный пул компании, подключенный к серийным номерам 995-5555 и 995-5556. Эти серийные номера сформированы прямо на транзитном телефонном узле "МТУ-Информ". Транзитный телефонный узел - это сложный комплекс устройств, осуществляющих коммутацию межстанционных телефонных потоков между городскими АТС. Транзитный узел является сердцем цифровой телефонной сети компании "МТУ-Информ". Более чем 140 узловых ATC городской телефонной сети соединены с ним цифровыми волоконно-оптическими трактами, что практически всегда позволяет собирать трафик клиентов услуги Интернет непосредственно на их ближайших районных АТС. Отсутствие значительных аналоговых участков соединения существенно увеличивает скорость и устойчивость модемного соединения. Качество этой системы доступа многократно проверено на ведущих Интернет провайдерах, которым компания "МТУ-Информ" предоставляет в аренду свои телефонные серии с номерами, начинающимися на 995, 961 и 258. В целом, телекоммуникационная инфраструктура компании "МТУ-Информ" создана на основе современного оборудования, позволяющего предложить клиентам широкий спектр услуг самого высокого качества. Среди этого оборудования транзитные цифровые АТС Nokia (Финляндия), магистральные маршрутизаторы CISCO Systems (США), сетевые серверы SUN Microsystems (США), серверы доступа CISCO Systems и 3COM (США), SDH мультиплексоры ECI (Израиль), ATM и Frame Relay оборудование New Bridge (США) и др.
Для доступа в Интернет используется только современное цифровое оборудование, поддерживающее протоколы высокой (до 56 Кб/сек) пропускной способности. Используя собственные телефонные ресурсы, компания "МТУ-Информ" предпринимает оперативные меры по увеличению числа входных портов модемного пула. Абонент услуги Интернет "МТУ-Информ" практически не может получить сигнал "занято". Это может произойти только вследствие перегрузки его районной АТС. Ознакомиться с текущей статистикой загрузки модемного пула можно на диаграмме на сервере компании . Компания располагает собственной общегородской высоконадежной волоконно-оптической транспортной сетью (около 140 узлов т.н. синхронной цифровой иерархии, скорость до 2,4 Гб/сек) и крупнейшей сетью передачи данных ATM/Frame Relay (более 70 узлов).Для интеграции своих Интернет услуг "МТУ-Информ" использует только высоконадежные волоконно-оптические линии и международные каналы с гарантированной пропускной способностью. Общая производительность международных каналов на сегодняшний день составляет 4 Мб/сек и будет дальше расти по мере необходимости. Система международной коннективности компании выполнена по полностью резервированной схеме с использованием запасных наземных и спутниковых каналов. В России "МТУ-Информ" имеет прямые соглашения об обмене трафиком со всеми ведущими провайдерами услуг Интернет. Суммарная производительность каналов к другим российским провайдерам превышает 100 Мб/сек.
2.5 СЕТИ НЕДАЛЕКОГО БУДУЩЕГО
СОТОВАЯ РАДИОТЕЛЕФОННАЯ СЕТЬ СТАНДАРТА CDMA
В
настоящее время
ОАО "Персональные
коммуникации"
- дочерняя компания
"МТУ-Информ"
- занимается
развертыванием
сети сотовой
радиотелефонии
стандарта
CDMA. Предоставление
услуг радиотелефонной
связи CDMA компанией
"Персональные
коммуникации"
будет производиться
с использованием
транспортной
и телефонной
сетей "МТУ-Информ".
В 1997 году планируется
предоставление
услуг радиотелефонной
связи сети CDMA
первым 60,000 стационарным
абонентам
Московской
области, а начиная
с 1998 года услуги
радиотелефонной
связи станут
доступны в
большинстве
районов Московской
области.
2.5.2 ТЕХНОЛОГИЯ
CDMA
Технология CDMA (Code Division Multiple Access - мультидоступ с кодовым разделением каналов) является разработкой американской компании Qualcomm, Inc. и имеет ряд заметных преимуществ по сравнению с другими действующими сотовыми технологиями. В частности, эта технология отличается эффективным использованием радиоспектра, большей удельной абонентской емкостью, лучшей помехозащищенностью и более качественным приемом в условиях сложного рельефа. Сигнал CDMA отличается также высокой степенью защиты от несанкционированного доступа и прослушивания. Важно отметить, что абонентские терминалы CDMA имеют меньшие рабочие излучения по сравнению с другими стандартами, что снижает вредное воздействие на организм человека. Также терминалы могут дольше работать без подзарядки аккумуляторов, чем аналогичные терминалы других сотовых стандартов.
2.5.3 ОБОРУДОВАНИЕ
По результатам конкурса, проведенного среди потенциальных поставщиков оборудования, компания "Персональные коммуникации" подписала контракт с американской компанией Qualcomm на развертывание системы радиотелефонной связи, работающей в диапазоне частот 800 Мгц. Подключение базовых станций сети CDMA к телефонной сети общего пользования будет осуществляться посредством цифровой транспортной сети "Компании МТУ-Информ".
2.5.4 ДЛЯ
ЧЕГО И КАК СЕТЬ
МОЖЕТ ИСПОЛЬЗОВАТЬСЯ
КЛИЕНТАМИ
Реализация проекта CDMA позволит достичь дополнительных возможностей для улучшения телефонизации Московского региона. Помимо высококачественной телефонной связи, абонентам будет предложен стандартный набор услуг, принятый для цифровых сетей, в том числе: переадресация вызова, постановка вызова на ожидание, голосовая и электронная почта, передача коротких сообщений, конференц-связь, сокращенный набор номера и т.д., а также доступ ко всем другим услугам, предоставляемым абонентам сетей "МТУ-Информ". Кроме того, абоненты радиотелефонной сети CDMA будут иметь возможность передавать и принимать высококачественные факсимильные сообщения и данные (скорость передачи - 14,4 Кбит/с).
2.5.3 ПЕРСПЕКТИВЫ
РАЗВИТИЯ
В ближайшем будущем в Московском регионе на основе технологии CDMA могут быть созданы корпоративные сети для административных органов управления, милиции, скорой медицинской помощи, банков и т.д. Для таких сетей предусматривается возможность дополнительной защиты передаваемой информации и возможность приоритетного и бесплатного выхода к экстренным службам. Рассматривается также проект установки вдоль основных автомагистралей в Московской области и в Москве пунктов экстренного вызова типа Emergency Call. С такого пункта любой пользователь сможет простым поднятием трубки вызвать милицию или аварийную службу и сообщить о происшествии, причем система автоматически определит местоположение объекта, с которого поступил сигнал.
В
дальнейших
планах компании
- развитие
радиотелефонной
сети CDMA в близлежащих
к Москве областях,
для чего в настоящее
время производятся
необходимые
исследования.
2.5.4 СЕТЬ БЕСПРОВОДНОГО ТЕЛЕВИДЕНИЯ
Ни у кого сейчас не вызывает сомнения, что именно посредством телевизионного вещания современный человек получает наибольшее количество информации и продолжает стремиться получать его во все возрастающей степени.
Заметную роль начинают играть потребности в таких услугах, как видео обучение, электронный шопинг и т.п., которые оказываются при помощи специально сформированных децентрализованных источников информационных ресурсов. В последнее время, когда реализовалась возможность обеспечения абонентов терминалами со встроенными микропроцессорами, появилась возможность осуществлять заказы "pay-per-view" либо "video-on demand", пользуясь экранным меню
Таким образом, усложнившиеся требования рынка играют роль катализатора в процессе создании сетей связи, доводящих до абонента широкий и наращиваемый набор информационных услуг.
В этой
связи особое
место в телекоммуникационной
сети занимает
сеть доступа
или, так называемая,
"последняя
миля", стоимость
которой, заключая
в себе основной
объем кабельной
продукции и
оборудования,
составляет
до 80% стоимости
всей сети Вопрос
целесообразности
и востребованности
услуг телекоммуникационных
операторов
со стороны
потенциальных
пользователей
становится
ключевым. По
этим причинам
взвешенный
выбор технологии
и способа
построения
сетей доступа
важен, во-первых,
в части оптимизации
затрат на
строительство
и последующую
эксплуатацию
сети; во-вторых
- возможности
расширения
спектра оказываемых
услуг в будущем.
В целях
решения такой
задачи наиболее
прогрессивным
следует считать
создание
универсальной
телекоммуникационной
инфраструктуры
основывающейся
на уже существующей
мощнейшей
корневой сети
SDH/ATM/FrameRelay компании
МТУ-Информ и
распределительной
сети радио
доступа, на
базе которых
возможно
построение
современной
телекоммуникационной
сети, которая
имеет широкополосный
мультимедийный
мультисервисный
характер,
обеспечивающей
массовый охват
пользователей
Сам же радиотракт такой системы прозрачен для передачи различных типов аналоговых или цифровых сигналов (будь то NTSC, PAL, SECAM DVB или просто поток данных с различными скоростями).
Диапазон рабочих частот 41,5 - 42,5 ГГц (условиями лицензии оговорено использование только половины выделенного радиочастотного ресурса).
В диапазоне
частот шириной
2 ГГц эти системы
позволяют
передавать
от 96 до 128 аналоговых
ТВ каналов (или
в несколько
раз больше
цифровых).
Современные
системы такого
типа обеспечивают
передачу
радиосигналов
на
экологически
безопасных
уровнях мощности
(всего 100...300 мВт
на канал). При
этом интересно,
что подобные
системы хорошо
работают именно
в городе, где
СВЧ сигнал
может приходить
к абоненту, не
находящемуся
в зоне прямой
видимости,
многократно
переотражаясь
от стен домов
(малая длина
волны позволяет
избавиться
от влияния
интерференции
и многолучевого
распространения
волн.). А для
улучшения
приема в особо
затененных
местах
применяются
сравнительно
недорогие
ретрансляторы.
Использование
сотового принципа
позволяет
предлагать
пользователям
в каждой из сот
свой набор ТВ
программ, что
выгодно отличает
сеть сотового
ТВ от существующих
эфирных систем
метрового и
дециметрового
диапазонов.
В
режиме ТВ
вещания каждая
базовая станция
способна обслуживать
всех абонентов,
находящихся
в зоне ее действия,
а не только
тех, до которых
дотянулся
кабель.
Базовые
станции сети
MVDS в черте Москвы
будут располагаться
в узлах транспортной
сети "МТУ-Информ"
с целью упрощения
технических
решений, а также
снижения требуемых
инвестиций
на прокладку
коммуникаций,
аренду
помещений,
и т.п.
Мультиплексирование
нескольких
ТВ-программ
в общий цифровой
поток будет
осуществляться
в местах ввода
в транспортную
сеть SDH.Антенное
хозяйство сети
MVDS размещается
на зданиях АТС,
в которых находятся
узлы сети
"МТУ-Информ"
или на близлежащих
высотных зданиях.
Минимальный
набор услуг,
предоставляемый
абонентам:
многопрограммное ТВ-вещание
цифровое кодирование источника ТВ сигнала использует стандарт MPEG-2 (ISO-13 818),
структура цикла кодирования для канала и модуляция - в соответствии со стандартом DVB-S (ETS 300 421);
СОДЕРЖАНИЕ
стр.
ВВЕДЕНИЕ 1
ГЛАВА 1. РЕШЕНИЕ ПРОБЛЕМЫ ПЕРЕДАЧИ ИНФОРМАЦИИ НА ПРИМЕРЕ КОМПАНИИ «МТУ-ИНФОРМ» 3
ЦИФРОВАЯ ТРАНСПОРТНАЯ СЕТЬ 3
ОБЩИЕ СВЕДЕНИЯ 3
ПЕРСПЕКТИВЫ РАЗВИТИЯ 5
СЕТЬ ПЕРЕДАЧИ ДАННЫХ 7
ОБЩИЕ СВЕДЕНИЯ 7
ПЕРСПЕКТИВЫ РАЗВИТИЯ 8
ТЕХНОЛОГИЯ ATM/FR 9
ОБОРУДОВАНИЕ СЕТИ 9
ТОПОЛОГИЯ И ПРОПУСКНАЯ СПОСОБНОСТЬ СЕТИ 10
ДЛЯ ЧЕГО И КАК СЕТЬ МОЖЕТ ИСПОЛЬЗОВАТЬСЯ КЛИЕНТАМИ 11
ТЕЛЕФОННАЯ СЕТЬ ОБЩЕГО ПОЛЬЗОВАНИЯ 12
ОБЩИЕ СВЕДЕНИЯ 12
ПЕРСПЕКТИВЫ РАЗВИТИЯ 14
«ИНТЕЛЛЕКТУАЛЬНЫЕ» ТЕЛЕФОННЫЕ УСЛУГИ 14
ТЕХНОЛОГИЯ «ИНТЕЛЕКТУАЛЬНЫХ УСЛУГ» 15
ОБОРУДОВАНИЕ СЕТИ 17
ПОДКЛЮЧЕНИЕ К СЕТИ ИНТЕРНЕТ 17
ПОСТОЯННОЕ ПОДКЛЮЧЕНИЕ К УСЛУГАМ ИНТЕРНЕТ КОМПАНИИ 17
КОММУТИРУЕМОЕ ПОДКЛЮЧЕНИЕ К СЕТИ ИНТЕРНЕТ 18
СЕТИ НЕДАЛЕКОГО БУДУЩЕГО 19
СОТОВАЯ РАДИОТЕЛЕФОННАЯ СЕТЬ СТАНДАРТА CDMA 19
ТЕХНОЛОГИЯ CDMA 19
ПЕРСПЕКТИВЫ РАЗВИТИЯ 20
СЕТЬ БЕСПРОВОДНОГО ТЕЛЕВИДИНИЯ 20
ГЛАВА 2. РАЗРАБОТКА СТРУКТУРНОЙ СХЕМЫ УСТРОЙСТВА 23
3.1 СРАВНЕНИЕ ПРОЕКТИРУЕМОЙ СИСТЕМЫ С ЦИФРОВОЙ ТРАНСПОРТНОЙ СЕТЬЮ КОМПАНИИ «МТУ-ИНФОРМ» 23
3.2 РАССМОТРЕНИЕ РАЗЛИЧНЫХ ВАРИАНТОВ ПОСТРОЕНИЯ СТРУКТУРНОЙ СХЕМЫ 23
ГЛАВА 3. РАЗРАБОТКА ФУНКЦИОНАЛЬНО-ЛОГИЧЕСКОЙ СХЕМЫ БЛОКОВ ПРОЕКТИРУЕМОГО УСТРОЙСТВА 29
ФУНКЦИОНАЛЬНАЯ СХЕМА БЛОКА ВЫДЕЛЕНИЯ ЦИКЛОВОЙ И СВЕРХЦИКЛОВОЙ СИНХРОНИЗАЦИИ 29
ФУНКЦИОНАЛЬНАЯ СХЕМА БЛОКА ЦИКЛОВОГО ВЫРАВНИВАНИЯ И КОММУТАЦИИ 35
ФУНКЦИОНАЛЬНАЯ СХЕМА ЗАПОМИНАЮЩЕГО УСТРОЙСТВА КОММУТАЦИИ 36
ФУНКЦИОНАЛЬНАЯ СХЕМА ЗАПОМИНАЮЩЕГО УСТРОЙСТВА АДРЕСА 39
КОММУТАЦИОННЫЙ ЭЛЕМЕНТ 43
ФУНКЦИОНАЛЬНАЯ СХЕМА БЛОКА ФОРМИРОВАНИЯ ИСХОДЯЩИХ ГРУППОВЫХ КАНАЛОВ 43
ГЛАВА 4. ВЫБОРСХЕМОТЕХНОЛОГИИ ПРОЕКТИРУЕМОЙ БИС 46
КРАТКИЙ ОБЗОР СУЩЕСТВУЮЩИХ СХЕМО-ТЕХНОЛОГИЙ, ПРИМЕНЯЕМЫХ В ИНТЕГРАЛЬНЫХ СХЕМАХ 46
ТЕХНОЛОГИЯ ТТЛ 46
ТЕХНОЛОГИЯ ЭСЛ 47
ТЕХНОЛОГИЯ NМДП 48
ТЕХНОЛОГИЯ КМДП 48
ВЫБОР СХЕМО-ТЕХНОЛОГИИ ПОСТРОЕНИЯ БИС 50
СХЕМЫ КМДП С ТРЕТЬИМ СОСТОЯНИЕМ 50
ГЛАВА 5. РАЗРАБОТКА ПРИНЦИПИАЛЬНЫХ ЭЛЕКТРИЧЕСКИХ СХЕМ БАЗОВЫХ ЯЧЕЕК ПРОЕКТИРУЕМОЙ ЗАКАЗНОЙ БИС 52
ЯЧЕЙКА НЕ (ИНВЕРТОР) 52
ЯЧЕЙКА ИЛИ-НЕ 53
ЯЧЕЙКА И-НЕ 54
ЭЛЕМЕНТЫ «И» И «ИЛИ» 56
ЯЧЕЙКА ПАМЯТИ 56
ГЛАВА 6. РАЗРАБОТКА ПРИНЦИПИАЛЬНЫХ СХЕМ БЛОКОВ ПРОЕКТИРУЕМОЙ БИС 59
РАЗРАБОТКА БИБЛИОТЕКИ ЭЛЕМЕНТОВ 59
ТАКТИРУЕМЫЙ D-ТРИГГЕР 59
СЧЕТЧИКИ 60
ДЕШИФРАТОРЫ 62
МУЛЬТИПЛЕКСОР 63
РАЗРАБОТКА ПРИНЦИПИАЛЬНЫХ СХЕМ БЛОКОВ ПРОЕКТИРУЕМОЙ БИС 64
РАЗРАБОТКА ПРИНЦИПИАЛЬНОЙ СХЕМЫ БЛОКА ПРИЕМНИКА ЦИКЛОВОГО И СВЕРХЦИКЛОВОГО СИНХРОНИЗМА 64
РАЗРАБОТКА ПРИНЦИПИАЛЬНОЙ СХЕМЫ КОММУТАЦИОННОГО ЭЛЕМЕНТА 65
РАЗРАБОТКА ПРИНЦИПИАЛЬНОЙ СХЕМЫ БЛОКА ФОРМИРОВАНИЯ ИСХОДЯЩИХ КАНАЛОВ 67
ГЛАВА 7. КОНСТРУКТИВНЫЕ ОСОБЕННОСТИ ПРОЕКТИРУЕМОГО УСТРОЙСТВА 69
ВВЕДЕНИЕ 69
ОСНОВНЫЕ ТЕХНИЧЕСКИЕ ХАРАКТЕРИСТИКИ КРИСТАЛЛА 69
НАЗНАЧЕНИЕ ВЫВОДОВ МИКРОСХЕМЫ 69
ЭЛЕМЕНТЫ ТОПОЛОГИИ 71
КОНСТРУКТИВНО – ТЕХНОЛОГИЧЕСКИЕ ОГРАНИЧЕНИЯ 71
ПРИМЕР ТОПОЛОГИИ ВЫПОЛНЕННОЙ С УЧЕТОМ НОРМ КОНСТРУКТИВНО – ТЕХНОЛОГИЧЕСКИХ ОГРАНИЧЕНИЙ 72
ГЛАВА 8. МЕРОПРИЯТИЯ ПО ОХРАНЕ ТРУДА ПРИ РАБОТЕ С ЭВМ ПРИ РАЗРАБОТКЕ ТОПОЛОГИИ БАЗОВЫХ ЯЧЕЕК ЭЛЕМЕНТОВ ПРОЕКТИРУЕМОЙ БИС 74
ПРЕДИСЛОВИЕ 74
ДИСПЛЕЙ - РИСК ДЛЯ ЗДОРОВЬЯ 74
ЭЛЕКТРОМАГНИТНЫЕ ПОЛЯ И ИЗЛУЧЕНИЯ 77
ЗРЕНИЕ И КОМПЬЮТЕР 77
АНАТОМИЯ ГЛАЗА 78
ФОРМИРОВАНИЕ ИЗОБРАЖЕНИЯ НА ЭКРАНЕ ДИСПЛЕЯ 78
БОЛЕЗНИ, ВЫЗВАННЫЕ ТРАВМОЙ ПОВТОРЯЮЩИХСЯ НАГРУЗОК 80
РАБОТА У ДИСПЛЕЯ И ПУТИ ЕЕ ОПТИМИЗАЦИИ (ВИДЕОЭРГОНОМИКА) 82
МЕБЕЛЬ ДЛЯ ОПЕРАТОРОВ КОМПЬЮТЕРОВ 84
ЗАКЛЮЧЕНИЕ 84
ГЛАВА 9. ТЕХНИКО – ЭКОНОМИЧЕСКОЕ ОБОСНОВАНИЕ РАЗРАБОТКИ БИС КОММУТАТОРА ЦИФРОВЫХ КАНАЛОВ СИСТЕМЫ ПЕРЕДАЧИ 86
ОБОСНОВАНИЕ ВЫБОРА ЗАКАЗНОЙ БИС 86
ОБОСНОВАНИЕ ВЫБОРА СТРУКТУРНОЙ СХЕМЫ 86
ОБОСНОВАНИЕ ВЫБОРА ТЕХНОЛОГИИ ПОСТРОЕНИЯ БИС 87
РАСЧЕТ ОСНОВНЫХ ТЕХНИКО – ЭКОНОМИЧЕСКИХ ПОКАЗАТЕЛЕЙ 93
РАСЧЕТ ПОКАЗАТЕЛЕЙ НАДЕЖНОСТИ 93
РАСЧЕТ СЕБЕСТОИМОСТИ ИЗГОТОВЛЕНИЯ БИС 93
ВЫВОДЫ 95
ГЛАВА 10. ПАТЕНТНЫЕ ИССЛЕДОВАНИЯ 96
ЗАКЛЮЧЕНИЕ 100
ПРИМЕЧАНИЕ 100
СПИСОК ИСПОЛЬЗОВАННЫХ СОКРАЩЕНИЙ 101
СПИСОК ИСПОЛЬЗОВАННЫХ ИСТОЧНИКОВ 103









Периферийное
кольцо
16,384 Мбит/с
(8 каналов ИКМ-30/32)
Периферийное
кольцо
16,384 Мбит/с
(8 каналов ИКМ-30/32)









Главное кольцо
139 Мбит/с










Периферийное
кольцо
16,384 Мбит/с
(8 каналов ИКМ-30/32)
Периферийное
кольцо
16,384 Мбит/с
(8 каналов ИКМ-30/32)






- Коммуникационный блок №1
- 8,192 Мбит/с (4 канала ИКМ-30/32)
- Коммуникационный блок №2









УСТРОЙСТВО УПРАВЛЕНИЯ
БЛОК ВЫДЕЛЕНИЯ ЦИКЛОВОГО И СВЕРХЦИКЛОВОГО СИНХРОНИЗМА
БЛОК ФОРМИРОВАНИЯ ИСХОДЯЩИХ ГРУППОВЫХ КАНАЛОВ
2,048 Мбит/с (Групповые каналы формата ИКМ - 30/32)
2,048 Мбит/с (Уплотненный канал, передаваемый по параллельной 8ми разрядной шине)
Шины обмена с устройством управления и внешним контроллером управления
БЛОК ЦИКЛОВОГО ВЫРАВНИВАНИЯ И КОММУТАЦИИ
На внешний контроллер управления






































































































































































































































































































































































































































































































































А
А





















п
р+
А - А
п+
Адрес
«Земля»
Питание
Вход
Выход

ТОПОЛОГИЯ И ПРИНЦИПИАЛЬНАЯ СХЕМА ЗАПОМИНЮЩЕЙ ЯЧЕЙКИ
р
-металлизация
-диэлектрик

ТОПОЛОГИЯ ФРАГМЕНТА ОЗУ ИЗ ЧЕТЫРЕХ ЯЧЕЕК




ОПОЗНАВАТЕЛЬ
СЦС
Ц0
Ц1
Ц2
Ц3
Ц15
К0
К1
К2
К3
К16
К31
ВТи
ВГК
&
&
КЦС
Cч2
Q1
Q2
Q3
Q4
T
R4
R
Cч2
Q1
Q2
Q3
T
R
&
ЦС
Р1
Р2
Р3
Р4
Р8
Cч2
T
R
Cч2
T
R
Cч2
T
R
А1
А2
А3
D
А1
А2
А3
А4
А5
D
А1
А2
А3
А4
D
&
&
Q1
Q2
Q3
Q1
Q2
Q3
Q4
Q5
Q1
Q2
Q3
Q4
Cч2
Q1
Q2
Q3
Q4
T
R4
R
Cч2
Q1
Q2
Q3
T
R
&
ОС
НС
&
&
ОС
НС
&
&



















КСЦС
ГЕНЕРАТОР ИМПУЛЬСНОЙ ПОСЛЕДОВАТЕЛЬНОСТИ
АНАЛИЗАТОР СИНХРОНИЗМА
РЕШАЮЩЕЕ
УСТРОЙСТВО




ВТи
ОЗУ
6*32
&
ВГК
ОЗУ
8*32
Dст
D1D2 D3 D4 D5
А
Q1Q2Q3Q4Q5
Cч2
Т
R
D1D2 D3 D4 D5

Dстр
А1
А2
А3
Сч2
Q1
Q2
Q3
Т
R




А1 А2 А3 А4 А5













У «О»
Ти
Выбор ЗУ
Рз/сч





ОЗУ1
ОЗУ2
Dстр
Dст
Dстр
Dст
Q3 Q2 Q1
Сч2
Т
R





СТи
Рз/сч
У «0»


РЕЗУЛЬТАТЫ РАСЧЕТА ВЫБОРА ТЕХНОЛОГИИ ПОСТРОЕНИЯ БИС
ТЕХНОЛОГИЯ
КРИТЕРИИ
ВЕС
ТТЛ(Ш)
ЭСЛ
пМДП
1.Быстродействие
0,07
0,19
0,65
0,07
0,09
2.Помехоустойчивость
0,11
0,21
0,09
0,29
0,41
3.Потребление
0,05
0,09
0,04
0,29
0,58
4.Площадь
0,45
0,21
0,05
0,43
0,31
5.Совместимость
0,28
0,13
0,04
0,41
0,42
6.Стоимость
0,04
0,56
0,26
0,11
0,07
Глобальный приоритет
0,19
0,09
0,33
0,39
ОСНОВНЫЕ ТЕХНИКО-ЭКОНОМИЧЕСКИЕ ПОКАЗАТЕЛИ
-
Показатель
Обозначение
Единицы измерения
Значение
1. Количество коммутируемых каналов.
- -
шт.
256
2.Формат передачи сигналов.
ИКМ - 30/32
- -
- -
3. Внутренняя частота
f
МГц
2,048
3. Время наработки на отказ.
T
ч
106
4. Себестоимость.
С
руб.
15,35
5. Оптовая цена.
Ц
руб.
17,65
ВВЕДЕНИЕ
В настоящее время в России, как и во всем мире наблюдается информационный бум и объем информации, передаваемой по коммутируемым (в том числе и телефонным ) каналам связи, сильно возрастает и, поэтому, возникает необходимость в коммутационном оборудовании, которое обеспечивало быстрое и качественное соединение абонентов и соответствовало бы современным стандартам на коммутацию цифровых каналов передачи.
В начале прошлого года (14.01.97) Министерством Связи был издан приказ «О мерах по защите интересов российских производителей телекоммуникационного оборудования», в первом пункте которого говорится: «Предприятиям связи на сети общественного пользования преимущественно применять коммутационное оборудование отечественного производства, в том числе и производимых на совместных предприятиях»[1].
Сейчас фирмы-производители ведут широкие исследовательские и опытно-конструкторские работы по созданию электронных систем коммутации для передачи телефонной и телеграфной информации, данных и так далее в электронных автоматических телефонных станциях с временным разделением каналов, что позволяет одновременно устраивать несколько соединений через один и тот же коммутационный элемент. Это приводит к повышению использования оборудования коммутационного поля, а, следовательно, к улучшению экономических показателей при сохранении требуемого качества передачи информации. Электронные автоматические телефонные станции с цифровым коммутационным полем, построенные по принципу преобразования сигналов в форме импульсно-кодовой модуляции (ИКМ), являются основой для организации интегральных цифровых сетей связи. То есть систем коммутации, в которых аппаратура коммутации и передачи выполнена на единых принципах и единой элементной базе, а все виды информации передаются по сети в единой цифровой форме.
В настоящее время все более широкое распространение получают цифровые сети построенные по кольцевому принципу, где передача информации происходит в одном направлении это позволяет сократить затраты на прокладку магистральных кабелей и предоставляет возможность наращивания сетей, а также объединение нескольких низкоскоростных потоков в один высокоскоростной. Примером действующей в настоящее время кольцевой сети построенной по принципу Синхронной Цифровой Иерархии может служить сеть компании «МТУ-Информ», более подробно особенности функционирования этой сети рассмотрены в главе 1.
Учитывая все вышеперечисленное, видится актуальной разработка отечественной системы коммутации, не уступающей своим зарубежным аналогам по характеристикам, и в том числе разработка коммутационной БИС, которая послужит основой интегральной цифровой сети связи.
Мне в данном дипломном проекте предложено спроектировать коммутационную БИС, работающую в стандартной системе связи на основе импульсно кодовой модуляции формата ИКМ – 30/32.
Рассмотрим назначение данной БИС в системе передачи цифровой информации: проектируемая БИС, представляет собой блок временной коммутации разноименных временных каналов входящих и исходящих соединительных цифровых линий передачи. Кристалл предназначен для коммутации 255 каналов входящих абонентов с таким же количеством исходящих. Существующий формально еще один канал - нулевой - используется для синхронизации. Передача ведется в симплексном режиме, то есть только в одном направлении. Кристалл принимает информацию по восьми
параллельным входным групповым трактам (групповым входам) и выдает ее синхронно по восьми групповым выходам.
Кроме собственно коммутации, БИС предназначена для выполнения ряда других операций, задаваемых внешним или внутренним управляющим устройством. К числу таких операций относятся поиск и подсчет свободных каналов, соединение, разъединение и ряд других. Информация от внешнего управляющего устройства передается БИС в виде команды определенного формата. О результатах выполнения команды кристалл также передает информацию внешнему управляющему устройству.
Внутреннее управляющее устройство непосредственно интегрировано с БИС на одном кристалле и выполняет ряд специфичных для данного устройства функций, в данном дипломном проекте строение внутреннего управляющего устройства не рассматривается.
Рассмотрим также принцип коммутации разноименных временных каналов, он сводится к перестановке импульсов из одной временной позиции в другую (или в общем случае сдвигу). Технически эта перестановка осуществляется с помощью записи последовательности битов в оперативное запоминающее устройство (ОЗУ) подряд, а в следующем цикле считывании ее в порядке соответствующем требуемой коммутации. Запись информации производится последовательно (есть адреса, по которым производится запись, генерируются счетчиком тактовых импульсов), а чтение – выборочно (то есть в соответствии с адресами, считываемыми из управляющего запоминающего устройства (УЗУ)).
















Однонаправленное соединение по кольцу
Рис. 1.1.б. Кольцевая структура
АТС
АТС
АТС
АТС
АТС
АТС
АТС
АТС
Абонент 1
Абонент 1
Абонент 2
Абонент 2
Дуплексное соединение по любому маршруту
Рис. 1.1.а Радиальная структура
Работы, похожие на Реферат: Коммутатор цифровых каналов системы передачи
|






